Need horn help! 89 4Runner

This site may earn a commission from merchant affiliate
links, including eBay, Amazon, Skimlinks, and others.

Joined
May 18, 2020
Threads
21
Messages
104
Location
Kansas
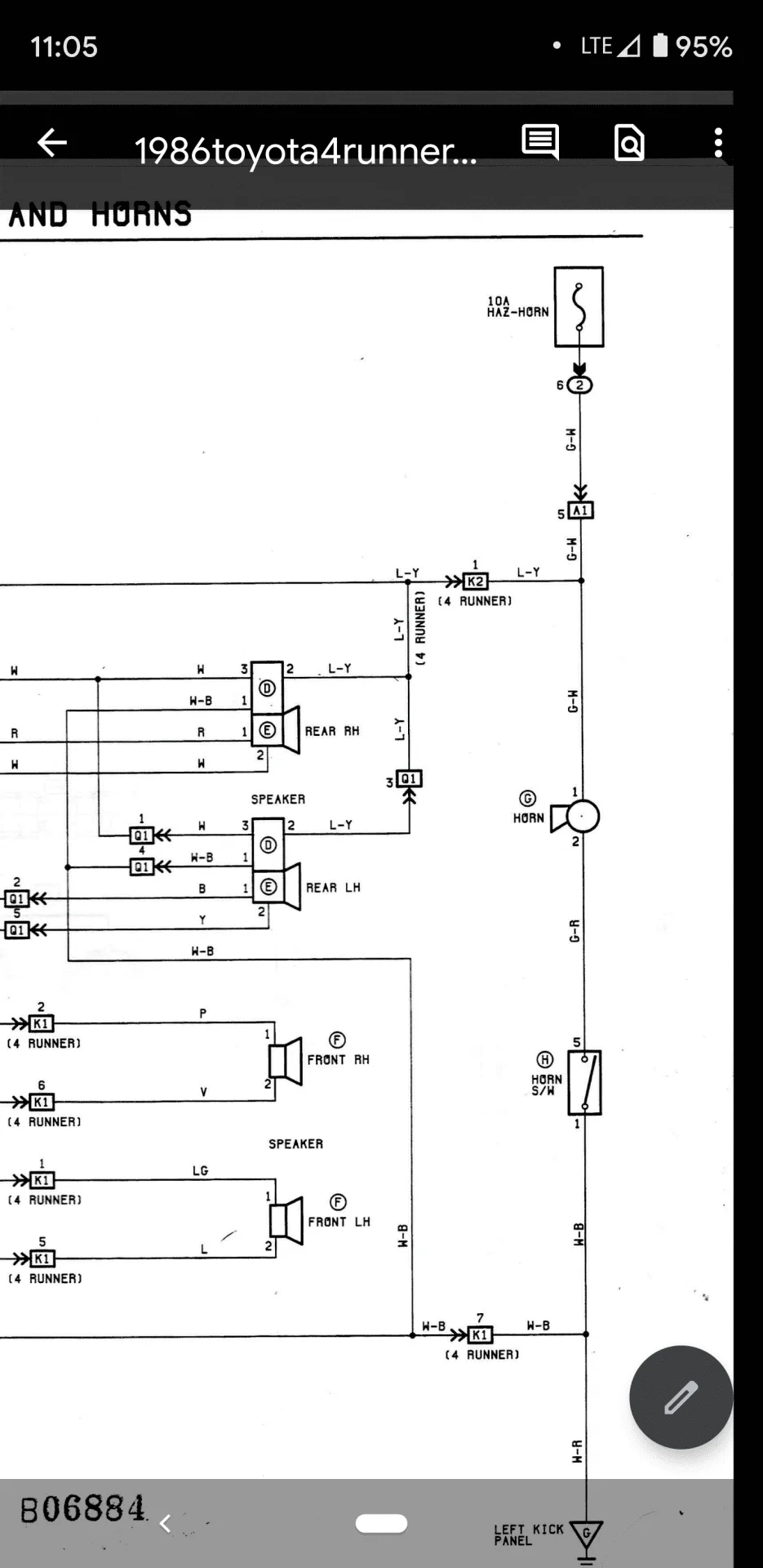
The horn on my new to me 89 4Runner isn't working (just got the 4Runner, I'll post pics later). I used the wiring diagram posted on T4R.com to check things out with my multi meter.

I don't have 12v power at the green/red wire to my horn ( I should). I do have 12v constant power to the other wire.

Checked the 15A horn fuse, which is good. There's no horn relay on my 89, so that's not it. Help please! Thanks in advance.
 
This is the diagram I have. Likely the contact at the wheel is worn out. 2nd pic is from 89 ewd
Screenshot_20200706-110556.png
IMG_20200706_145324.webp
 
Last edited:
Check the contact button in the steering wheel. As I recall our trucks have two wires instead of one, as you have discovered. One is constant hot. The other grounds through the steering wheel, so it should not have power.
 
Check the contact button in the steering wheel. As I recall our trucks have two wires instead of one, as you have discovered. One is constant hot. The other grounds through the steering wheel, so it should not have power.
Ok. I thought both wires were hot then then when you pressed the horn on the steering wheel, that completed the circuit by providing ground. I’ll pull the wheel tomorrow and check.
 
The spring-loaded contact is worn. Search for the .22 caliber bullet casing fix, there is a good write-up somewhere. I fixed the horn on my 1989 4Runner using the write-up, only...

Instead of pulling the steering wheel, we cut down the brass bullet casing, filled it with dielectric grease, and used a pair of needle nose pliers to insert it through the gap between the wheel and the column while depressing the spring-loaded contact with a flat blade screwdriver. With the casing "installed" on the end of the spring-loaded contact, there was plenty of new material.

Had to pull the clamshell, and did remove the horn pad/button (1 screw and make sure to pull gently as you need to disconnect the wire to the pad).

Anyway, it was an easy fix and the horn works as new. Not the write-up I used, but the below has all the info you need...

 
Last edited:
The spring-loaded contact is worn. Search for the .22 caliber bullet casing fix, there is a good write-up somewhere. I fixed the horn on my 1989 4Runner using the write-up, only...

Instead of pulling the steering wheel, we cut down the brass bullet casing, filled it with dielectric grease, and used a pair of needle nose pliers to insert it through the gap between the wheel and the column while depressing the spring-loaded contact with a flat blade screwdriver. With the casing "installed" on the end of the spring-loaded contact, there was plenty of new material.

Had to pull the clamshell, and did remove the horn pad/button (1 screw and make sure to pull gently as you need to disconnect the wire to the pad).

Anyway, it was an easy fix and the horn works as new. Not the write-up I used, but the below has all the info you need...


Well, the brass plunger is missing. That will do it.
D14FF26C-C908-4A0A-B02C-7562974F98FB.webp
 
It can be had new from Toyota. I think @gnob recently replaced his with new.
 
Back
Top Bottom