LS Swap– Gear Range Selector adapter

This site may earn a commission from merchant affiliate
links, including eBay, Amazon, Skimlinks, and others.

Joined
Oct 29, 2013
Threads
28
Messages
530
Location
Mcloud OK.
LS Swap– Gear Range Selector adapter

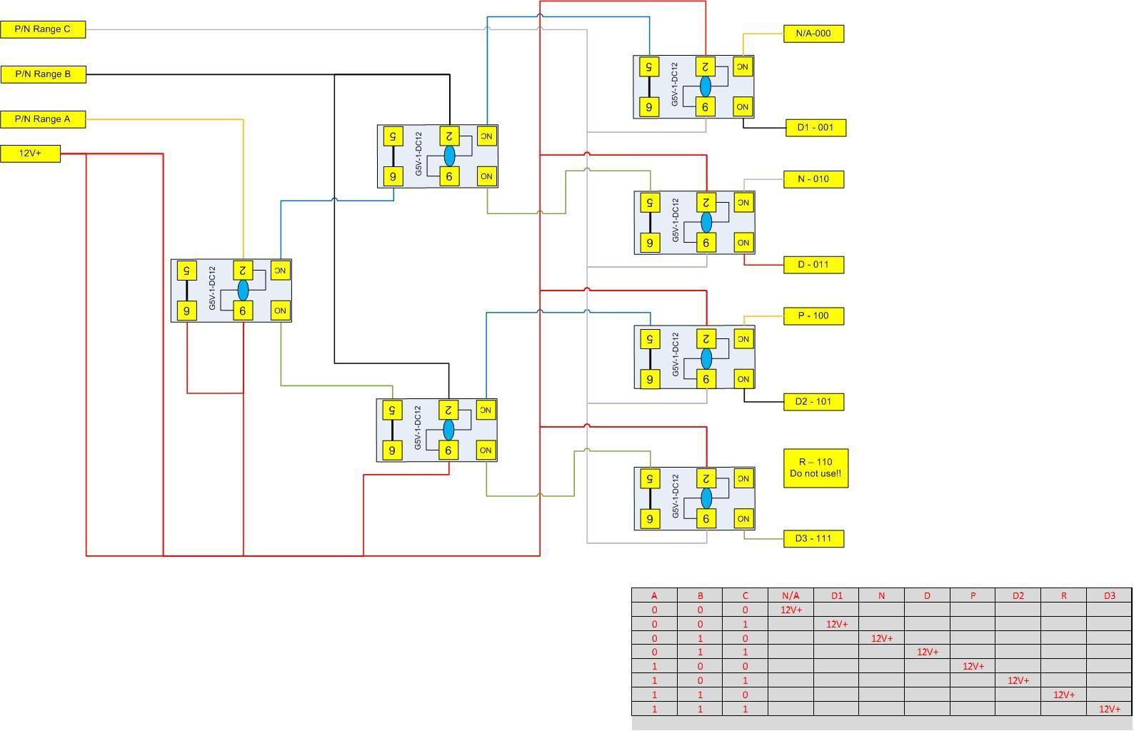
With the engine swaps I have done in the past I have always attempted to make the driving experience as much as original as possible (other than the HP/torque and exhaust sound/volume changes). Things such as dash lights and gauges, cruise control, and in this case gear selector display should work as designed. My goal for this particular project was to adapt the existing GM gear Range switch to work with the Lexus Gear selector display in the gauge cluster. The GM gear range selector switch encodes the gear selection across 3 outputs (Range A, Range B, and Range C). The Lexus uses a direct one to one mapping of each gear based on the output from the Lexus Gear Selector switch. In order to make this work I needed to build 3 to 8 decoder. There are many different ways to do this.. I chose to use relays due to the need to feed 12V high signals to the gauge cluster and the inputs from the GM range selector switch being 12V- based.

20151229_193337.jpg

20151229_193342.jpg

20151229_194516.jpg

20160101_215520.jpg

20160111_060011.jpg

20160111_060224.jpg


Also, if you decide to go this route… do not use the reverse output of this box. Reverse is fed from the backup light circuit and not needed in this case.

Please let me know if you have any questions…
 
Hey Mark that's impressive stuff there, a bit above my head though. Maybe your onto a product that you could market.
 
Hey Mark that's impressive stuff there, a bit above my head though. Maybe your onto a product that you could market.

Thanks.. maybe, but I would rather help others that want this type of device. It is my understanding that some people prefer not to have thoes lights at all...
 
Last edited:
It appears the oil pressure needle is dead, is that something you'll be working on also?
 
It appears the oil pressure needle is dead, is that something you'll be working on also?

yes.. still not resolved.. I am going to replace the gauge in the Cluster next. I am using my scangauge for oil pressure until then.
 
This is some really good info! Thanks for putting this together. If you don't mind, I made some modifications to your design.

Gear Selector Adapter.jpg


The green lines are solder jumpers. This configuration allows only the relays in the currently used circuit to be energized, instead of multiple unused relays being energized. This should increase component longevity, decrease heat, and clean up the wiring.

PRND Adapter Top.jpg



Here's the bottom with the solder jumpers. Don't mind the solder, it's my first time trying to make solder traces on a board:

PRND Adapter Bottom.jpg
 
Back
Top Bottom