Ignition won't turn to "lock"

This site may earn a commission from merchant affiliate
links, including eBay, Amazon, Skimlinks, and others.

Joined
Oct 7, 2014
Threads
61
Messages
421
Location
Falkner, MS
Currently my key is stuck in the ignition because it will not turn CCW to the "Lock" position. This started happening intermittently a few days ago. Occasionally when I went to turn the vehicle off the key would not turn back to "lock" and release the key. After sitting in the ACC position for a few minutes it would then allow me to turn it to "lock" and remove the key. When the lock finally released the second or third time I tried a different key (thinking the key was the issue). Same result.

Well going on 3 days now the key is still not being released from the ignition due to it not turning CCW into "lock" position.

Here's what I have and have tried.

1: "P" illuminates and shifter firmly clicks into park.
2: Tired wiggling steering wheel
3: Lubed lock with graphite.
4: There are two, two wire sensors plugged into the shifter itself (not sure what each do honestly) and I tried unplugging and inspecting the plugs. Also tried completing the circuit with a piece of jumper wire to see if that would allow the switch to rotate CCW to "lock". No avail.

I can only assume that the truck isn't reading that the vehicle is in Park so it will not allow the key to rotate to the "lock" position. Is there a way to bypass this? The vehicle is a trail truck so no worries about cruising down the interstate and they key locking the wheel.

Any help is appreciated.

TIA!
 
On my 80, even with the Shifter firmly clicked into 'P', I have to give it a whack to the forward position intermittently to get the key to release into the lock position. I think of it as personality, at least that's until whatever switch that drives that function finally dies entirely and then I'll deal with it.
 
Try applying forward pressure on the shifter while turning the key. Do you have a body lift? I have this issue and it started after the body lift. I need to adjust the linkage underneath to remedy the problem.
 
I'll give it a love tap when I get home this PM.

By jumping those circuits, wouldn't that give signal to the key switch that the unit was in park though?

Or did I not jump the correct ones? Wiring schematic would be great for that, unfortunately I have yet to find one available online...and my manual is soft back...not much help in that department.
 
Try applying forward pressure on the shifter while turning the key. Do you have a body lift? I have this issue and it started after the body lift. I need to adjust the linkage underneath to remedy the problem.

I do not. Truck is stock height.
 
With wear and tear, even without a body lift many shift linkages will still develop enough slack to cause a problem. My way is to shift to P, turn off the truck, then give the shifter a light bump forward to help free up this part of the linkage.

If the key still doesn't turn to Lock, gently but sharply move the key in and out. It will eventually free itself with a little persistence and beats waiting overnight in almost all cases.
 
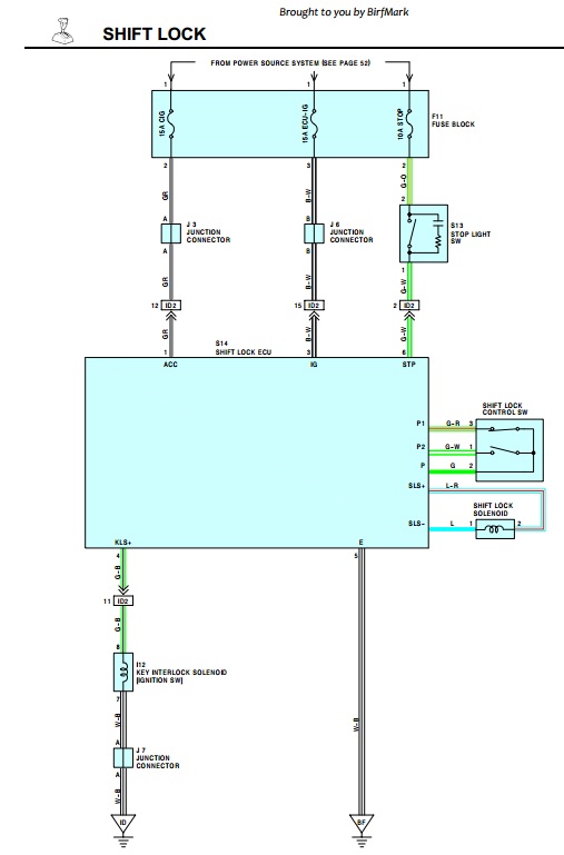
The problem is that the switch is an input to the 'Shift Lock ECU' which is full of magic smoke. Hard to say what it does.

Shiftlock.jpg


If the key interlock solenoid prevents the key moving when the solenoid is engaged, it should be a matter of just removing the wire from the output of the shift lock ECU on the KLS+ line so the solenoid never engages. Could be a simple fix that way. That would be the green/black wire coming out of the shift lock ECU. That ECU appears to be located conveniently in the center console area near the shifter, at least what I can tell from the very high level diagram in the EWD.
 
If I can get the ignition lock solenoid to disengage by bumping the shifter forward I will try cutting the G-B wire that feeds the solenoid.

I have the entire interior stripped out of it currently so I know exactly which box you're referring to. Its directly behind the shifter underneath the center console.

I agree with the "magic smoke" because there are a ton of wires feeding out of the box (comparatively speaking for such a simple function).


On another note. I might potentially have a fried "magic smoke control unit".

About a month ago I noticed that the 15A fuse labeled "ECU-IG" was blown. I put another fuse in and it immediately popped...telling me there was a short/issue somewhere along the way. I noticed I did not have brake lights so I replaced the BLS and then replaced the fuse. That fuse has not blown since and the brake lights function as they should.

Just wondering that since the BLS/ECU-IG fuse and the shift interlock device all share the same "controller" if that might be an issue.

Maybe I'm over thinking it...

Will K.I.S.S. and try coaxing the shifter forward today and report back.
 
FINAL RESOLUTION


Bumping the shifter worked! Following the diagram above I did go ahead and cut the Green/Black wire that comes out of the "magic smoke" box and runs into the wiring harness after I got the key to the "lock" position.

The key no longer "locks out" the ignition "lock" function when in gear.


*DISCLAIMER*

If you cut the green/black wire and you accidentally roll your key CCW to the lock position your steering WILL lock in gear. This could be deadly for on road use.

I do not condone this modification in any way.
 
FINAL RESOLUTION


Bumping the shifter worked! Following the diagram above I did go ahead and cut the Green/Black wire that comes out of the "magic smoke" box and runs into the wiring harness after I got the key to the "lock" position.

The key no longer "locks out" the ignition "lock" function when in gear.


*DISCLAIMER*

If you cut the green/black wire and you accidentally roll your key CCW to the lock position your steering WILL lock in gear. This could be deadly for on road use.

I do not condone this modification in any way.

Nice! Fun to speculate on a mod and have it work as it looked like it should. I'm got my manual Tranny to do and this was just one of the things to solve.
 
Back
Top Bottom