- Joined
- Sep 4, 2020
- Threads
- 135
- Messages
- 1,963
- Location
- Brunei Darussalam
- Website
- eurasiaoverland.com
I've been reading through a few of the (seemingly many) threads on replacing the sealed beam units with halogen semi-sealed beams (HSSB) taking H4/H1 bulbs.
A bit of info:
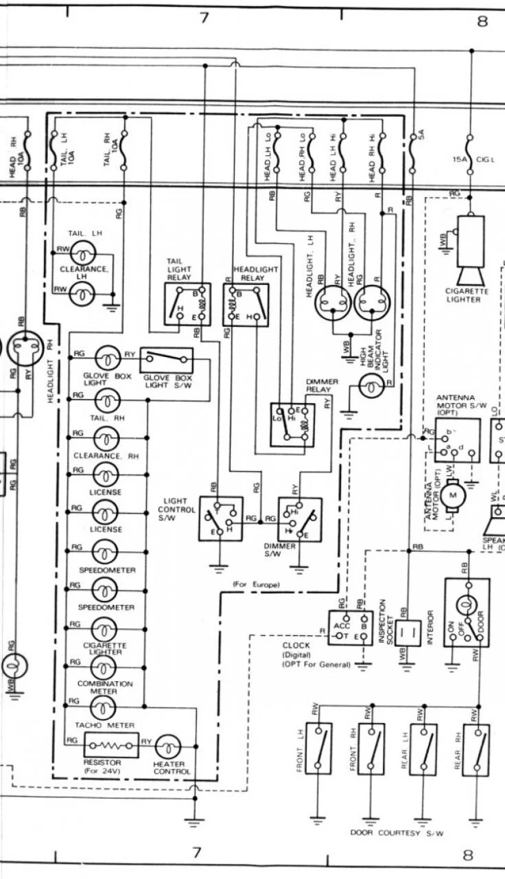
What's not clear to me is the exact nature of the weakness of the factory wiring circuit. I am doing a restoration on the harness itself and will take it conpletely apart at least as far as the firewall grommets (from the engine side) to do various repairs. I am quite prepared to upgrade the existing wiring for the headlight bulbs, but am not clear what the problem is.
I see there is only one headlight relay in the original circuit, persumably for switching both the quad main beam lights and the two dipped lights. Or is the relay only used for one circuit? With the uprgaded wiring harnesses, each circuit (3) has a relay and fuse.
Is there something fundamentally weak in the design of the factory headlight circuit itself, or can I improve it by installing thicker wires between relay and lights? Or is the weakness in the comparatively long transmission distance from the battery to the ignition / cowl harness and back to the headlights?
I'm keen to make the headlights as powerful and efficient as possible, but all those extra wires are not going to make my engine bay look very tidy. I also don't like the idea of running wiring between the lights at the front, where there is no existing harness to follow.
Any suggestions / information greatly appreciated.
EO
A bit of info:
- 12V 1989 BJ60 with quad square lights.
- I want to keep the factory wiring harness as original as possible.
- I have bought:
- 2x Koito H4 (55/60W) lights
- 2x Toyota (Koito) H1 (55W) lights
- The Koito twin light harness (same as the cheap Toyota upgrade pack) with 2x relays and 2x fuses
- The additional Koito quad light harness with 1x relay and 1x fuse.
What's not clear to me is the exact nature of the weakness of the factory wiring circuit. I am doing a restoration on the harness itself and will take it conpletely apart at least as far as the firewall grommets (from the engine side) to do various repairs. I am quite prepared to upgrade the existing wiring for the headlight bulbs, but am not clear what the problem is.
I see there is only one headlight relay in the original circuit, persumably for switching both the quad main beam lights and the two dipped lights. Or is the relay only used for one circuit? With the uprgaded wiring harnesses, each circuit (3) has a relay and fuse.
Is there something fundamentally weak in the design of the factory headlight circuit itself, or can I improve it by installing thicker wires between relay and lights? Or is the weakness in the comparatively long transmission distance from the battery to the ignition / cowl harness and back to the headlights?
I'm keen to make the headlights as powerful and efficient as possible, but all those extra wires are not going to make my engine bay look very tidy. I also don't like the idea of running wiring between the lights at the front, where there is no existing harness to follow.
Any suggestions / information greatly appreciated.
EO
Last edited:
