Follow along with the video below to see how to install our site as a web app on your home screen.
Note: This feature may not be available in some browsers.
This site may earn a commission from merchant affiliate
links, including eBay, Amazon, Skimlinks, and others.
eaj71 said:There appears to be a bulb in the light switch. Is this necessar for the dash lights to work. It is burned out
Why is it there anyway?
Thanks
offer and I'll ship it on my FedEx account.If you mean this 3 prong connector.....
View attachment 701517
The two horizontal prongs are for the Ammeter (12V when the key is in the "on" position) and the vertical one is ground for the High Beam Indicator.
Rudi
View attachment 701517
Waking up an old thread. If one were to put in a late model gauge cluster into a pre-'79 vehicle, what's the correct thing to do with this 3 prong connector?
On the wires in the fusible link to cut and insert this loop....can you clarify which one to cut. I have an 81 fj40 but I am not in a place to go look at it for a few daysThe difference between a pre '79 and '79 and later is the Ammeter.
On a pre '79 it's a 30-0-30 Ammeter. In this set up the full current (charge and discharge) flows through the Ammeter.
View attachment 1167332
On a '79 and later it's a 50-0-50 Ammeter. In this set up the full current goes through a fusible link.
View attachment 1167331
This Fusible link works also as a shunt resistor and the voltage drop over this link/resistor is used to get the Ammeter working.
Unfortunately the OEM fusible link has a design error but Mud member Amaurer found a solution for this.
View attachment 1167333
View attachment 1167334
In short.... you have to make a modification in the Ammeter circuit.
Rudi
The difference between a pre '79 and '79 and later is the Ammeter.
On a pre '79 it's a 30-0-30 Ammeter. In this set up the full current (charge and discharge) flows through the Ammeter.
View attachment 1167332
On a '79 and later it's a 50-0-50 Ammeter. In this set up the full current goes through a fusible link.
View attachment 1167331
This Fusible link works also as a shunt resistor and the voltage drop over this link/resistor is used to get the Ammeter working.
Unfortunately the OEM fusible link has a design error but Mud member Amaurer found a solution for this.
View attachment 1167333
View attachment 1167334
In short.... you have to make a modification in the Ammeter circuit.
Rudi

On the wires in the fusible link to cut and insert this loop....can you clarify which one to cut. I have an 81 fj40 but I am not in a place to go look at it for a few days
You have only one fusible link. It runs from the battery to the ignition switch and looks like this. I'm not 100% sure if this one is from a 1981 FJ40.
The one in the picture is defective, one wire is disconnected.
Note the black and white/blue wire to the Ammeter.
View attachment 1167615
It is the red arrow in the wiring diagram
View attachment 1167616
Have fun & good luck.
Rudi
wish that little black holder was there on mine. I remember it's location from a previous cruiser I had. Can not seem to find it on my 81. I thought they may have moved it behind the cluster in a usa 81. Maybe the previous owner has them well taped but I can't see a bump under any taping. One thing he did was tape everything very nicely. I gotta give him that.Those two fuses are mounted in a little black plastic box that is taped to the main harness in the engine bay close to the battery. Here is a pic... This is from Lost Marbles BJ40...
View attachment 1210761
I'm not sure about the headlight bulb for a 1981. It's a BA7 for earlier years.
I
wish that little black holder was there on mine. I remember it's location from a previous cruiser I had. Can not seem to find it on my 81. I thought they may have moved it behind the cluster in a usa 81. Maybe the previous owner has them well taped but I can't see a bump under any taping. One thing he did was tape everything very nicely. I gotta give him that.

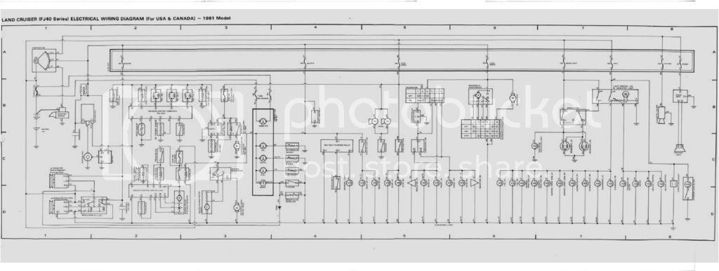
Yes I see that glass fuse on my diagram now. Grid c2. Calls for 15 amp for supplying main relay and pressure switch. I'll change out my 5 for a 15.Here is the wiring diagram for a 1981 FJ40 USA & Canada:
Click on the "wheel" to get a full size download.
http://i1112.photobucket.com/albums/k490/ruud_coco/Wiring diagrams/1981 FJ40 series USA amp Canada_zps1l50ozfd.jpg
The fat White/Blue going to a fuse and into Blue/Red looks like a bypass from the Heater fuse.
Blue/Red = Heater, Cluster, Brake warning light and Back up light switch
Black/White is a wire between the IGN key "start" and the starter motor. Also for a bulb check relay if it's an Australian model.
Changing the 2x 5Amps for 2x 10 Amps is NOT a good idea!!!! Check Ammeter for continuity.
Rudi
Yes I see that glass fuse on my diagram now. Grid c2.
I didn't see that one
.All rewired as per wiring diagram. Ammeter at about 1.5 ohms. 18 inch of 14 gauge installed. Still no meter movement. The larger gauge whit blue stripe that goes from the taped oem plug into the harness heats up to 108 degrees when engine off and every electrical component on. Cooler when eine and charging. I'm stumped. I guess I'll move onto the next project and just live with the goofy ammeter operation....or non operation as it seems.You've a sharp eye!I didn't see that one
.
Rudi