61. (1 Viewer)

This site may earn a commission from merchant affiliate
links, including eBay, Amazon, Skimlinks, and others.

Bumper turned out good...:clap:

As with Cam I am ubber impressed with the use of new steel.:D

I agree with the powder coating, it also kinda acts like undercoating trapping moisture behind it as rust traveling... where ever the surface is broken.
 
Ha, well you'll be pleased to know the swingout is entirely made of scrap...a chindian engine stand...HP steam pipe fitting for the pivot :hillbilly:

Haha right on, I feel slightly defeated when I have to actually buy metal. I always just know someone has what I need rusting away in their back yard or something.
 
Pretty much done. I'll ad some sort of latch to keep it from rattling on logging roads, but it doesn't make any noise bouncing over speed bumps at the mall...:princess:

My semi ghetto pivot...from the "not all pipe fittings are created equal" file...Wall thickness on that thing is freaky...close to 1/2".

probably cost more than one of those trailer spindles from a 4x4 jewellery store...but it's all machined on the ends so with a couple brass bushings it's all a good tight fit. (1" bolt in there. )
2015-04-11 10.03.45.webp


Fancy gate latch...these are about 8 bucks a pair at PA, just knock the pin out and you can install it in a piece of tubing.
2015-04-07 15.21.00.webp


Didn't feel right not having a tire obstructing my view out the back window. Much better now. :hillbilly:
2015-04-11 10.03.32.webp



Next will be front bumper, if I can survive the ire of swmbo to spend a weekend doing it. Picked up a couple 8274's for peanuts a while back, and got a smokin deal on one those Runva contactors to wire it up.
 
So, yesterday wasn't much fun...

Truck has has had an oil pan heater on it for a long time, trapping moisture, and was generally , in a word, terrifying.

Plan was to pull it off when I did an oil change and then decide, so I pulled off the pan heater, and it took about 2 seconds to decide that the pan had to go.

So continuing to cobble the truck together out of a dumpster:censor:, I pulled out the 2H oil pan I picked up a couple months back.

Despite what the council of genius' and their thick skulled cult leader say, the pans are identical.

I don't have a pic of the old pan, but it is astounding it didn't leak. Here's them side by side.

2015-04-29%2011.31.15_zpstumkuf2j.jpg


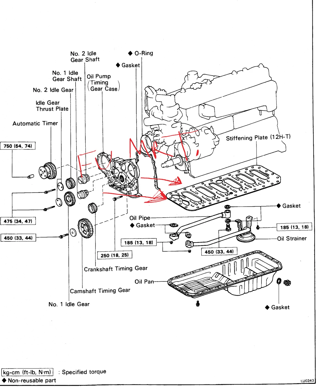
The only other thing to ad about changing an oil pan on a 12ht....

This business of there being a " stiffening plate" in there.

Dick move Mr. T, dick move. :bang:
 
NIce work man. Good to have the peace of mind having got rid of the oil pan heater. The picture of those pans is weird, as there is some lack of depth perception. Looks like the drain is higher than the bottom of the pan, but I guess the lower part actually extends to the drain. That is a pretty long sump though. By stiffening plate do you mean those baffles in there? They keep the oil from sloshing around too?
 
Yeah, pic is just deceiving.

there's a second plate bolted to the bottom of the block. Uses the same bolts as the pan to clamp and make a seal, so, in order to redo the pan, you have to take it off as well and goop it on, making a nice double layered s*** sandwich when you bolt it all up.

Pretty much doubles the fun.

Not really sure what purpose it serves...it's thin tin, so I can't see how it's going to do much stiffening.


Deeply irritating.


pan.webp



Old pan was pretty horrible all around. Nice to not worry about it getting punctured by tall grass.... Also replaced my oil pressure sender. It's amazing how much better one feels when the needle of that woefully inaccurate piece of s*** gauge is near the top of it's range instead of the bottom..:lol:


Spent today on something a little more fun...:grinpimp:


2015-04-30%2008.12.32_zpslhwqtwq0.jpg




2015-04-30%2008.12.32_zpslhwqtwq0.jpg
 
Last edited:
Yeah, pic is just deceiving.

there's a second plate bolted to the bottom of the block. Uses the same bolts as the pan to clamp and make a seal, so, in order to redo the pan, you have to take it off as well and goop it on, making a nice double layered **** sandwich when you bolt it all up.

Pretty much doubles the fun.

Not really sure what purpose it serves...it's thin tin, so I can't see how it's going to do much stiffening.


Deeply irritating.


View attachment 1069853


Old pan was pretty horrible all around. Nice to not worry about it getting punctured by tall grass.... Also replaced my oil pressure sender. It's amazing how much better one feels when the needle of that woefully inaccurate piece of **** gauge is near the top of it's range instead of the bottom..:lol:


Spent today on something a little more fun...:grinpimp:


2015-04-30%2008.12.32_zpslhwqtwq0.jpg




2015-04-30%2008.12.32_zpslhwqtwq0.jpg
That my friend is excellent use of valuable kitchen counter space, and a great way to make use of that espresso machine for steam. Now to tap it into a fancy container that holds your cigars, and call it a humidor, or just keep them in that guitar I guess...
 
That my friend is excellent use of valuable kitchen counter space, and a great way to make use of that espresso machine for steam. Now to tap it into a fancy container that holds your cigars, and call it a humidor, or just keep them in that guitar I guess...

Haha, I'm glad you figured out what he was doing...I was a little slow on that one...

Yeah, how can you tell I'm the only one home....:lol:

I was wondering why you were having so much fun the last few days....although guess the oil pan wasn't 'fun' per say...:lol:

Thanks for the pic show that stiffening plate. That is bizarre; I've never seen anything like that. Oh to know what the engineers were thinking sometimes...like when they designed the 2LTE head to crack...F*ers.
 
Haha, I'm glad you figured out what he was doing...I was a little slow on that one...



I was wondering why you were having so much fun the last few days....although guess the oil pan wasn't 'fun' per say...:lol:

Thanks for the pic show that stiffening plate. That is bizarre; I've never seen anything like that. Oh to know what the engineers were thinking sometimes...like when they designed the 2LTE head to crack...F*ers.


I took the week off....I'll be ready to go back next week so I can rest...:lol:


And yes....it's all about the steam. :smokin:
 
Classic Barista...had two of them at one point...solid machines. Ifixit has good tutorials on how to clean/replace parts.

Now you have me worrying about my oil pan! I have something that plugs in and heats up but no idea what/where it goes. Some investigation is in the future I suppose. What exactly is the issue the heaters cause?
 
Classic Barista...had two of them at one point...solid machines. Ifixit has good tutorials on how to clean/replace parts.

Now you have me worrying about my oil pan! I have something that plugs in and heats up but no idea what/where it goes. Some investigation is in the future I suppose. What exactly is the issue the heaters cause?

Rust....they trap water / salt etc. Toyota oil pans are scary thin and hideously expensive....

and yeah its a decent little machine. Simple...and repairable. Had it for yeeeeaaars....:lol:
 
Bored at work, so it's ancient thread resurrection time.

I was debating which one to necrobump, this or Part A ( Actual cruiser content. )

Opted for 2015 over 2014....:bang:

Kinda funny reading old posts, and all the s*** that DIDN't happen...like just about everything mentioned...:lol:

61 keeps plowing along. still has rusty wheel wells and a steering wheel on the wrong damn side.

The previously mentioned house sized wrench did mess up most plans, but I finally had some spare mornings to carve up a front bumper for the winch I bought two years ago... which seems like a long time until I consider that I've been dragging this bigass lump of bent plate around to 4 different houses.

Means, I liberated it from the bushes behind that nanaimo welding shop back in the 90's. Fawk.

Reason enough to build the damn bumper, just so I never have to move that fxxxing thing again.



Anyways, new front porch/ beginnings of the meatplow.


About as tight as I could get it with an 8274. I prefer the lay down ramsey winches, and one would fit better on this truck, but, fxxxit. This is what I got's.





Been a while since I messed with this s***. I'm a bit rusty...my cuts with the zipdisc are about as straight as young steven after his 3rd beer.


If you squint in this pic you can see plan B lurking in the back. Same green piece of s*** I was once going to put a dubious 3b into, now sortof a 45 extra cab in case a tree falls on the 61...hence, plan B :grinpimp:



I should have it fairly close to done tomorrow. I found a stash of more than enough 5" flatbar under the woodpile, so I didn't have to buy anything or scrounge too hard for scraps to scab together.

The arctic wind off the pond made welding a pain in the ass, so I quit early today.

Working evenings this week so I have a few hours in the mornings, but welding without beer is fxxxing torture . I don't know how professionals do it all day...fortunately, I have a long weekend after tomorrow, so I'll be able to apply the proper amount of welding fluid :beer:
 
c'mon grow a set and cut into that front clip and stuff that winch up in there. You're just playing along with the rest of the 61/74 series folks and adding a front porch/plow on the front of that thing, whichever...
yeah yeah i know "its not like i wheel with it or anything..." so why even bother?(meaning you). Insert middle finger emoji here.
Look at all the fancy tools you've got in there! Damn, i even see a corded vacuum...
 
c'mon grow a set and cut into that front clip and stuff that winch up in there. You're just playing along with the rest of the 61/74 series folks and adding a front porch/plow on the front of that thing, whichever...
yeah yeah i know "its not like i wheel with it or anything..." so why even bother?(meaning you). Insert middle finger emoji here.
Look at all the fancy tools you've got in there! Damn, i even see a corded vacuum...

:lol: wheeling... fawk that noise...the LAST thing I want to do on a day off is get into a vehicle.

Ever added up the time you spend in a car commuting? Scary. Damn near 2 weeks a year for me.

Cuiser is a tool, winch just makes it more useful. I used my winch all the time on the 40/45 and 70. Just not for getting unstuck.

Its still shorter up front than your average 40, not worth the couple inches of approach I lose to make the grill a hatchet job.

How's the winch mount on that 4skinner coming? Remember where it is even? Or is it getting parted like your 70/4? :flipoff2:
 
Lovely. ..snowing like a motherfxxxer here...guess my deadline has moved up...:bang:



Censoring on the board is kinda funny, bleeps s***ty but allows that...:lol:
 
Last edited:
I'd like to take my bumper mounted winch off and build up a hitch insert for it. That way it could go on the front, rear, trailer or my 60. It just added weight and getting exposed to weather most of the time. like you I use it as a tool more than 4wheeling I think it would be even more useful this way.
 
I'd like to take my bumper mounted winch off and build up a hitch insert for it. That way it could go on the front, rear, trailer or my 60. It just added weight and getting exposed to weather most of the time. like you I use it as a tool more than 4wheeling I think it would be even more useful this way.

Yeah, that'd be handy, but I don't want to be picking up the winch every time I want to use it. It's only a couple hundred pounds of weight, a cruiser can handle it.

One of those smaller winches would be ok for popping into a receiver, 3500 lbs would be enough for most messing around, and a lot lighter for packing around.

You reminded me tho, I forgot about adding a receiver to the front bumper. I should have enough room on the left side of the winch, but that's for later.



Anyways, I got it mostly zapped together, ground off some of the sharp edges but the snow pouring down my neck was a tad unpleasant, not to mention welding through snow raises the difficulty level a touch, so it's good enough for now.

Despite the cryin' from the grumpy frenchman above ( Must be "little spoon" week in fort mac :flipoff2:), it doesn't stick out that far, and unlike the s***ty stock chome thing, it isn't hanging by two bolts. :lol:



 
Last edited:

Users who are viewing this thread

Back
Top Bottom