1975 FJ40 Signal and Flasher Weirdness HELP PLEASE

This site may earn a commission from merchant affiliate
links, including eBay, Amazon, Skimlinks, and others.

turbodog56

SILVER Star
Joined
Aug 22, 2022
Threads
9
Messages
45
Location
Oklahoma City
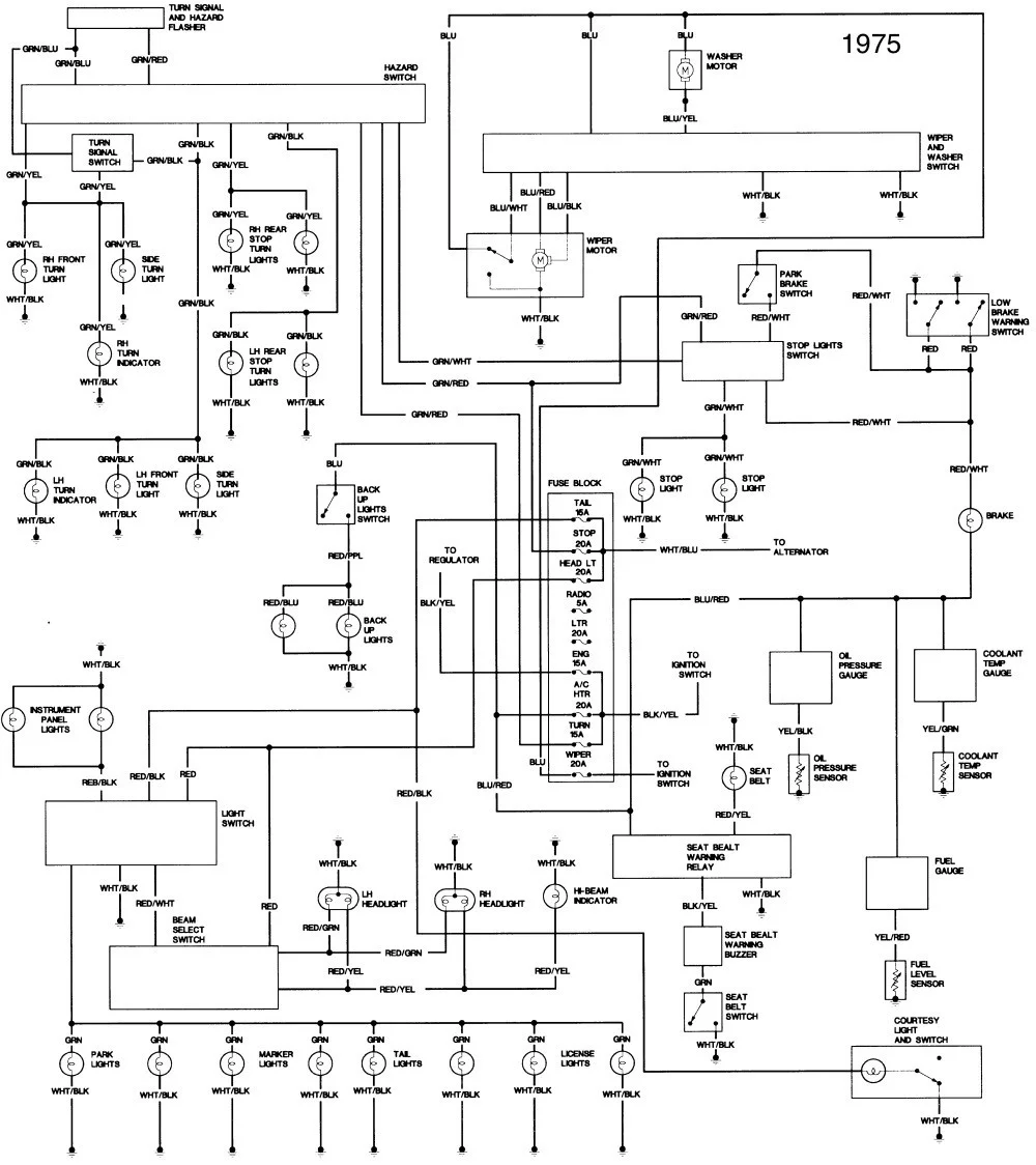
June 1975 FJ40

I've got some weirdness that I'm trying to solve. PO took a shortcut and wired around the original flasher plug and added another direct wired to the turn signal switch.

I am attempting to clean up this work. I replaced the weird wiring with a current flasher plug as seen in pics (driver side footwell)

Current situation:
1) Hazard switch works with flasher plug, but only passenger side lights up - driver side is dead

2) Turn signals - currently dead - signals don't light up on cluster or on the signal indicators front or rear. Turn signal stalk not getting power (shown as "+") in attached picture.

I can direct wire a flasher plug in line with the "+" signal and turn signals will all work correctly.

Where would you suggest looking to find a break in why power isn't getting to the signal switch on steering wheel? I'm assuming power needs to come from the flasher on driver side footwell. I can't understand why half of hazard switch and flasher is working but other areas explained above aren't.

As a point of reference, arrow is pointing toward steering wheel (Power out)
H is horn
+ is power (currently dead)
R is right lights
L is left lights

Any help would be greatly appreciated!!!

1975 FJ40 Wiring Diagram.webp


Pic 1.webp


Pic 2.webp


PIc 3.webp


Pic 4.webp
 
All of these signal go through the hazard warning switch connector, and this is usually the source of all evil.
Try cleaning the hazard switch connector, and then jiggle the hazard switch in and out a few times to clean up the contacts.
 
Firstly, check for 12V at both Green-red feed wires - note that they're fed by different fuses.
Second, turn on your hazards, and check for the switching voltage on the outputs green-black and green-yellow.
Third, check that all green-blue wires are connected together. They are connected by the switch as I recall, so the diagram is slightly wrong.

Usually you won't need to pull the switch out of the dash.
 
Firstly, check for 12V at both Green-red feed wires - note that they're fed by different fuses.
Second, turn on your hazards, and check for the switching voltage on the outputs green-black and green-yellow.
Third, check that all green-blue wires are connected together. They are connected by the switch as I recall, so the diagram is slightly wrong.

Usually you won't need to pull the switch out of the dash.
Got it! I'll work on it later today. Thanks for the suggestion!
 
Back
Top Bottom