(Yet Another) Speedo correction thread - Do you like yours?

This site may earn a commission from merchant affiliate
links, including eBay, Amazon, Skimlinks, and others.

Joined
Sep 1, 2018
Threads
25
Messages
608
Location
Colorado
Hello all - I'm not thrilled with the performance of my current speedometer correction device, so figured I'd ask if anyone has found something that works better. The answer may be no, but is worth a shot.

I'm running 33" tires on a slightly lifted AHC equiped LX470.

I've currently got a yellow box version 4 (the box with the push buttons on the edge) and it works okay, but has introduced some weird behavior on occasion that really annoys me.

First, there is a very noticeable lag in real vehicle speed vs reported speed to the ECU and/or dash, particularly at low speed. Sometimes, this seems to force a rapid shift into second or third as the speedo stays still at say 5 mph, the suddenly jumps to 9 or 10.

Second, when using cruise control on the interstate, it seems to cause abrupt downshifts into fourth whenever climbing even relatively minor inclines. I think what's happening is the update rate causes the car to see steady speed/steady throttle for a time after we start climbing; then, all of the sudden, the speedo drops 2-3 mph and the cruiser system stomps the gas to compensate, and we drop a gear. I've taken to just switching off cruise control whenever I go over an overpass to avoid the downshift for no reason.

Neither of these was a problem before I added the yellowbox. I realize there needs to be a certain period of 'gathering data' before a correction can be applied, but I do stuff like this for a living, and this update rate seems way too slow. Just wondering if any other systems work better than the Yellow Box.
 
I've had little annoyances with my YB, but can't say I've had the same issues. Currently, mine is inconsistently accurate. Sometimes it's dead-on, sometimes it's 3-4 mph off at highway speed. I did have an issue with a previous (now replaced by vendor) YB, where my speedometer would just die all together. The only fix was to unplug the YB and reinstall factory wiring. Off, but at least consistent.

I'd be interested in an alternative to the YB as well.
 
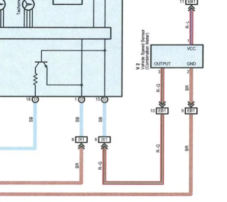
My solution, to avoid some of those potential issues, was to install the yellow box between the ECU and the gauge cluster.

The benefit/drawback of my install, is that only the gauge cluster (speedometer/odometer) is “corrected” by the yellow box, the other ECU systems are uncorrected and unaffected.
 
I've had little annoyances with my YB, but can't say I've had the same issues. Currently, mine is inconsistently accurate. Sometimes it's dead-on, sometimes it's 3-4 mph off at highway speed. I did have an issue with a previous (now replaced by vendor) YB, where my speedometer would just die all together. The only fix was to unplug the YB and reinstall factory wiring. Off, but at least consistent.

I'd be interested in an alternative to the YB as well.

Interesting. Mine has certainly been reliable as a rock, no problems with inconsistency or cutting out. Just not nearly OEM like performance either.

My solution, to avoid some of those potential issues, was to install the yellow box between the ECU and the gauge cluster.

The benefit/drawback of my install, is that only the gauge cluster (speedometer/odometer) is “corrected” by the yellow box, the other ECU systems are uncorrected and unaffected.

How did you do that? Spliced in behind the glove box? Does that signal control the odometer as well, or just the speedometer? Might be a good option.
 
How did you do that? Spliced in behind the glove box? Does that signal control the odometer as well, or just the speedometer? Might be a good option.

Yep spliced in-line behind the glovebox, and tapped into a nearby 12v & Gnd.

Speedometer & odometer both receive the updated/corrected signal from the yellow box.

A couple of the threads I looked at to do the install (and a good bit of time looking at the EWD, to make sure I had the right wire):



The other non Yellow Box options that my kid liked in his vehicle were:

1) A Scan Gauge mounted on the steering column with the correction factor entered into the Scan Gauge.

2) Running Waze (or other navigation software) on an Android based head unit, with the GPS speed display turned on, and the “speed alert” set for 5MPH over the speed limit.

The one option that I was fine with, but my kid was not, was the mental calculation of “speed = speed * 1.05” (75mph on the speedo is ~78.75 on a policeman’s radar/lidar gun)
 
Last edited:
My Yellowbox has worked fine for me. Always accurate. There is a very brief lag in speedometer when starting out but it hasn't been an issue for me. I've read about surging cruise control but haven't had that either. I haven't noticed any shifting issues with mild grades that was any different than before I installed it. I think more of the difference in shifting on uphill grades for me had to do with going to bigger, heavier tires (33" KO2's).

Overall, I'm happy with the Yellowbox because it drove me bananas to have the speedometer not accurate.

Chris
 
Bumping an older thread.
I came here looking to verify that an accurately dialed in Yellow Box corrects both the Speedo and the Odometer. I think it does, but wanted to make sure, as I am trying to calculate accurate MPGs. Then I remembered a simple test: I can just unplug the speed sensor from the transmission and see if the odometer changes. I just now walked outside and did this. It took a whopping 860 seconds, and I can verify that the odometer does not register distance when the speed sensor is unplugged from the transmission, indicating that the Yellow Box does correct both the Speed and Odometer on my 1999 LandCruiser.

Helpful info from article you linked to: "Pay special attention here: You are looking for a Red/Green wire on pin 6 of the IX1 connector. There is a Red/Green wire on pin 7 as well, so make sure to get the right one. "
...5 minutes ago I was considering going through the extra effort of re-wiring my Yellow Box in the above described manner, hoping to ensure accurate odometer readings. However I've had my Yellow Box plugged in for about 15,000 miles with no perceivable issues, and now that I've verified my odometer's signal is being corrected there is no reason to to the extra cutting and splicing.
 
Back
Top Bottom