UPDATED: Tail light help

This site may earn a commission from merchant affiliate
links, including eBay, Amazon, Skimlinks, and others.

Joined
Mar 20, 2015
Threads
19
Messages
87
I did a search but on my phone it's a little harder. The running lights quit working on our 99LX470. The fuse blows immediately when replacing it. Brake lights, reverse lights, headlights and fog lights all work.

I took the tail lights off and all wiring is good and not sure they had ever been off. Bulbs looked good but sometimes hard to tell.

If anyone has experienced this or knows a thread that would I would greatly appreciate it. I can't have my so. Driving around with no tail lights. Going to let him drive my cruiser a few days until I figure it out.

Thanks in advance!
 
Update: replaced all 4 bulbs in the rear. All other lights work. Turn, reverse, dash, brake, headlights high and low, driving/fog lights. As soon as you turn lights on the fuse blows. We have aftermarket headlights but they have been in for over 2 years with no issues and we have not recently done any work to the car.

Any help?
 
Check the sockets to make sure a bulb wasn’t inserted improperly or has water in it causing a short or corrosion causing high resistance or melting a socket. Especially the fronts. Otherwise you will need to get out your volt meter or test light and trace the circuit.
 
Check the trailer wiring converter box, if you have trailer wiring.
It’s a little dohickey that converts the signal for trailer lights.
Sometimes shorts out.
Look above spare tire. Zip tied or double sided taped in there somewhere.
 
Check the sockets to make sure a bulb wasn’t inserted improperly or has water in it causing a short or corrosion causing high resistance or melting a socket. Especially the fronts. Otherwise you will need to get out your volt meter or test light and trace the circuit.
Rears were all dry. I'll check the fronts but the LX has its own fuse for the taillights as all other lights work.
 
Check the trailer wiring converter box, if you have trailer wiring.
It’s a little dohickey that converts the signal for trailer lights.
Sometimes shorts out.
Look above spare tire. Zip tied or double sided taped in there somewhere.
Ok thanks, it does have trailer wiring but we have never used it on the LX. Once it quits raining I'll get under there. It won't fit in the garage.
 
It is the aftermarket lights and the wire plug in it. Install one headlight and check, if it is good, then remove and install the other and check. There should be only one short circuit: Do not install any higher A fuse. When one DRL light builb is blown then the other DRL won't work.
Also check any water intrusion to the fuse box located by the driver kickpanel.
 
It is the aftermarket lights and the wire plug in it. Install one headlight and check, if it is good, then remove and install the other and check. There should be only one short circuit: Do not install any higher A fuse. When one DRL light builb is blown then the other DRL won't work.
Also check any water intrusion to the fuse box located by the driver kickpanel.
Ok I'll give that a shot too. I hate wiring, so much relies on something else.
 
the tail light fuse.
check what else is on the circuit. It's not just the rear lights.
check sockets and bulbs, some of those might be dual filament. I don't know the 99-03 as well as the 04-07.
if you've replaced only bulbs in the rear then I'd guess it was a bulb in the front of the dual filament type.

if you're not a volt meter or wiring book type of person I'd take all the bulbs out-all, and install one by one until the fuse pops again.

assuming you replaced rear bulbs, assuming tail light fuse pops when the stalk is turned from off position to first position.

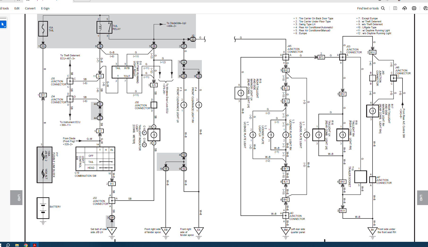
this should be 99-02 tail relay+components.
pdf attached below.

1707737738029.png
 

Attachments

the tail light fuse.
check what else is on the circuit. It's not just the rear lights.
check sockets and bulbs, some of those might be dual filament. I don't know the 99-03 as well as the 04-07.
if you've replaced only bulbs in the rear then I'd guess it was a bulb in the front of the dual filament type.

if you're not a volt meter or wiring book type of person I'd take all the bulbs out-all, and install one by one until the fuse pops again.

assuming you replaced rear bulbs, assuming tail light fuse pops when the stalk is turned from off position to first position.

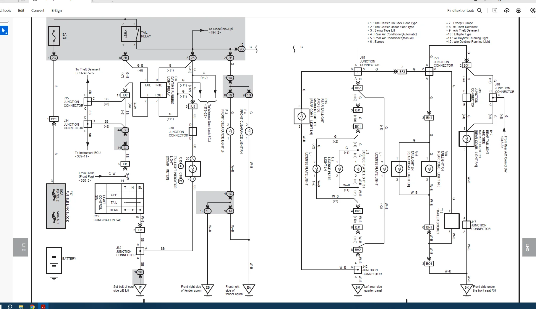
this should be 99-02 tail relay+components.
pdf attached below.

View attachment 3556527
Just an update:

Disconnected all front lights and fuse pops immediately. Going to disconnect rear and tow harness and try that as well one by one.
 
Another update. I pulled the left rear tail light out to check the tow converter and inspected the rear tail light bulb again. Upon inspection I noticed they sent me the wrong bulbs. It was a single filament bulb and not a dual filament. Now that I think about it and after looking at photos, the old bulbs I pulled out may have had all of the second filaments burned out. I will check it all again tonight and pick up some more bulbs and get a refund from Amazon on the others. I ordered a bunch since I have two 100 series and seems logical.....I know, cheaper is not better 99% of the time.

Still need to figure out what caused them to blow if in fact they are. Thanks for all the advice. Electrical is not my strength so I have to take baby steps. So much harder than just replacing a radiator or power steering pump. I consider that easy compared to wiring. My mind just does not work that way.
 
UPDATE: Worked on the LX for about another hour. This time I hooked up an led light that i plugged directly in the the fuse port that kept blowing so that I could keep the circuit connected. We connected and disconnected everything with no results. I also replaced the headlight column switch just in case. I also tried to wiggle everything I could find related to the lights and at no time did we see the tail lights come on. I thought when I hooked up the LED light and kept the circuit connected the rear lights would come on but they did not.

I am out of ideas unless you guys can recommend something. It is too dangerous to drive at night and it will have to go in the shop this week. I am just not good with electrical. I am open to any thoughts or ideas.

The only thing I have not checked that I am not sure is related is we replaced the stereo right after Christmas with directions and a wiring diagram from this site. It all works perfectly but maybe this has something to do with it. I can't read wiring diagrams very well so if anyone sees this on there please let me know.

Thanks
 
Like before, if you can't take out all the bulbs and go one at a time, including a trailer harness with bulbs then you're stuck.
Unplugging the harness does not check the socket or the bulb.
All those light sockets are pretty low hanging suspects and easy faults.
Same with trailer socket wiring.
 
Like before, if you can't take out all the bulbs and go one at a time, including a trailer harness with bulbs then you're stuck.
Unplugging the harness does not check the socket or the bulb.
All those light sockets are pretty low hanging suspects and easy faults.
Same with trailer socket wiring.
Ok just so I understand and appreciate your patience. Take out all the bulbs and not just disconnect them? I did take the rear bulbs out and replace with all new bulbs. There were two bulbs that did appear to be blown but the new ones did not help.

I think I do have an extra trailer harness that I can wire up some led lights to see if it is functioning as well.

With all the bulbs removed would I start at the rear and put in a bulb to see if the fuse blows or if the tail light comes on? I did this when I unplugged them all but I did not remove all the bulbs. I assumed as is not always correct, that by unplugging them all that if a socket was bad I would get the same result.

Thanks again, this is a learning process for me and I have printed out the wiring diagram to try and make more sense of it.
 
Look around under the truck after removing the spare for the trailer wiring signal converter.

 
Look around under the truck after removing the spare for the trailer wiring signal converter.

I have found this and disconnected it. I have not replaced it
 
👍🏽
Pehalps make sure the plug for it doesn’t have any conductive junk in it.
Did you check the wiring in the tailgate that gets “hinged “ every time it gets opened and closed?
Could be shorting there…
 
👍🏽
Pehalps make sure the plug for it doesn’t have any conductive junk in it.
Did you check the wiring in the tailgate that gets “hinged “ every time it gets opened and closed?
Could be shorting there…
Actually I have not but I have rewired this before as it was causing my car to lock on its own when I would open and shut the tailgate. I will check it again.
 
After doing as much as I could and not being that great at electrical I took the LX into the shop as I needed the A/C compressor looked at anyway as it was getting warm again and my son doesn't understand rolling down windows like I do every day, not to mention when I even drove vehicles without A/C growing up. However, it needed some work so I asked them to check the tail lights not working.

I went through everything I had done and referenced all the good info provided to me from everyone and left it at that. The next day they called me and said it was ready???

When I picked it up they said the tail lights would stay on about 20 to 30 seconds and then the fuse would blow. After that they said they smelled burning plastic or wiring and finally found the DIMMER SWITCH on the dash bezel was completely melted and smoking.

Well that is the only thing I had not disconnected as I did not realize even if mentioned in this thread would even be related to my issue since the dash lights all worked. My guess is they put in a larger than 15 amp fuse and that made the lights stay on and then finally allowed the switch to burn up since the fuse was not blowing. Not that smart but it is just my guess since I had spent so much time on it and never got any plastic burn smell.

That switch is $170 online but the dash lights work without it and I found a used one on ebay with a 30 day warranty if it does not work for $23. Figured that was worth a shot.

So the moral of the story is when you disconnect all the lights to single out what is not working, don't forget that dimmer switch!

Thanks again for all the help. I just ran out of patience and time and could not let me kid keep driving at night with no tail lights.
 
Back
Top Bottom