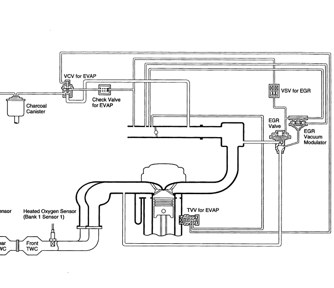
Throttle Body / Intake Vacuum Ports for EGR

This site may earn a commission from merchant affiliate
links, including eBay, Amazon, Skimlinks, and others.

Joined
Apr 12, 2018
Threads
94
Messages
328
Location
San Jose
Hey All,
I'm tracking down a P401 insufficient EGR issue. I've followed the FSM to check for vacuum at the EGR valve during cold/warmed up at 2500 rpm as well as moving the vacuum line from the modulator to the vacuum circuit. I did not see vacuum at the EGR valve in any of those conditions. The next test in the FSM (connecting the EGR valve directly to vacuum) resulted in the correct stalling of the engine since the EGR valve opened.

From there I tested the EGR modulator per the FSM (blowing air thru it and verifying it comes out the vent at the proper times). That passed as well. I was a bit surprised at this since I was not able to get the EGR valve to open when I connected the modulator port to directly vacuum in the FSM test. Does that indicated a failed modulator?

So based on that it would seem the EGR circuit on the exhaust gas side is working. The line from the VCS has been pinched off to isolate it as not the problem.

During this testing I noticed the two lines that go from the intake/throttle body to the EGR modulator valve both have no vacuum. Is that correct? I would seem one of those needs to supply the vacuum to open the EGR valve. However from the schematic in the FSM it seems to show both those lines are ahead of the throttle valve. To try to understand it better, I probed a few lines with my vacuum gauge and saw there are a couple lines that don't pull vacuum. Can someone clarify what ports should have vacuum present at them? I suspect I have a plugged port somewhere that is causing my issue.

Picture1.webp


Screen Shot 2012-05-11 at 10.26.03 PM.webp
 
Two small ports from throttle body to egr vac modulator should have vacuum. One port is on one side of the butterfly/throttle plate and the other port on the other side of that plate. As a result one should have pretty constant vacuum and the other will be more variable.

The way that I clean those is to gently twist the brass elbows out and then use a mixture of carb cleaner and a bit of welding wire to dig out the crud and push the small orifices clear. The orifices are much smaller than the inner diameter of the elbows so are hard to clear unless you access them from inside the TB or remove the elbows. The elbows are press fit into the TB and a gentle twist/pull then twist/push should make removal and reinstall pretty straightforward unless they have seized up.

I like working from the TB over to the EGR VSV as I troubleshoot this system, and it sounds like once you get vacuum flowing that you'll be on to the final part of the circuit and the EGR VSV in your troubleshooting.

Good luck.

edit: per your diagram it looks like I misspoke on the placement of the TB vac. ports. I remember them as being each side of the throttle plate and showing different vac. in certain conditions, the same in others, but it's been a few years since I last was really working on those so I may have it mixed up...
 
@motormayhem

Also, test the vacuum on the two throttle body, EGR ports over a range of rpms. Even if unclogged I don't think that both will show vacuum at idle.
 
This port (circled in yellow) going into the plenum was plugged up on me once before. It’s worth checking.

IMG_7103.webp
 
If all else is well and the pass-through circled in yellow above is clogged you'll get PO402 codes for excessive flow. It is a common source for clogs and by the time it's clogged up I wouldn't be surprised if the two throttle body ports were clogged also since they are much smaller.
 
@motormayhem

Also, test the vacuum on the two throttle body, EGR ports over a range of rpms. Even if unclogged I don't think that both will show vacuum at idle.
Good call on this. They showed no vacuum at idle, but as soon as I hit the throttle they showed some and were slightly different (like you said). I was able to confirm vacuum at all ports. Not sure how I didn't get any readings last night.

I re-ran the test this AM and was able to get the correct readings only when I pinched off the line to the VSV. I checked continuity on the VSV electrical connector and it's open. So it looks like the VSV failed. I pulled the intake this afternoon and will give everything a cleaning and replace the valve/hoses under there.
 
I got the egr working after replacing the VSV and re-doing the lines under the intake. When I was testing it out after re-installing everything I still couldn’t get the vacuum readings the FSM says at 2500rpm unless I pinched the line to the vsv.

Since one of the steps in the fsm is to connect the Toyota diagnostic tool, maybe egr needs to be commanded for that test? I confirmed I was not getting 12v at the VSV connector as well. Regardless, as soon as I took it for a drive the egr readiness monitor set and you could smell the new header wrap getting hot on the EGR pipe. So all is in working order again.
 
Back
Top Bottom