Pls HELP Check VSC System ABS and ABS Alarm sound

This site may earn a commission from merchant affiliate
links, including eBay, Amazon, Skimlinks, and others.

Joined
Sep 6, 2008
Threads
132
Messages
422
Hi All

Have a 2011 LC 200 with 118 K Miles on it. Wife was driving it today with our 4 young children.
I happen to be on travel but got the emergency calls from her.
Check VSC light, ABS light and ABS Beep Sound came on as she was driving downhill. It happened after our daughter waited in the car and opened from inside as it was locked and alarm came on although these issues are unrelated.
She claims to had lost brakes almost totally but luckily they were on the flat highway and could stop safely.
Thank God she could stop safely and no on was hurt.
I am taking it to the shop tomorrow via two truck.

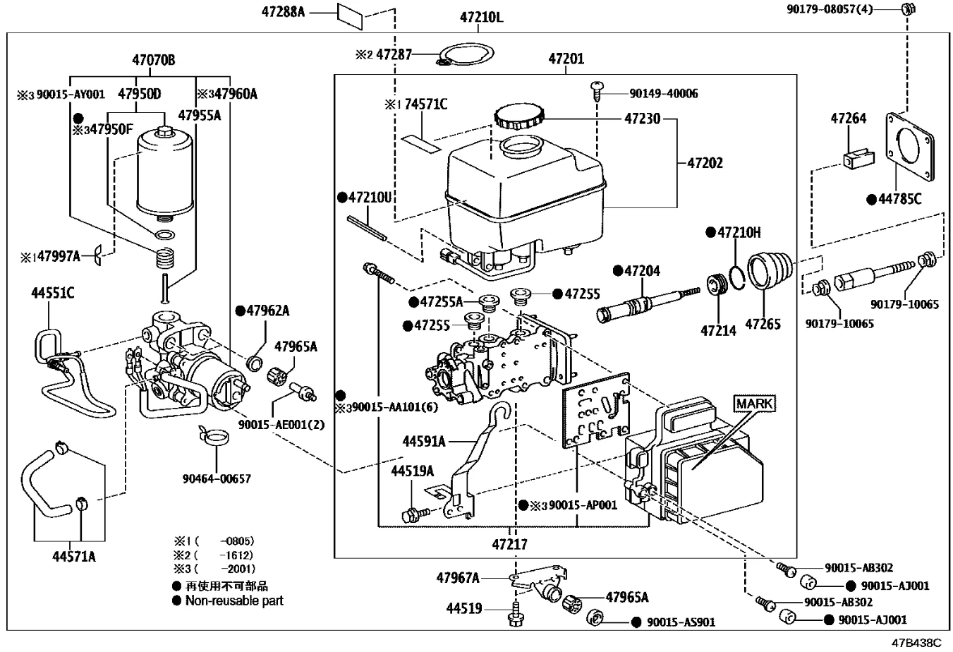
Am i looking at the brake booster motor or the full unit ?
I find it very strange with Toyota Known solid Reliabiliy. My maintenance services have been on time.
My brake fluid is clean and has been changed.

Please advise.

Thank you

Jay
 
Brake booster failure is rare on the 200s. Post back with what the shop reports. Was the brake fluid change recent?
 
Brake booster failure is rare on the 200s. Post back with what the shop reports. Was the brake fluid change recent?
Brake Fluid was done 4 months ago.
 
Electronic brake booster issues are rare but not unheard of. Lexus has been using them for decades and Toyota has them now on most mainstream vehicles. As a complex mechanical system, they can have issues. There have been rare cases on the 200-series.

The alarm is the ABS accumulator dropping below a critical pressure threshold.

This may require a whole ABS unit replacement. Just a likely is replacement of the accumulator or booster motor subcomponent which is the more common failure mode. Let the dealer pull the codes and advise on how to proceed.

This would also be a good time to refresh on how to perform emergency braking via e-brake and possibly downshifting.
 
1700414166421.webp


1700413815575.webp


1700413906892.webp
 
Electronic brake booster issues are rare but not unheard of. Lexus has been using them for decades and Toyota has them now on most mainstream vehicles. As a complex mechanical system, they can have issues. There have been rare cases on the 200-series.

The alarm is the ABS accumulator dropping below a critical pressure threshold.

This may require a whole ABS unit replacement. Just a likely is replacement of the accumulator or booster motor subcomponent which is the more common failure mode. Let the dealer pull the codes and advise on how to proceed.

This would also be a good time to refresh on how to perform emergency braking via e-brake and possibly downshifting.
Thank you. Did not expect it to happen with high reliability of Toyota especially in critical components like brake. What do you mean by e brake ?

Could it be faulty ABS sensors or electrical issue ?

Truck has only 120 k miles ( 2011). Pulling the codes tomorrow.
 
In case i need to buy the pump assembly brake booster which online shop do you recommend ?
 
Thank you. Did not expect it to happen with high reliability of Toyota especially in critical components like brake. What do you mean by e brake ?

Could it be faulty ABS sensors or electrical issue ?

Truck has only 120 k miles ( 2011). Pulling the codes tomorrow.

Could be anything but symptoms sound like something to do with the accumulator. Other ABS/electrical would not result in an audible alarm.
 
Could be anything but symptoms sound like something to do with the accumulator. Other ABS/electrical would not result in an audible alarm.
Had the mechanic put the teachstream on
Accumulator issue and brake booster pump motor.
Ordered the parts 47070-60060 should be in a couple of days.

Any reason behind the early failure ?
I always tested the brake fluid with the moisture testet ( 2 methods) and had the brake fluid flushed recently foe the first time.

Mechanic tells me he does see these accumulator failing on FJ s, LC 100, Prado and even LC 200.

f689f212-9ffd-4aed-9e64-7f58dbe8cc53.webp
 
Had the mechanic put the teachstream on
Accumulator issue and brake booster pump motor.
Ordered the parts 47070-60060 should be in a couple of days.

Any reason behind the early failure ?
I always tested the brake fluid with the moisture testet ( 2 methods) and had the brake fluid flushed recently foe the first time.

Mechanic tells me he does see these accumulator failing on FJ s, LC 100, Prado and even LC 200.

View attachment 3486898

Can't name a reason other than sometimes that's how dumb luck works out. The recent service may have dislodged some contamination or had nothing to do with it.
 
Can't name a reason other than sometimes that's how dumb luck works out. The recent service may have dislodged some contamination or had nothing to do with it.
How often are you changing brake fluid ? I was going by the digital tester and paper strip test.
We can only find DOT 4 mostly in our market and it looks to be OK replacing DOT 3 since it supersedes it.
When we flushed it out oil was still relatively clean per the brake fluid testers. The source where i got the parts mentioned this an item he sells for LC 200.
 
Back
Top Bottom