is there a thing over there that might be shorting?

This site may earn a commission from merchant affiliate
links, including eBay, Amazon, Skimlinks, and others.

Joined
Dec 5, 2021
Threads
9
Messages
56
Location
pasadena CA
Working on a new problem today,

1984 FJ60 4spd

Reverse lights suddenly quit working.
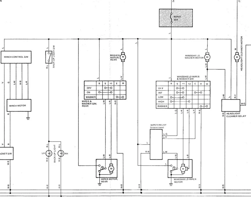
Frustrating trying to find the reverse light circuit on diagrams. Or even which fuse, if any, powers the back up lights.

SO, when I turn key to on and shift into reverse I can hear ZZZZZZT coming from under the passenger side dash. I cannot see any light show under there when I do this in the dark. I was hoping it would be a "simple" visual ID. Is there a relay or something under there that might fail and cause my back up lights to quit?

I'll be searching for shorted wiring tomorrow as I have time.

thanks
 
Working on a new problem today,

1984 FJ60 4spd

Reverse lights suddenly quit working.
Frustrating trying to find the reverse light circuit on diagrams. Or even which fuse, if any, powers the back up lights.

SO, when I turn key to on and shift into reverse I can hear ZZZZZZT coming from under the passenger side dash. I cannot see any light show under there when I do this in the dark. I was hoping it would be a "simple" visual ID. Is there a relay or something under there that might fail and cause my back up lights to quit?

I'll be searching for shorted wiring tomorrow as I have time.

thanks
Usually the buzz indicates a bad relay. Check those first.
 
Working on a new problem today,

1984 FJ60 4spd

Reverse lights suddenly quit working.
Frustrating trying to find the reverse light circuit on diagrams. Or even which fuse, if any, powers the back up lights.

SO, when I turn key to on and shift into reverse I can hear ZZZZZZT coming from under the passenger side dash. I cannot see any light show under there when I do this in the dark. I was hoping it would be a "simple" visual ID. Is there a relay or something under there that might fail and cause my back up lights to quit?

I'll be searching for shorted wiring tomorrow as I have time.

thanks


typically the GHETTO white or blue color Torpedo connectors , either device side or harness side get oil soaked , and crumble to moon dust

.




1698835596998.webp
 
Usually the buzz indicates a bad relay. Check those first.
I've heard relay buzz plenty. This sounds like a wire shorting. Plus it's not coming from the relay area where all the other lighting relays are. It's more behind or above the heater box above the passenger knees. That's why I wonder if there's anything other than wires up there that might make noise.

I'm going to tear into it today and have a look. I suspect some old wire got wiggled too much while new stereo and power antenna were being installed.
typically the GHETTO white or blue color Torpedo connectors , either device side or harness side get oil soaked , and crumble to moon dust

.




View attachment 3470214
I checked the plugs and have recently replaced the backup switch for new aftermarket.
I am, however, missing the pigtail that apparently plugs from trans and transfer into 1 plug for the harness. Previous owner bypassed this and has all 4 leads going into the harness directly. I assume that's using the harness end plug of the missing pigtail.
I'd love to buy this 2 into 1 harness off someone here.
I've checked this connection and nothing is weird physically there.
 
I chased a gremlin for a while in my 60 several years ago. Turns out someone installed an in-line fuse with a stereo system that was long gone. I found several of them. I also found those old school clamp on splicing things. Not sure what they’re called, but they clamp onto the wire and cut into the copper allowing you to splice into a wire without doing real work. Man those things were a nightmare and I suspect there may be more of them in my rig.

Hope you find the source of your irritation!
 
Latest development.

I disconnected the negative ground to the battery. Multimeter test for capacitance between battery positive and body.
I get a clear tone meaning I have a short somewhere in there. hopefully this is centralized under the dash where is hear the zzzzt sound.

still searching
 
And after typing that up there ^^^

No more buzzing zzzzt sound when i shift to reverse.
INSTEAD the Wiper 20amp fuse pops when i shift into reverse.
I disconnected the wiper motor plug and still happens.
Starting to pull the heater box to get a better view of the wires over there in the passenger side of things.
I am sorely tempted to unplug the backup lights and roll but I know something more is going on and I need to fix it properly.
 
Disconnect the wipers, headlamp, front and rear to start then test just the reverse lamp switch. See if it pops fuse.

Plug it all back in, disconnect reverse lamp switch ONLY. Test and see if fuse pops. Report back.

Or test each circuit and if it stops popping with one disconnected, you've found your circuit. Sounds like the short is on the reverse circuit so I'd look at the reverse lamp switch on trans and/or replace.


1698870253206.png
 
Back
Top Bottom