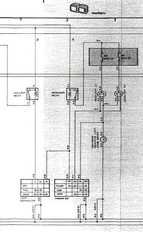
Several weeks ago I purchased a headlight wiring kit from Daniel Stern Lighting for my FJ60. The kit either didn't come with instructions or I have lost them over the past few weeks. I sent an e-mail to Daniel Stern and I'm sure he'll get me on the right track. But given it's the weekend and the holidays, I am too anxious to wait for his response.
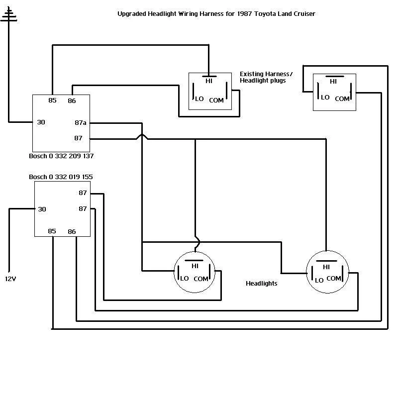
So I tried to create my own wiring diagram specific to an FJ60. There are several diagrams for an FJ62, but that uses an additional relay and each has their own little changes. So here is my attempt and I would love to hear your thoughts as to whether it is accurate (so I can start wiring it up!). Try not to drool over my MS Paint skills.
EDIT: The headlight socket layout below is WRONG (LO and High are reveresed)
So I tried to create my own wiring diagram specific to an FJ60. There are several diagrams for an FJ62, but that uses an additional relay and each has their own little changes. So here is my attempt and I would love to hear your thoughts as to whether it is accurate (so I can start wiring it up!). Try not to drool over my MS Paint skills.
EDIT: The headlight socket layout below is WRONG (LO and High are reveresed)
Last edited:
