Wanted FJ60 Full Tool Kit (1985 FJ60)

This site may earn a commission from merchant affiliate
links, including eBay, Amazon, Skimlinks, and others.

Joined
Jul 23, 2024
Threads
16
Messages
76
Vehicle Model
  1. 60 Series
Location
Montana United States
Looking to purchase OEM full tool kit with bag, jack tools, hand tools. I have the bottle jack but would consider a second. Thank you.
 
here are some quick pics, IIRC 1985 should be located under the driver seat?
I've got the screwdriver and other wrenches somewhere, just need to find them

DSCF5741.webp


DSCF5742.webp
 
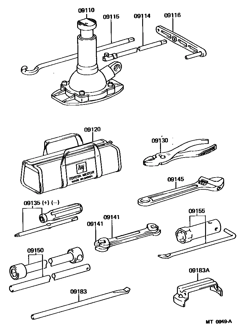
Robbed these off the net. Only thing I remember different is the jack handle was three rods and a handle. Two short straight section and one with a hook. Second diagram also doesn't have clip for the two wrenches. Like @3_puppies I have some of these these same rods. My FJ62 tool kit is original to the vehicle. It has the three rod setup. The rods fit inside the tool bag, a longer rod would not fit.
MT0457I.webp
MT0949A.webp
 
Here is the complete original kit in my FJ62. Notice the handle for the jack is made from a rod not a stamped piece with a small rod attached. Also the rod for the spark plug does not have a flattened spoon at the end. Not sure I've seen one with it flattened.
PXL_20240728_183632979.MP.webp
 
@Living in the Past
John, the late 60 and 62 have the tool kit in the rear, so the extensions are the short ones as shown, the early 60's had the kit under the seat and it had a longer hook and extension, I think they just clamped to the floor.
I thought there were 3 wrenches?? 8-10, 12-14, 14-17?? maybe it is only the 2 smaller ones
I also have some different length hooks and extensions, maybe from 55's?
I don't remember seeing a spark plug rod with spoon.
Not sure when the lug wrench went to the 1 piece versus the 2 piece design.
I was thinking the change of bag to pouch was when it moved to the rear versus under the seat??
I noticed your crank handle is round rod versus the stamped plate, wonder when that changed??
I know the early cranks were cast, 1960's-70's, wonder if that is when the color change happened also from yellow to brown??

DSCF5743.JPG
 
AWESOME! Are you willing to sell a complete tool set (hand tools and tire tools)? I have the jack.

I sell stuff, just need to figure out what tools are supposed to be in the kit and which hook and extensions are needed.
where in MT are you?
 
Hey, I too am needing a kit. I would like to find a kit for my sons FJ80. Anyone have one?
Thanks!
 
Back
Top Bottom