Follow along with the video below to see how to install our site as a web app on your home screen.
Note: This feature may not be available in some browsers.
This site may earn a commission from merchant affiliate
links, including eBay, Amazon, Skimlinks, and others.
Cool! I checked in my holder and the fuses were blown. What value should I replace them with? No wonder my gauge didn't seem to work.

Noproblemmo

and thanks to you I found that my BJ40 has those fuses too Drew. (Previously I had thought that perhaps my BJ40 was different and didn't have them!)
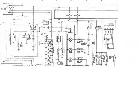
View attachment 257313
View attachment 257314
![]()
Is there a shunt in your system (not short)?
For some reason all my power from the alt runs through the amp gauge then to the fuse block.


I get jealous every time I see your engine Tom. Did you relocate your fuel filter or has it always been on the battery tray?
Is there a shunt in your system (not short)?
For some reason all my power from the alt runs through the amp gauge then to the fuse block.
On '79 and up, the fusible link serves as an external shunt. On earlier cruisers, all the current passes through the meter in the dash, which has an internal shunt. When the fusible link shunt blows or gets corroded, the fuses blow to protect the meter.
My fuse are ok and never saw that thing move, IMHO it is useless and use a ,do not know what to do, spot on the cluster.
Perhaps yours is broken or you are not familiar with how they work?
When everything is normal and the truck is running the needle points straight up at zero, indicating that the battery if fully charged and the alternator is supplying all the chassis power.
To test it, just turn on all the lights and honk the horn. The needle should deflect to the left, indicating the power drain from the battery. Once you start the engine, it should deflect right as the battery charges and then return to zero.
Perhaps yours is broken or you are not familiar with how they work?
When everything is normal and the truck is running the needle points straight up at zero, indicating that the battery if fully charged and the alternator is supplying all the chassis power.
To test it, just turn on all the lights and honk the horn. The needle should deflect to the left, indicating the power drain from the battery. Once you start the engine, it should deflect right as the battery charges and then return to zero.