I thought I would post this for posterity…
My passenger-side power window stopped working on my 1994 HDJ81 (RHD). Neither the switch on that side, nor the master switch on the driver's side, would make it chooch. I figured relay or motor. It sometimes went down, and rarely went back up.
But no, it was much simpler: the passenger-side switch was fubar'd on the inside, replaced it with a spare I happened to have from a previous truck and voila!
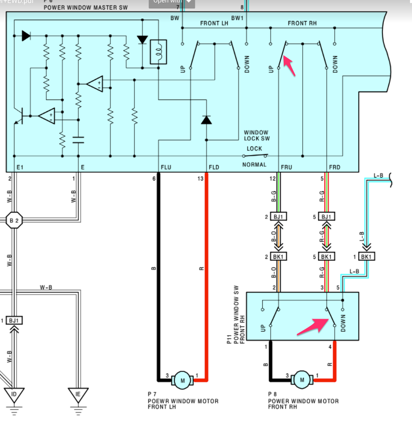
I took the time to examine the EWD (which is backwards), which led me to the proper cause:
Notice that the wiring causes neither switch to work, if either of them do not properly close the circuit when at rest. For the passenger side switch, I tested continuity between pins 2 and 1 when the switch was at rest, found none. Bingo. In addition, when the switch was pulled up, no continuity was present between 1 & 2, probably due to the same problem inside of it.
I hope this helps someone.
My passenger-side power window stopped working on my 1994 HDJ81 (RHD). Neither the switch on that side, nor the master switch on the driver's side, would make it chooch. I figured relay or motor. It sometimes went down, and rarely went back up.
But no, it was much simpler: the passenger-side switch was fubar'd on the inside, replaced it with a spare I happened to have from a previous truck and voila!
I took the time to examine the EWD (which is backwards), which led me to the proper cause:
Notice that the wiring causes neither switch to work, if either of them do not properly close the circuit when at rest. For the passenger side switch, I tested continuity between pins 2 and 1 when the switch was at rest, found none. Bingo. In addition, when the switch was pulled up, no continuity was present between 1 & 2, probably due to the same problem inside of it.
I hope this helps someone.