That is the perfect writeup! When doing the add-a-circuit, I understand that you have to find a fuse that is, in my case, on when ignition is on but off in "acc", does it matter which one? or any single fuse will work? How do I test which one I need to use?
The easiest way would be with a 12v lighted test probe (a very handy tool to have anyway) but failing that you could use a volt/multimeter, or look on-line for someone that has done this with your exact truck and mapped some of the fuse positions (like the author did for the FJC in that article).
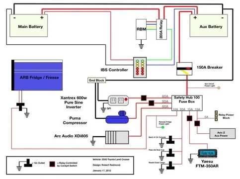
"Once all of the under-the-hood connections have been made, you can start routing power cables from your various accessories and make the necessary connections to the fuse block. (Also, make ground connections for each individual accessory.) And, tidy everything up with cable ties as necessary."
How do you make grounds for each accesory? Is it as simple as grounding it to the fender or must they all be separate grounding points that I am unaware of?
If your accessory needs "clean" power (cb and ham radios for example) then you should run a ground wire to the fuse block. If they don't need clean power you could just ground it to the body, but it's not much harder to run a ground wire for everything back to the fuse block so that's what I do.
