Dome light circuit problem

This site may earn a commission from merchant affiliate
links, including eBay, Amazon, Skimlinks, and others.

Joined
Nov 9, 2007
Threads
24
Messages
253
Location
Austin Tx
Hello everyone
I just lost all power on the electric circuit for the dome lights.
My stereo, clock, electric antenna, map light and dome lights are all gone
Check the fuse of course and its fine, somebody suggested the ground connection
Does anybody knows where the ground connection for the dome light circuit can be?
Any advice will very appreciated
 
The Electric Wiring Manual is worth its weight in gold. It should be available in the resources section.

I was just investigating my dome light being out today and it was its 10 amp fuse.

There isn't much commonality between dome light and the electric antenna, other than a fusable link (FL AM 1 1. 25B)

The grounds for the dome light can be found at each door. The light is ground activated. Open every door to see if the dome light turns on.

Does the door open icon appear when any door is open? It is in an early part of the dome light circuit.

I would check the fusable link "FL AM 1 1. 25B" . It the source of power for antenna, dome light, radio, and the clock.

1726774900925.webp
 
No, when i open the door no icon comes on.
I did check the 10 amp fuse located in the fuse box under the hood and everting looks fine there.
I will check in the door connection to see if something is out of the ordinary there
 
Here is the information you need from the EWD (this excerpt is from the 1995 manual, because you didn't specify otherwise; and because it was the first one that was handy):

1726776804948.png

1726776826905.png

Ground point <BF> is under the console. Ground point <BG> is under the cargo carpet, near the door edge.

The cabin harnesses (there are two, one for each side) are joined at the console and the rear floor edge as shown in the splice points diagrams below:
1726777136451.png


It is in the Resources section. Download a copy for yourself.
 
Last edited:
This may look daunting, but think of it like a road map. You don't try to read the entire map when you're trying to get somewhere, you read it one road at a time. In your case, you're trying to get home from out in the boonies. You're at the dome light and home is where the power originates for that circuit. Follow the yellow brick road.
 
This is where I would start; the DOME circuit is the bottom line in the chart (also in the EWD; handy huh?):
1726777290730.png


So, this tells you you want to look (first, because it's usually the cause) at the 10A [DOME] fuse:
1726777628876.png

You checked that, it's good, so now try tracing the circuit.

Notice also, the other elements of this circuit (bottom line):
Clock (C9), Combination meter (C13) and Door warning light (on the combo meter) (also, C13)
1726777449449.png

1726778323059.png

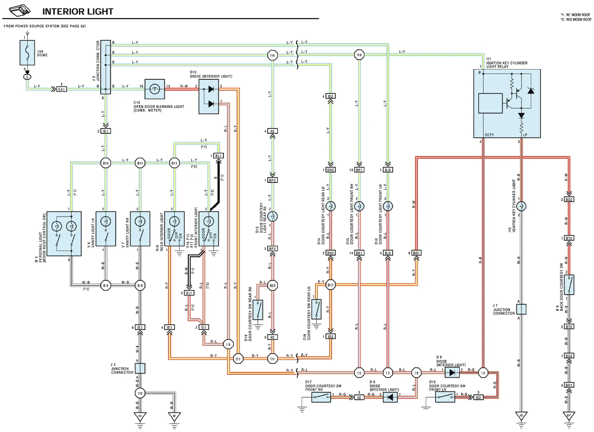
Note: the "DOOR COURTESY LIGHT" and "DOOR COURTESY SWITCH" are the light(s) in the lower door edge and switch(es) on the pillers that close when the doors are closed, respectively.

Numbers in parentheses are the (circled) connector numbers, from the wiring diagrams "ELECTRICAL WIRING ROUTING", Position of Parts in... (Instrument Panel, Body, etc.).
 
Last edited:
As you can see, tracing a circuit fault is the same as reading a road map to get from point A to point B; you have to follow the roads, there are no shortcuts.
1726778215578.webp

1726778240203.webp
 
I omitted a page from the POWER SOURCE charts, because it wasn't relevant to your light problem, but there are lots more items in that circuit that also probably don't work. Reading this chart is an important step, because, if all the related components in a circuit have failed, it likely means the problem is a circuit problem and not a component problem. Not a sure bet, but a statistically valid one, nonetheless.

Here's the page you need:
1726778626140.webp
 
So, details of the rear interior light (this is the one in the cargo or third seat area) are shown on page 82. FWIW, the front interior light (F16) (I assume you have a sunroof, if you don't it's F17) is also shown on pages 82/83:
1726778808918.webp
 
Also valuable for you:
1726778875818.png

The numbers, for example "2-GROUND", are the numbers assigned to the individual pins in the wiring harness connector housings (they're printed on the rear face of every housing). These are illustrations of what each housing actually looks like, and where each pin is in those housings:
1726779059133.png

Note the SERVICE HINTS, doesn't list (R16), but it's the same as (F16). So, if you check the voltage from pin (2) in either (R16) or (F16) to ground, you should get 12VDC, always. Likewise, with the doors closed, pin (1) to pin (2) should show continuity, when the switch position is set to DOOR.

1726778899714.png
 
Last edited:
If either test fails, the problem is between the door switch and the light (first case) or in the connector housing itself (second case). If both tests pass, the problem is upstream (closer to the battery) from the door switch.

That's as close as I can get you from here. If you're able to follow all that, you can find the fault, given what information I've posted for you.
 
Last edited:
This here is why I think Mud is an awesome community! Malleus didn't have to do any of that but he did and now others will learn and hopefully pass along.
I had a minute, so why not?

For @cruiserloco, this is the same process for every electrical problem. It's just good practice to actually go through the steps, even if you know what the likely problem is, because sometimes, it isn't the likely problem, and you could save some cash, at the expense of a little time.

Also, the pdfs are great to have, but IMO they suck to use, until you get most of them committed to memory. You just have to have too many pages open at the same time, and that's just not practical. I always find it helpful to print what I need, so that I can see it all at a glance.

The wiring harness repair manual is also in the Resources section. It is also invaluable. I'd get both.
 
Last edited:
Also, the pdfs are great to have, but IMO they suck to use,
Personally, I like the pdfs. But I have spent a considerable amount of time combining multiple page schematics into a single pdf. It makes it much easier to see what's going on with particular systems. I've done that for all the commonly used multi-page schemos.

1726780958144.webp


I also like to play with colors and add text where needed. But sometimes I have too much time on my hands.

1726781069932.webp
 
Last edited:
I keep all my notes in the pdfs, for sure, and I'm a Crayola fan! I couldn't print them if I didn't have the pdfs!
 
No, when i open the door no icon comes on.
I did check the 10 amp fuse located in the fuse box under the hood and everting looks fine there.
I will check in the door connection to see if something is out of the ordinary there

But did you check the fusible link? "FL AM 1 1. 25B"

It is the only thing in common with those circuits that I can find.
 
Man...I bow down to guys like @Malleus and @jonheld! So I'm a novice mechanic at best (I can do oil changes with the best of 'em and replace serviceable parts with some instructions...) but when it comes to electrical, esp in a car, I'm pretty lost...but not a dunce. I'd like to learn how to diagnose and my LC's electrical issues (currently I have 3...a parasitic drain, my front wipers don't work and I *think* it's electrical, and lastly, my middle and rear dome lights don't come on when the respective doors/tailgate open). I do have a multimeter but I only use it when a youtube video tells me exactly what to set it on for a specific task.

That being said, where would you have a guy like me start to learn how to read those electrical wiring diagrams, then put them to use in tracking down issues? YouTube for Car Electrical Dummies? Local Adult school for aspiring electricians? Or a basic book on working on car electrical systems?

It's my goal to someday be able to wire a solar panel on my girl to assist in running a refrigerator and keep the main battery charged. Thanks for your opinions and help.
 
There are Toyota technical training publications, if you want to know how Toyota goes about it. I'd start with the Electrical Wiring Diagram(s) for your truck(s). The first several pages explain basic troubleshooting. There are also Toyota publications on how to use a digital multimeter (DMM) for troubleshooting Toyota systems.

Look in the Resources section under the heading "UNCLASSIFIED":
1736740286776.webp
 
...and try to think about electricity like it's water:
Current is the amount of water passing a certain point in a given amount of time (the water flow rate).
Voltage is the pressure the water has on leaving the pipe

That's a gross oversimplification, but it's helpful to get the concepts in your mind. You don't need even basic circuit theory to troubleshoot the systems in an 80 series (and the 40s and 60s are even easier). The 100 & 200 series are a different story. The skills you learn troubleshooting an 80 will help in the later models, but you also need basic network theory, because those models have a network as well as a system of circuits, however, the troubleshooting steps are in the service manual. If you can read, you can do it.
 
Back
Top Bottom