Gentlemen:
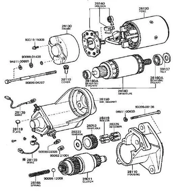
I am new to Toyotas, and I sure could use some help. I purchased a 1977, Land Cruiser, 12 Volt from Honduras, and I need a starter (The original unit is "toast"). The car came fitted with a direct drive starter, and I am looking for a replacement unit, but here in Los Angeles, CA, it is like looking for the white horn of the black rhino.
1. Is there a starter for another Toyota vehicle that will fit/work?
2. Where can one find a replacement?
Yes, I am unenlightened in the area of Toyota diesels.
Walt Banta
I am new to Toyotas, and I sure could use some help. I purchased a 1977, Land Cruiser, 12 Volt from Honduras, and I need a starter (The original unit is "toast"). The car came fitted with a direct drive starter, and I am looking for a replacement unit, but here in Los Angeles, CA, it is like looking for the white horn of the black rhino.
1. Is there a starter for another Toyota vehicle that will fit/work?
2. Where can one find a replacement?
Yes, I am unenlightened in the area of Toyota diesels.
Walt Banta



