AC/Heat Fan not blowing on "LO" and AC not cold at idle....

This site may earn a commission from merchant affiliate
links, including eBay, Amazon, Skimlinks, and others.

Joined
May 11, 2005
Threads
141
Messages
1,166
Location
SE Michigan
Hi guys, just going through another round of quirks over here. Truck has actually been running great but of course I can't ever leave well enough alone so I have to find something wrong to fix.

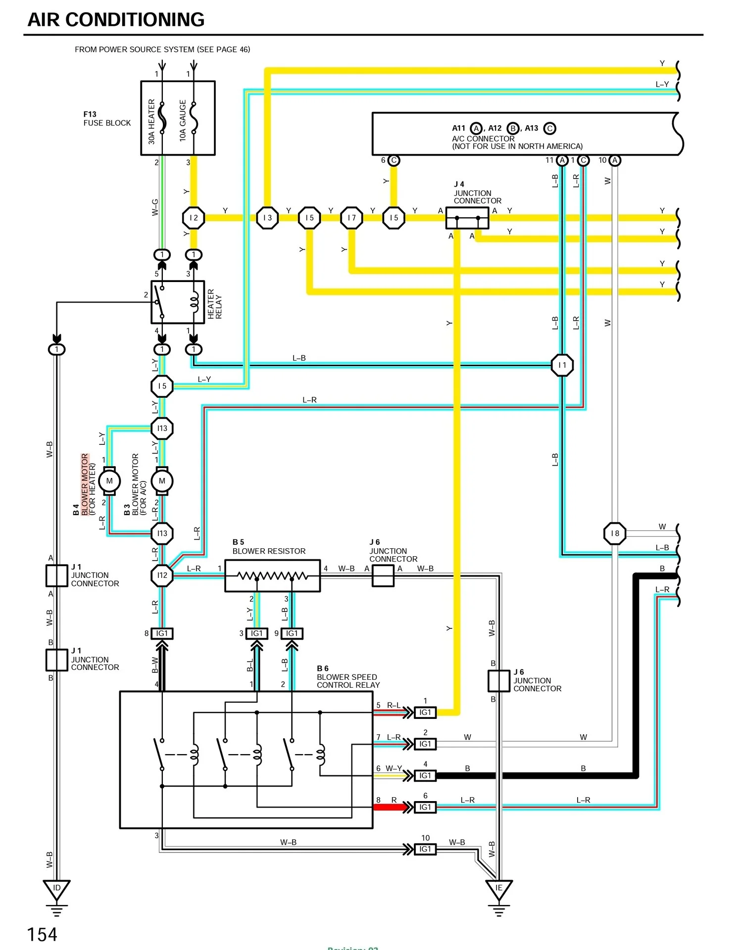
The AC not being cold at idle isn't a new issue but thinking they may be related. The new issue is that the heat or AC doesn't blow at all when on "LO" although it works fine on the other speeds.

Anyone have any ideas? I was thinking fan clutch but don't want to just throw parts at it without a better idea.


Thanks as always from your friendly half banana donkey
 
I doubt they are related. A\C not cold at idle but functioning while driving is usually the belt driven fan clutch not pushing enough air through your radiator/AC at the front of the engine bay. The blower fan sounds like an electrical issue- maybe a switch contact or a resistor or something. I could easily be wrong but wanted to give you a bump since no one has chimed in yet.

There is a thread that goes through some of the electrical side of the blower fan that might be helpful. 1 speed blower fan (low) - https://forum.ih8mud.com/threads/1-speed-blower-fan-low.1320632/
 
Bump. I can't have been completely right - someone at least needs to correct my mistakes and give Francis some good advise and show the poor guys some love ;).
 
Screenshot_20230903_170954_Adobe Acrobat.webp

Screenshot_20230903_171244_Adobe Acrobat.webp

Screenshot_20230903_171024_Adobe Acrobat.webp

Screenshot_20230903_171357_Adobe Acrobat.webp


Personally, I would probably start by pulling the blower motor resistor out and seeing what voltage it's getting. I believe it's screwed to the outside of the mixer box (whatever it's called) between the blower motor and the center console.

Screenshot_20230903_171922_Adobe Acrobat.webp
 
Back
Top Bottom