Texican s-Moderator 10 Year 15 Year 20 Year OG Joined Dec 17, 2002 Threads 828 Messages 6,589 Location Bonham Tx. Sep 21, 2023 #1 pulled the unit out of liftgate, No power coming from truck. Lamp functions on bench. Does it feed from separate fuse or stoplight switch?
pulled the unit out of liftgate, No power coming from truck. Lamp functions on bench. Does it feed from separate fuse or stoplight switch?
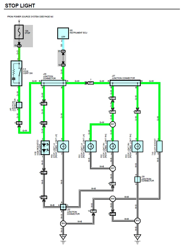
Dirt J SILVER Star Joined Jun 15, 2021 Threads 26 Messages 732 Location Alabama Sep 21, 2023 #2 Texican said: pulled the unit out of liftgate, No power coming from truck. Lamp functions on bench. Does it feed from separate fuse or stoplight switch? Click to expand... Stoplight switch & fuse (15 amp)
Texican said: pulled the unit out of liftgate, No power coming from truck. Lamp functions on bench. Does it feed from separate fuse or stoplight switch? Click to expand... Stoplight switch & fuse (15 amp)
Malleus contact@RESTORE4x4.com Supporting Vendor Joined Jan 5, 2017 Threads 191 Messages 9,403 Location Charlotte, NC Sep 21, 2023 #3 All the electrical answers are in the EWD: