Great project!! I am stoked to see the finished project! Good luck and keep the pics coming!!!!! Mark

Follow along with the video below to see how to install our site as a web app on your home screen.
Note: This feature may not be available in some browsers.
This site may earn a commission from merchant affiliate
links, including eBay, Amazon, Skimlinks, and others.

I'm interested to hear how the 4.3L Chev does in a 40 Series.
Regards,
Alan





this may be a stupid question, but I plan on the same enigne in the future. Why is it off-set driver's side?

I'm pretty sure he did, I've read you can ground the wire and make it think it's in park.
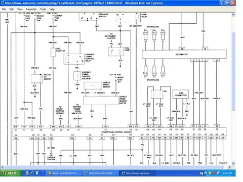
Have any idea which wire it is? Or do you have a factory wiring diagram? It looks like the VSS hooks through the cruise control (haynes manual) but It don't have a CC anymore.

