12v 24v

This site may earn a commission from merchant affiliate
links, including eBay, Amazon, Skimlinks, and others.

Joined
May 30, 2021
Threads
11
Messages
59
Location
Vancouver Canada
So, Ive had a few interesting conversations in my neck of the woods lately with some people in the LC community. There seems to be a general idea that BJ40 and 42 Cruisers from 79-84 that are 24v spec are in fact only 24v on the starter and 12v for everything else. I NEVER mess with wiring on my trucks but this just doesnt sound right I know that Toyota has a habit of running multiple specs for the same vehicle depending on the region/time of year/phase of the moon and so it made me wonder is there more to this? I THINK that some of the 60 series used this setup but have not really ever come across this setup in any of the Cruisers that I have owned. They were either petrol and 12v or diesel and 24v.
 
So, Ive had a few interesting conversations in my neck of the woods lately with some people in the LC community. There seems to be a general idea that BJ40 and 42 Cruisers from 79-84 that are 24v spec are in fact only 24v on the starter and 12v for everything else. I NEVER mess with wiring on my trucks but this just doesnt sound right I know that Toyota has a habit of running multiple specs for the same vehicle depending on the region/time of year/phase of the moon and so it made me wonder is there more to this? I THINK that some of the 60 series used this setup but have not really ever come across this setup in any of the Cruisers that I have owned. They were either petrol and 12v or diesel and 24v.
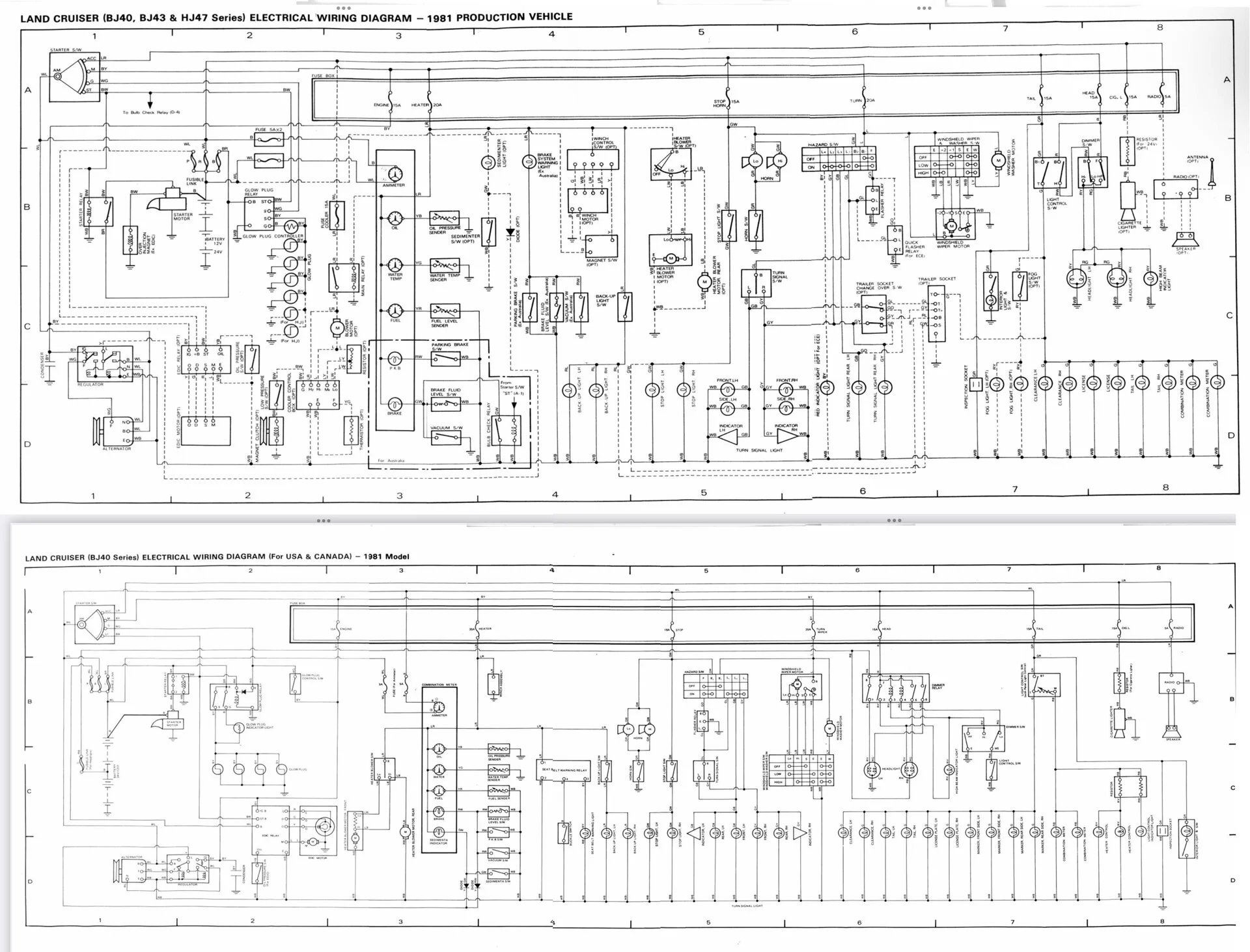
Not according to this 1981 wiring diagram where everything is 24v.

20230824_214135.webp
 
Vancouver cool , I had a 1978 BJ40 in Surrey it had 24volt
For heater blower and wipers and half the gauge cluster there is a voltage dropper on the back to reduce voltage to half the gauges down to around 12 volt. I’m pretty the bulbs where 24v also. Been awhile since I had this rig.
 
Back
Top Bottom