OBD 1 code 35 and idle at 2k

This site may earn a commission from merchant affiliate
links, including eBay, Amazon, Skimlinks, and others.

Joined
Oct 30, 2023
Threads
3
Messages
14
Location
Birmingham, AL
Been spending some time trying to track this down and not having luck.

I'm consistently getting code 35, even after disconnecting the battery for multiple days. It immediately shows back up. Engine runs fine other than the high idle. No other codes.

If possible, can you please make recommendations.

I've done what I think would be basic stuff like looking for vacuum leaks, replacing the EGR valve, new throttle position sensor.

1991 Land Cruiser with 240,000 miles.
 

Download the fsm above thanks to @Malleus and go through the troubleshooting steps for the code and high idle. If you can’t find a solution there it’s possible the ecu is failing.
Showing an HAC Sensor error with Trouble Area listed as ECU. From searching, I am seeing where 4 runners have an altitude compensation sensor or barometric sensor but not seeing one for a 91LC. Any thoughts on this, or am I looking at needing to replace the ECU.
Screenshot 2025-09-17 104921.webp


Screenshot 2025-09-17 105054.webp
 
I saw the altitude sensor as the fault. I’m not too familiar with what sensors are on a 3FE. You might try checking with the 60 series guys
Unrelated to the code but have you checked the timing? It could cause the high idle.
 
Have not checked timing. Will try to do that this weekend and report back. I did see where the PO had previously replaced the ECU. Have another one coming from eBay.
 
Very unlikely that the ECU is at fault here.
Looking through the EWD and FSM, the only reference I see for HAC is that error code.
I see no pins referencing that on the ECU pinout, the ECU schematic, or anywhere else in the FSM or EWD.
Personally, I have never heard of this on any 3FE and I have no idea where to start looking for it. My guess would be the AFM, but it's not mentioned anywhere.

Idle speed should be controlled by the ECU pushing the ISC valve to keep idle at 650rpm.
There should be slack in the throttle cable and the throttle plate should be resting on the endstop at idle.
All mechanical adjustments MUST be correct first as this ECU is 1986 technology.
 
This is what I've found so far, but I have never actually seen one on a 3FE. Still not sure if this is a real thing or some sort of holdover from earlier models.
I got no hits after searching various VINs on partsouq for both FJ80s and FJ62s on "HAC" or "ALTITUDE" or "89464-35010" which is a part number that came up in a search.

"Diagram and location
Simplified diagram of the 3FE intake system
The HAC sensor is located on the intake manifold, next to the throttle body and other sensors. It is a vacuum-controlled sensor that works with the Engine Control Unit (ECU).
Specifics of the sensor's location
Sensor appearance: The HAC sensor is a small, round, or square metal canister with a single vacuum line attached to it. It also has an electrical connector.
Placement on the intake manifold: It is mounted on the top-rear side of the intake manifold, typically near the firewall.
Associated components: It is in close proximity to the throttle body, Idle Speed Control (ISC) valve, and other vacuum lines and sensors."
 
This is what I've found so far, but I have never actually seen one on a 3FE. Still not sure if this is a real thing or some sort of holdover from earlier models.
I got no hits after searching various VINs on partsouq for both FJ80s and FJ62s on "HAC" or "ALTITUDE" or "89464-35010" which is a part number that came up in a search.

"Diagram and location
Simplified diagram of the 3FE intake system
The HAC sensor is located on the intake manifold, next to the throttle body and other sensors. It is a vacuum-controlled sensor that works with the Engine Control Unit (ECU).
Specifics of the sensor's location
Sensor appearance: The HAC sensor is a small, round, or square metal canister with a single vacuum line attached to it. It also has an electrical connector.
Placement on the intake manifold: It is mounted on the top-rear side of the intake manifold, typically near the firewall.
Associated components: It is in close proximity to the throttle body, Idle Speed Control (ISC) valve, and other vacuum lines and sensors."
Thanks. I've been reading similar things. I have not been able to actually see what the stated "HAC sensor" looks like or where it is.
 
Thanks. I've been reading similar things. I have not been able to actually see what the stated "HAC sensor" looks like or where it is.
I'm assuming your truck is a USDM vehicle.
I'd be willing to bet that it doesn't exist. 99.9% of the time, the FSM is spot on. However, several items/specifications found in various FSMs are holdovers from earlier years/different markets.
The fact that I can't identify an ECU pinout for the device, nor is there any mention of it in any document kind of points to that.

The issue now is to find out what the ECU is complaining about.

Have you checked all mechanical adjustments? Remember, 1st generation EFI from 1986.
To reset the ECU and clear codes, simply remove the 15 amp EFI fuse in the relay box on the left fender. It's less invasive than removing a battery terminal and accomplishes the same thing.
 
Update. Tested the ISC per the FSM. Ohms test out all at 20, but testing via 12v on the pins, there is no movement in the plunger either up or down, so I am guessing that it may be bad. Any leads on a replacement would be awesome as the stuff I am seeing on the web is like $500+
 
Update. Tested the ISC per the FSM. Ohms test out all at 20, but testing via 12v on the pins, there is no movement in the plunger either up or down, so I am guessing that it may be bad. Any leads on a replacement would be awesome as the stuff I am seeing on the web is like $500+
The ISC valve has a stepper motor.
By sequentially applying power to the motor coils, the motor will "step" to the next position. It will not rotate.
The movement of the plunger for each step is less than a millimeter.

On a 3FE when you shut down the engine you should hear 2-4 faint clicks coming from the ISC valve. That is the ECU resetting it for the next start.

Again, there should be a bit of slack in the throttle cable at idle and the throttle valve should be resting on the endstop.
 
The ISC valve has a stepper motor.
By sequentially applying power to the motor coils, the motor will "step" to the next position. It will not rotate.
The movement of the plunger for each step is less than a millimeter.

On a 3FE when you shut down the engine you should hear 2-4 faint clicks coming from the ISC valve. That is the ECU resetting it for the next start.

Again, there should be a bit of slack in the throttle cable at idle and the throttle valve should be resting on the endstop.
I have made sure there is slack in the cable. Plenty.

I am not hearing any clicks and removing the harness connector does nothing when idle.

So I guess you're saying, I may not actually see any stepping since it's so small. I am feeling something when sequential running power to the pins. Would you assume testing connectivity for each pin on the wiring harness from the ECU to the ISC motor connector would be a next step?
 
I have made sure there is slack in the cable. Plenty.

I am not hearing any clicks and removing the harness connector does nothing when idle.

So I guess you're saying, I may not actually see any stepping since it's so small. I am feeling something when sequential running power to the pins. Would you assume testing connectivity for each pin on the wiring harness from the ECU to the ISC motor connector would be a next step?
The TPS has an idle switch internal to it that tells the ECU that the throttle is in the idle position. I would verify the TPS before going further down this path.
If the ECU doesn't "know" that the throttle is in the idle position, nothing is going to work correctly.
Again 1986 technology. All mechanicals MUST be correct first as the ECU has a very limited window of adjustments.

The throttle plate can get jammed up with carbon and other crap. Make sure it can move freely from endstop to endstop without binding. It must sit on the idle position endstop and the TPS switch must "tell" the ECU that it is in the idle position.

What you feel in the ISC valve is the motor moving 1/4 of a revolution to the next "step". There are 4 coils that each rotate the motor 90 degrees to the next step and hold it in that position until the next coil is energized sequentially.

I'd also hazard a guess that even at a max setting, the ISC wouldn't be able to reach an idle speed of 2K rpm. Something else is in play here.
 
The TPS has an idle switch internal to it that tells the ECU that the throttle is in the idle position. I would verify the TPS before going further down this path.
If the ECU doesn't "know" that the throttle is in the idle position, nothing is going to work correctly.
Again 1986 technology. All mechanicals MUST be correct first as the ECU has a very limited window of adjustments.

The throttle plate can get jammed up with carbon and other crap. Make sure it can move freely from endstop to endstop without binding. It must sit on the idle position endstop and the TPS switch must "tell" the ECU that it is in the idle position.

What you feel in the ISC valve is the motor moving 1/4 of a revolution to the next "step". There are 4 coils that each rotate the motor 90 degrees to the next step and hold it in that position until the next coil is energized sequentially.

I'd also hazard a guess that even at a max setting, the ISC wouldn't be able to reach an idle speed of 2K rpm. Something else is in play here.
Note that code 35 is continuously being thrown immediately, prior to even cranking the engine.
 
Note that code 35 is continuously being thrown immediately, prior to even cranking the engine.
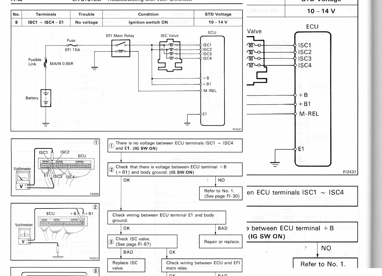
Error codes can only be shown without the engine running, key in the ON/RUN position and pins 3 (E1) and 6 (TE1) shorted.
You should not run the engine with those pins shorted unless you are adjusting ignition timing, as it prevents the ECU from adjusting it during normal operation.

Active error codes are stored in memory and will continue to display unless cleared by removing the 15 amp EFI fuse for a few minutes.
 
Error codes can only be shown without the engine running, key in the ON/RUN position and pins 3 (E1) and 6 (TE1) shorted.
You should not run the engine with those pins shorted unless you are adjusting ignition timing, as it prevents the ECU from adjusting it during normal operation.

Active error codes are stored in memory and will continue to display unless cleared by removing the 15 amp EFI fuse for a few minutes.
Maybe I should have clarified. Each time I clear the codes, as soon as I turn the ignition to on, without even starting the engine, then remove the keys and put a jumper back to check codes, 35 is there. Even without starting the engine.
 
I am not sure if this is correct, but testing the wiring harness with ISC1 to corresponding S1, etc.. what I would expect is matching on the two images, is that the same wire?

From testing S1, S2, S3, S4, to ISC 1, ISC2, ISC3, ISC4 I am not seeing an open circuit. Am I not testing the right connections at the ISC connection to the harness?

2.webp


1.webp
 
I am not sure if this is correct, but testing the wiring harness with ISC1 to corresponding S1, etc.. what I would expect is matching on the two images, is that the same wire?

From testing S1, S2, S3, S4, to ISC 1, ISC2, ISC3, ISC4 I am not seeing an open circuit. Am I not testing the right connections at the ISC connection to the harness?
Not exactly sure what you're testing and how you're testing it.
In a previous post you said that you were getting the correct resistance readings across the 4 coils of the ISC valve according to the FSM.
I assume you're now testing continuity of the harness side of the ISC back to the ECU.
If that's the case, you should be seeing continuity from the following:
pin 1 of the ISC connector to ECU E4 pin 9
pin 3 of the ISC connector to ECU E4 pin 7
pin 4 of the ISC connector to ECU E4 pin 10
pin 6 of the ISC connector to ECU E4 pin 8
Pins 2 and 5 of the ISC connector get +12 which feeds the coils. The ECU grounds each coil to fire the individual steps.

1759152912070.webp
1759152951160.webp
1759153007647.webp
 
Last edited:
Back
Top Bottom