HOW TO: POWER DISTRIBUTION Part 4- bring da power

This site may earn a commission from merchant affiliate
links, including eBay, Amazon, Skimlinks, and others.

Joined
Dec 7, 2007
Threads
111
Messages
20,730
Location
Medford, OR
Part 1 of the power distribution install- the aux. fuse panel

Part 2 of the power distribution install- 12 volt outlets

Part 3 of the power distribution install- the inverter install


++++++++++++++++++++++++++++++++

In part one I showed the aux. fuse panels I added. In part two I showed the usual 12 volt outlet that was added. In part three I showcased my inverter install. In part four now I want to go over what I had to do to bring in power to the center console.

I first needed to start with the dual battery install. I went with the Hellroaring BIC 95150 and also decided to use the Sears rebadged Odyessey. You can see my dual battery install here: https://forum.ih8mud.com/80-series-...roaring-bic-95150b-plus-guest-appearance.html

Basically I decided to run all accessories of the aux. battery instead of running everything off the main. I then covered the battery with an acid absorbing mat and a heat shield.
power1.webp
power2.webp
power4.webp
 
Last edited:
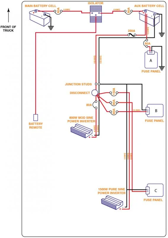
Now what I needed to do first was pull in enough power, to run ALL my current and future accessories, into the cab. This meant I wanted to go big and risk less by the way of wire resistance and bring in big ole' 1/0 welding cable. The positive side of the cable went through a 250A MegaFuse that I mounted onto the bracket that was discussed previously. From there I routed it around the back of the engine bay and then through the clutch master hole. This was easy enough. Now I needed to decide where to mount my distribution blocks. After starting this thread I decided to just use the standard power posts.

I began by tearing out the entire center console to give myself plenty of room to work around. Removing the seats helps too. It was at this point that I figured the best way to route this garden hose of a battery cable would be to follow the channel that runs alongside the driver's side door sill. Fits right in. I ran it along the sill until I got to the seat bracket. Then I continued to run the cable, under the carpet, along the seat bracket until it popped up where the center console was.
power4a.webp
power5.webp
power6.webp
 
Last edited:
I went ahead and mounted the two power distribution posts that I got from Wrangler Power Products. The mount location chosen was the large flat floor bracket that is under the arm rest console. I used the bent up section of it to mount the posts. This actually made my access to everything much easier than if I mounted on the longer flat section.

I now had an issue. I needed to mount two 80A circuit breakers now and two more later so I needed a large enough piece of flat area to mount them. Turns out I "could" have just mounted them on the flat section of the floor bracket but that really limited the space I had to work with and then trying to maneuver big bulky cables.
power7.webp
power8.webp
power9.webp
 
Last edited:
It was at this point that I figured out the solution. I now had three bolt holes I am not using because I removed the MID speaker box. Two on top of the bracket that now holds the inverter, and one on the front edge of the floor bracket. This looked like a perfect place to just stick a flat piece of metal with two bends in it. So I went to my local sheet metal shop and $20 later I had a new galvanized bracket. I drilled two holes to match the two in the new inverter bracket and I drilled out the one for the front hole in the floor bracket. well I now needed to clear another bolt sticking up along that bulge so I used a .75" hole drill and cut out a piece for the bolt to go through. NOW everything site flush and even looks like it was meant to be there.

Now I can start thinking about placement of the circuit breakers. It was at this time that I decided that with this much current going though the cab and with the sheer amount of accessories I was eventually going to be adding, that I need to seriously need to consider running a power kill switch. So I got the one from 12voltguy. Now I have it so that the POS cable goes to the power stud. The stud goes to the kill switch, and all pos. power wires goes to the opposite stud on the kill switch.
power10.webp
power11.webp
power12.webp
 
Now that this was figured out I need to move onto the large cables. I drilled two .75" holes lining up with the power studs. Then attached the 1/0 lugs to see how everything lined up. Perfect. I then took off the new bracket and proceeded to drill out an addition side hole in order to use that as a cable pass thru for all of the outlet and inverter wires that need to pass thru the bracket. I then also needed a way to bring the wires and cables from below the bracket to above the bracket. So I made an oblong hole on the top. I then used .25" vacuum line split in half vertically to use as a protector for all the edges that "could" come in contact with the cables/wires. This was after I used a file to remove all burrs and soften all the edges of the new bracket.

I could now route all of the power wires I needed with all the access holes I just created. Now I needed to bring in the neg. 1/0 cable and I had a nightmare trying to figure out where in the heck I am going to pull in another 1/0 cables as written in this thread: https://forum.ih8mud.com/80-series-tech/236046-firewall-access-large-cables.html
power13.webp
power14.webp
power15.webp
 
From here I decided to try and get the second 1/0 cable through the same clutch master hole. Problem was I already had a bunch of random wires in there and the first 1/0 cable. So I did what any man here would have done.....


Cue the chika-chika-bow-wow music:
I was at a loss. I have this long thick cable in my hand. solid to the core. I stared at my girl's waiting hole. Baby...there is no way this thing is gonna fit in there. "Sure it will" I could imagine her saying. "Sure it will". I tried forcing my way in. Its just not right. I need to glide it in...softly...gently. The voice in my head breaths another thought..."get your wife's lube". I can't. Thats her favorite lube. And its for her and I. "If you want to get that fat thing in me, you gotta lube up". So I sneak upstairs and palm the lube. "What are you doing!?"

Doh! Its my wife. She wont understand. I've been told to make her first above all others. How can I explain that I need her favorite lube for another.

"Nothing baby, just finishing up the truck for you to be more comfortable!!!"

Success! I make my way down to the garage, I dim the lights.

I go ahead and dab a bit of lube on the tip. "oh that is not enough, look at the size of that thing. You don't want me to tear do you?"

No baby, I hear you. I coat my 1/0 and feel for the opening. My baby moans...I found the spot. I get the tip in. "Push it in, bottom out!"

Oh it didn't take much. All 8ft. of my hard black cable practically fell inside of her.

"See, told you it would fit".

Slut.
 
Last edited:
At this point I have the loop of neg 1/0 cable laying on the floor of the DS footwell. I didn't think i could run it along the same path as the pos. cable so instead I routed it on TOP of the brake pedal bracket. No moving parts up there. Then routed in under the dash and popped it up under the center console. From there it was nothing to route it to the new hole I had in the new bracket. I used the crimper at this time and crimped the 1/0 lugs to the 1/0 cables and I was golden. Perfect length.

Now on to the kill switch. Where to put it? Well I wanted it hidden put accessible so I decided on drilling a 7/8" hole into the arm rest box and install the kill switch from behind using two screws. Now in order to turn off all power, all you have to do is lift up the arm rest.
power16.webp
power18.webp
 
Now once everything is buttoned up and put back together I needed a way to attach the pos. cables to the kill switch. I already had them all in place but I cant attach them with the arm rest console removed. So I took off the mesh in the front of the console where the MID speaker box used to be. I carefully trimmed out the speaker grill using a razor blade. I now had easy access into the console which my hand could easy fit inside of and attach the remaining lugs. I could easy install the mesh back. But I am already working on a way to make it MORE easily removable and useful.

I now have a working power distribution system. Something that I can now EASILY tie into if needed. Such as adding the new stereo equipment, the PURE SINE inverter, the rear aux fuse panel, the rear power outlets, the fridge the roof lights, etc etc etc etc.
power17.webp
power19.webp
 
Oh it didn't take much. All 8ft. of my hard black cable practically fell inside of her.

"See, told you it would fit".

Slut.

-NLXTACY

Possible sig material right here.
 
cost and source on those 80amp breakers?

great install and writeup! Thanks for sharing.
Makes me think I better re-plan my install... it was going to be so..... simple. :)
 
Update, the speaker grill for the old mid speaker is now where I will be mounting the speaker for the Yaesu 8800 HAM radio. I HATED the idea of mounting that ugly thing somewhere in the open. :D
 
I am reading this with great interest as I am doing somewhat the same job right now - or at least gathering the parts at present. The issue I see is something you have not done yet - the large inverter. I am using a Xantrex 1750 Watt inverter - which is specifying no more than 4ft of cable to the battery. It seems to me that routing your 1/0 cable from the front of the truck then around the driver seat is going to easily exceed that.

...and one more note on running an inverter that big - it will require at least 110 amp hours out of your system. This is more than the typical deep cycle cell will provide so you will either have to use a battery bank (2 or more batteries) or run the juice through the isolator as well as the battery to deliver the needed power. Currently I am looking at using two sistered batteries as my second battery as i do not want the truck to need to be running to extract 1650 Watts (my target) from the system.

Don't get me wrong - you have given an awesome writeup and done a great job so far!
 
Hey SEAN, I wont be going 1750W with my inverter. My system is just not spec'd to go that high. Also, even at 1000W I would very rarely be using half of it for even an hour or so at a time. There is no way I would use it to full potential. If you are sporting a 1750W then you have some serious plans.

I have not had available time to do the inverter install but I will be doing a write up for that as well.
 
pardon my ignorance, but for what do you want 1750w of power?

I mean.... you can run this fridge on 1750 watts.
r38594v-1.jpg
That's a full-size GE 48" 30 cu. ft. fridge.
 
I am building a cabin off of the grid. The power is going to be used first for construction and later for power to the cabin.

Out of the tools needed, my circular saw is rated at 1650 Watts. This is the max power target. According to the charts I can get around a third of an hour with 105Ah worth of battery feeding it. It doesn't sound like much - but 20 minutes of cutting time will probably last most days w/o needing to start and recharge. We have a lot of cordless tools but the saws drain the batteries too fast to be practical.

Once it is a cabin - no I won't be running the fridge on it. The fridge, stove and most of the lights are propane, heat is by woodstove. I will have a stereo and a few lights to run off of it in a pinch - I suspect all @12V. I will plug it in when I get up there like a camper plugs into service at a camp.

I originally wanted to go solar, but found it prohibitively expensive. I have a generator but it is loud and annoying. This method seemed to have a bunch of upsides with a bit of expense but not as much as solar panels. With this I will always have power with me wherever I am camping or tailgating etc...
 
Back
Top Bottom