Dissent rear bumper lights issue

This site may earn a commission from merchant affiliate
links, including eBay, Amazon, Skimlinks, and others.

kcjaz

SILVER Star
Joined
Feb 7, 2016
Threads
374
Messages
3,743
Location
Olathe, KS
I’ve got a loose connection somewhere and I have no running or tail lights at the trailer plug. It all worked when I initially installed the lights so something has just come loose. What I don’t remember is if the left and right tail lights on the bumper ever worked. I have brake lights and both blinkers on my trailer but no voltage at the tail light pin on the trailer plug and no tail lights on the trailer. I should get red tail lights on the bumper when head lights are on, correct?
 
Yes, you should have tail lights when the headlights are on. I had some wiring issues at first too, but it was trailer wiring itself. In my case, the problem presented immediately and was fixed. Good luck finding the problem, I hate wiring issues. Start with checking fuses.
 
1667192895347.webp
 
I get the red leds with the headlights on.

View attachment 3155450
Thanks @CharlieS, I'm pretty sure mine did the same initially. I know I had power to the tail light circuit because I tied the license plate light into that and it worked before (not now) and the original license plate light on the upper hatch work (and currently work). I'll still check the fuses but I'm pretty sure its the tail light wire taps I made. I also notice the right side reverse light was very weak.

1667237553697.webp


I also fround a bad wire tap on the Dissent license plate wire (my fault). I had used soldered/shrink wrap connectors but I didn't have enough slack so I stressed the connections when I pushed the harness back in place. Lesson Learned. I suspect thats my issue on the yellow highlighted connections above. Whats really sad is that I took my time and thought I had done a high quality job. I bet if the truck never left pavement, I still be OK but the pounding I inflict on it is hard on wire connections and they do need to be very solid.
 
Although it was a bit of a pain, that was why I used factory connectors instead of splicing. So far, so good. It might be worth the effort to redo them?
 
Although it was a bit of a pain, that was why I used factory connectors instead of splicing. So far, so good. It might be worth the effort to redo them?
Well I’ve already cut into the factory wire harness so the damage is done and now no choice but to repair and try to do a better job the second time. In hindsight I really wish I had done same as you and bought the connectors and just made a separate harness that was plug and play.
 
Well I’ve already cut into the factory wire harness so the damage is done and now no choice but to repair and try to do a better job the second time. In hindsight I really wish I had done same as you and bought the connectors and just made a separate harness that was plug and play.
you cut before checking fuses? :oops:
 
you cut before checking fuses? :oops:
My “cut” was original install. I didn’t physically check fuses then but verified everything was working before hand by using my multi meter on the OEM trailer plug before I cut into anything.

Now I suppose I could have a blown fuse but I doubt it as the tail light circuit is only dead down stream of where I cut into it.
 
So stupid question here I’m sure but I just went to go check the tail light fuse on the driver side interior due panel but can’t get the fuse (or any of the for that matter) out. My liter fuse removal tool won’t grin these small fuses as they are packed in very tight. It’s not like the main fuse box under the hood. Is there a trick to this?
 
Needle nose but be careful not to grip too tight.
 
Needle nose but be careful not to grip too tight.
I’ve tried but all I’m doing is chewing up the fuse and it won’t budge. I’m pretty sure the fuse is fine as my tail lights all work. It’s just a Dissent lights on the bumper where I’ve tapped into that tail light circuit that do not work. That said they’re like three fuses that appear all related so I really can’t say for sure.
 
And a Bussmann fuse puller wont get it done?
 
And a Bussmann fuse puller wont get it done?
No. It just slips off. It’s like it can’t get low enough to grab the fuse. The spacing in this fuse box seems tighter than anywhere else I’ve pulled a fuse. This is the tool I have.

1667316672056.jpeg


However, typing this reply made me think to go look at the OEM tool in the main fuse box. The “lip” is thinner and it does grip the fuse and I was able to remove it. I just keep the yellow one in my tool kit because it’s easier to get to if I’m not in the main fuse panel or working on a different vehicle. The yellow one has always worked before. Live and learn.
 
Yes I think so. I found one bad connection which I fixed and I now have blinker and break lights but not tail/running lights.

Hopefully I’ll get some time to work on it next weekend. I need the wiring diagrams but my FSM isn’t working. I need to recreate it with the last updates @linuxgod made but I have to resolved/fix some PC issues on my laptop first. Just haven’t had time to mess with it.
 
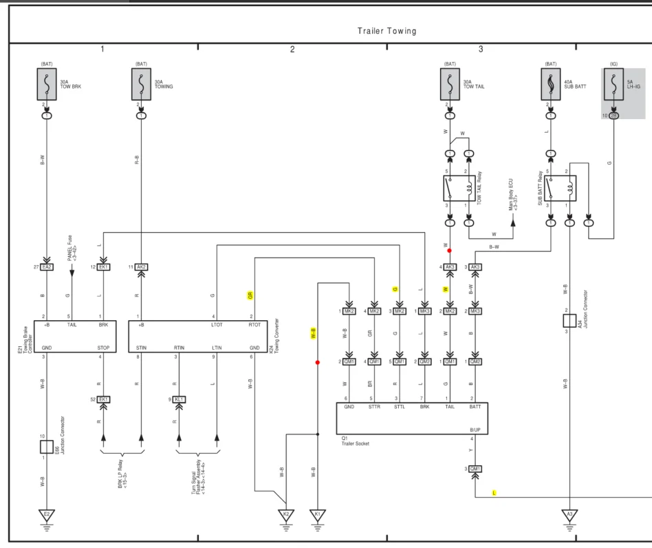
I got my FSM to work and an looking at wiring diagrams to try to figure out what might be going on. I have wired my Dissent bumper lights into the trailer plug harness wiring as shown in in post #6 and have marked the wires i tied into on the FSM diagram with yellow below:

1669691582827.webp


The two red dots is where I connect the license plate lights. My issue at LCDC was that all of the lights on the bumper went out. I found that the license plate light splice (red dot on the W-B wire) was lose. As this is the ground, that made sense to me. When I fixed it, the break lights, blinkers and reverse lights all work however that tail lights still do not. The tail lights on the vehicle do work as they should. The 30A fuse appears to be good also. Could the "Tow Tail Relay" be bad?

Also, how can you tell from the diagram below where these fuses (or the relay) are physically located:

1669692038337.webp

I think the 15A fuse is the one under the dash in on the drives side but I'm not sure.
 
I got my FSM to work and an looking at wiring diagrams to try to figure out what might be going on. I have wired my Dissent bumper lights into the trailer plug harness wiring as shown in in post #6 and have marked the wires i tied into on the FSM diagram with yellow below:

View attachment 3180525

The two red dots is where I connect the license plate lights. My issue at LCDC was that all of the lights on the bumper went out. I found that the license plate light splice (red dot on the W-B wire) was lose. As this is the ground, that made sense to me. When I fixed it, the break lights, blinkers and reverse lights all work however that tail lights still do not. The tail lights on the vehicle do work as they should. The 30A fuse appears to be good also. Could the "Tow Tail Relay" be bad?

Also, how can you tell from the diagram below where these fuses (or the relay) are physically located:

View attachment 3180534
I think the 15A fuse is the one under the dash in on the drives side but I'm not sure.
It’s possible. You should be able to swap that relay with another under the hood, maybe the horn, to see if the problem follows the relay.
 
Back
Top Bottom