BJ40 Starter problems

This site may earn a commission from merchant affiliate
links, including eBay, Amazon, Skimlinks, and others.

Joined
Nov 29, 2007
Threads
7
Messages
157
Location
Clinton NJ, USA
Website
www.albertrodrigues.com
Hello allI'll start by stating that I have been having a few electrical problems which makes it hard for me to really diagnose my problem so I hope someone can possibly help. I just installed new brushes in my alternator and had to solder a few loose internal wires. It is back in the bj and I am not sure if I did a good job as I was only able to test the vehicle for about 2 min before it cut off. The multimeter showed a slow increase in voltage from just below 13V to 13.01 V. Since then, my starter decided to go out. I opened it up to discover a wire that should of been connected to a contact was loosly fitted over the cover and wrapped around one of the cover screws to make a ground, I guess. The contacts looked like new and the brushes were in good shape. I was un-able to open the opposite side of the starter using the 3 phillips head screws so I left it at that and put it all back together. Now that it is in, when I crank the key the starter responds immediatley, I can hear the plunger hit the flywheel? but it does not spin the engine. I did not test the starter before putting it back in as I did not know how. Can someone let me know how to do a bench test? Does this problem sound like only a starter? I have used a battery charger to do a slow charge overnight and get the same results. The battery voltage averages 12.96V. This is a 12V BJ40 with one battery.thanks
 
....The multimeter showed a slow increase in voltage from just below 13V to 13.01 V. .............

This "battery charging voltage" is on the low side - but that doesn't necessarily mean a problem. If your battery is fairly "down on charge" (on its way towards the "flat" end of the scale) - then this could account for it.

And as the battery gains charge - the alternators charging voltage should increase.

At around 2000 engine rpm (with your alternator & regulator working properly)- you should measure around 14.4V (across your battery's terminals) if you have a "good reasonably-charged battery".



...Since then, my starter decided to go out. I opened it up to discover a wire that should of been connected to a contact was loosly fitted over the cover and wrapped around one of the cover screws to make a ground, I guess. The contacts looked like new and the brushes were in good shape. I was un-able to open the opposite side of the starter using the 3 phillips head screws so I left it at that and put it all back together. Now that it is in, when I crank the key the starter responds immediatley, I can hear the plunger hit the flywheel? but it does not spin the engine. I did not test the starter before putting it back in as I did not know how. Can someone let me know how to do a bench test? Does this problem sound like only a starter? I have used a battery charger to do a slow charge overnight and get the same results. The battery voltage averages 12.96V. This is a 12V BJ40 with one battery.thanks

Sorry - I've never done any bench testing of starter motors.

But I know that the "solenoid" responsible for "throwing out the drive cog to engage the startermotor with the flywheel ring-gear" is also responsible for "closing the contacts that allow the "big amps" (high current) to flow through your starter motor.

So you could be having trouble with those big "electrical contacts" at the end of your solenoid. (They often "burn up".)

But I'd sort out the dodgy wiring first.

:cheers:
 
Starter pictures

Thank Tom

Attached are some of the pictures I took during the process. I also just had someone crank the key while I observed. We were able to get the starter to crank for about a half second and it sounded like a bad battery. On all other attempts the starter plunger moved but did not spin the flywheel. The positive cable from the battery to the starter gets very warm/hot during the process. The engine is turning a bit, the fan moved a few cm's during each crank attempt. I still have my doubts on the battery as it is only a few months old and is a deep cycle marine battery, but what do I know. It seems my tinkering may be causing many of my problems. I will check all the electrical connections again becuase I did physically adjust/try to improve many of the connections I thought were obvious problems during this process.

One last Q, would a bad starter relay cause this type of problem, see picture of what I think is the relay on the firewall.

Thanks again!
DSCN9581.webp
DSCN9594.webp
DSCN9605.webp
 
Hi Albert.

I doubt I am much help here.

It worries me abit about that wire. ---- You say it was earthed by being wrapped around a screw but yet now you have soldered it to one of those "contacts" beneath the solenoid (which I didn't think was "an earth")?

:hhmm: ..... I know ---- I throw a whole pile of images from the FSM on here and perhaps they'll help us. :D (Ya never know you're luck.)

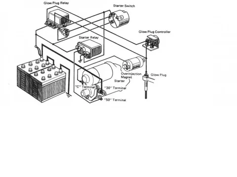
Here a pix of the starter:

starter1.webp

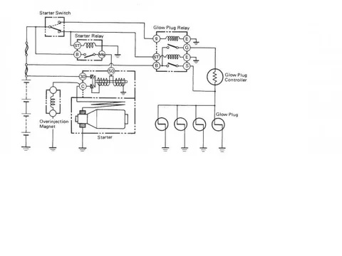
and here's one of the wiring (but the manual has shown it only with a 24V battery set-up):

starter2.webp
PS. Amaurer has proven that terminal S is actually connected to nothing-at-all inside the glow plug relay on his BJ42.

And here is another (again shown for 24 Volt):

starter3.webp
starter1.webp
starter2.webp
starter3.webp
 
And here is what the manual had to say about bench testing:
startertest1.webp

startertest2.webp

startertest3.webp
startertest1.webp
startertest2.webp
startertest3.webp
 
And last picture Albert:

startertest4.webp
startertest4.webp
 
Oh - One more thing. If that relay on your firewall is indeed your "starter relay" then it is an aftermarket one I think. Here is a photo of my starter relay on my 1979 BJ40 where it sits in the passenger footwell area behind that big plastic rectangular air duct (by the way - mine's a RH drive vehicle):

relayglow_start.webp

I suspect, from the thickness of the wiring on your firewall-mounted one, that it is more likely to be an aftermarket relay for something else - like the glow plugs perhaps.
relayglow_start.webp
 
Starter Diagrams

Tom

These diagrams will be very helpfull, thanks! The loose wire really looked like it belonged to that terminal which has a square, thin, washer (below the copper square headed bolt), that had some old solder on it. The loose wire was extended with a small splice under the original insulation on the wire. This does not mean I have it right however. Does your manual have a diagram of the contact's side of the starter below the cover with the three screws? I guess the tests will be the same regardless of 12V vs 24V?

I'll let you know how the tests go, if I can figure them all out.

Also, I have been meaning to post the part number for the leakage pipe and other fuel related items I ordered form EBI. Here they are.

Leakage pipe - 23760-56022
Washers - 23654-46010
Nuts - 23628-46010

All of these items were shipped new as Genuine toyota parts.
 
....The loose wire really looked like it belonged to that terminal which has a square, thin, washer (below the copper square headed bolt), that had some old solder on it. The loose wire was extended with a small splice under the original insulation on the wire. This does not mean I have it right however. .......

Yeah. I know what you mean Albert. I think you could well have done the right thing there. (I'm not saying otherwise.)

Truth is - At the moment I don't have the time to study things very deeply. I've got some "private stuff" to handle - Like I'm due in court on 10 Sept facing "Careless Driving" charges". - I happened to pull out in front of a police car (at night so I didn't identify it as police till I caught the silouette of its roof-mounted lights in my mirror - and by then it was too late) when the occupants were inexperienced and had been having a bad day! They claimed I leapt out and forced them to "emergency-brake" and reacted with the police version of "road-rage". My lawyer wants a summary of the facts pronto so I gotta get onto that sometime soon.)

....Does your manual have a diagram of the contact's side of the starter below the cover with the three screws? ....

No. But I'll add a couple more pictures here of testing the "pull-in" and "holding" coils. (There's a lot of stuff in the FSM on starter motors):

pull-n@holdincoils.webp


...I guess the tests will be the same regardless of 12V vs 24V?....

Yes. That section in the FSM is written to cover both 12V and 24V versions. (Hence the different current values stated.)

.......I'll let you know how the tests go, if I can figure them all out. ..........

Thanks. (But I'm not sure how you'll get on. ---- I wouldn't be able to do that starter current test myself. I certainly don't have an ammeter capable of measuring 150 amps!)

...Also, I have been meaning to post the part number for the leakage pipe and other fuel related items I ordered form EBI. Here they are.

Leakage pipe - 23760-56022
Washers - 23654-46010
Nuts - 23628-46010

All of these items were shipped new as Genuine toyota parts.

Thanks for that info Albert.
pull-n@holdincoils.webp
 
In post #3 the first photo in the second line looks to me like the contact is getting worn. That would be the contact on the left side. What tends to happen is that the contacts wear and then a blob of copper collects on the plunger or one of the contacts and doesn't allow the plunger to make contact to both contacts. So the plunger will push out the gear but the current doesn't make it to the starter motor.
 
The photo from the before the repair, with the loose wire? I'm not sure what the contact you describe is or the proper terms. The the removable copper bolt with a square head seemed like new to me but I do not have anything to compare, is this the contact?. The one on the right had a slight dent on the top side of the bolt head but the thickness of the head was similar to the other side. The part that is a L shape held down by the bolts was visibly grooved on both side at 90 degrees to the bolts. I did not know if this is the way the part comes or wear from the rotating parts. This discussion is very helpful and motivating to help me get it done and on the road. thanks
 
The contact is the "L" shaped piece. Generally you'll see one side much more grooved than the other and yes, the groove is from wear. You'll want to replace the contacts as that and possibly the plunger, if it is pitted, will likely be the source of your problems.
 
Thanks Tom. I checked that post yesterday but was not sure if the part was interchangeble. I ordered them from cruiserparts.net. They are the closest supplier to me on the east coast, I think. Ill post as soon as I get them and fit them in the starter. How did you make out with the traffic violation?
 
....How did you make out with the traffic violation?

Hi Albert

I haven't even started the "time-sequenced-summary-of-events" that my lawyer asked me for. - Maybe next week! ......... And the court appearance isn't till 2-3 week's time. The whole thing is a complete waste-of-time for everyone involved if you ask me. But I'm not one to "give in" and accept unfairness. ---- Even if things don't go my way - I'll just treat it as "one of life's learning experiences". I don't have a great deal of respect for "the justice system" anyway so it is not as though I will be surprised if the verdict goes against me. (Tell you what - I'll post the end-result as an edit here on this post if I remember--- Since I mentioned my predicament here.)

Edit 10 Sept - Update - Appeared in court today. Defended myself. (Ha ha - Long story).) Was convicted and fined $150 (minimal amount). Strangely enough I'm happy with that outcome - especially since I was able to enlighten everyone about the police behaviour (one of them in particular) from the witness stand. And, as far as the verdict is concerned, I acknowledge that a sworn policeman's evidence "under oath" must be given credence over mine (where there is direct conflict). But as an optimist - I suspect private opinion may have gone my way - which gives me a lot of satisfaction.

But I finally got the :princess:'s new "freestanding cooker" installed in the kitchen today. It's presently "undergoing trials" and ponging out the whole house. (I never realised you had to "burn in" a new oven for an hour or two "to get rid of all the toxic fumes" before you start cooking your food in it.)
 
Last edited:
New contacts and a plunger were installed today and...the starter did the same as it has been. Prior to re-installing the starter I was not able to do any bench tests because of the lack of the proper tools.

I have priced a complete rebuild and was quoted $250.00, its seems like a fair price and at this point I know I have run out of do-it-yourself options, also know as screw it up yourself options. What are other people getting for a complete rebuild? Price does not include shipping, which will be a bit high as the repair shop is a few states away (NJ to NH).
 
New contacts and a plunger were installed today and...the starter did the same as it has been.

That's a bit of a surprise. If the gear pops out and hits the flywheel but the starter doesn't spin then either the motor is burned out/bad brushes or the solenoid is not transfering current and you've just fixed the solenoid contacts so they should be good.
 
That's a bit of a surprise. If the gear pops out and hits the flywheel but the starter doesn't spin then either the motor is burned out/bad brushes or the solenoid is not transfering current and you've just fixed the solenoid contacts so they should be good.

x 2.... but with the addition of saying that perhaps the "holding coil" is not working to KEEP the contacts closed.

And sorry to hear that you haven't had success yet Albert.
 
Back
Top Bottom