I have a 105 series and I've been doing it up now for a couple of years.
So when it came to choosing a winch, the trusty WARN M8274 high mount came highly recommended. It's known to be a strong, reliable, and proven old school winch that's still widely used around the world.
I hunted around for a couple of months and eventually I found a reasonable 2nd hand 8274 on Ebay for AUD$810 delivered (from a guy in South Australia who said it was in his shed for over 10yrs. Seem a lot of people have these in their shed for many years before deciding to part with it). To me it seemed to be in good working order and was only missing the rope + hook.
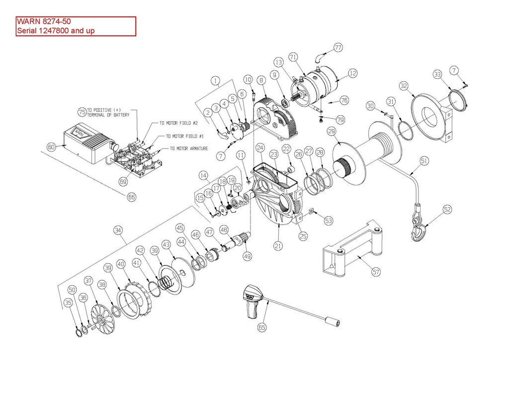
The parts list and exploded diagrams for the various 8274 iterations are here:- Warn Industries - Replacement Parts


Unless you have a really old winch (like mine which predates serial# 348069), then you need to look here beacuse for some reason it's not / or I couldn't find it on the WARN website:- http://www.dojodesign.com/toyota/warn/M8274_RPL_Old.pdf


This is how it looked when I unpacked it.



From what I have gathered, the motor fitments are like this:-
1974 to ~1986 - Prestolite motor / model MRV-B-3 rated @ 2.1HP with keyed shaft
~1987 to 1998 - Bosch motor / model MRV-B-4 rated @ 2.5HP with splined shaft
1998 - present - Warn motor / Warn Part# 7536 rated @ 4.6HP
Alternative - Warn motor / Warn Part# 68608 rate @ 6HP
I've never owned an electric winch before, and never seen an 8274 in action though I did have a PTO winch on my 60 series for the best part of 10yrs. Even so this electric winch stuff is all quite new to me so I had some homework to do on the 8274. I was surprised at how much info there was available, and easy to find!
Here are a few threads I found / some good write ups on 8274 modification and overhaul:-
How old is your Warn M8274 ? - Patrol 4x4 - Nissan Patrol Forum
Rebuilding the legendary Warn M8274 electric winch step by step
Warn 8274 rebuild
My WARN 8274 rebuild part 1.....
Stronger Warn 8274
Warn 8274 experts, CONVERGE!!
I wanted to overhaul the winch regardless and after reading all this info, I also decided to make a few mods at the same time. Being a fitter / turner in a fabrication business, most of the mods below turned out to be quite cheap and easy, though the +76mm GP drum is a little expensive. And so is the synthetic rope if buying the branded material.
Mods on the wishlist for this winch build:-
1) Fit drain and fill plugs to the main housing
2) Brace the floating end support
3) Fit improved friction material in the brake assembly
4) Drill and tap the brake shaft, machine washer to fit (to prevent circlip from flying off)
5) Drill and pin the OEM free-spool lever (to prevent untimely disengagement)
6) Drill and tap the brake pawl, fit grease nipple
7) Install Allbright solenoid pack
8) Fit +76mm Gigglepin air free-spool drum
9) Fit SS Hawse fairlead with synthetic rope and safety thimble
10) Fit high-output 6HP Warn motor
Before doing anything I hooked some jumper leads to the solenoid pack and tested it as best I could (there was no winch cable or bar to mount the winch to). Even so everything seemed to be in good working order, no problems yet!
Then it was time to strip down the winch, and once I had it apart I thought it looked pretty good considering it's from 1983 and more than 30yrs old!





I'm interested to see the real condition of things once all is stripped and cleaned, and to see what prices are for the necessary spares.
So when it came to choosing a winch, the trusty WARN M8274 high mount came highly recommended. It's known to be a strong, reliable, and proven old school winch that's still widely used around the world.
I hunted around for a couple of months and eventually I found a reasonable 2nd hand 8274 on Ebay for AUD$810 delivered (from a guy in South Australia who said it was in his shed for over 10yrs. Seem a lot of people have these in their shed for many years before deciding to part with it). To me it seemed to be in good working order and was only missing the rope + hook.
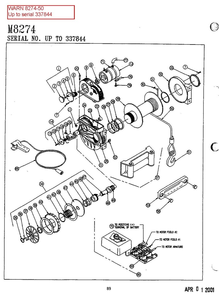
The parts list and exploded diagrams for the various 8274 iterations are here:- Warn Industries - Replacement Parts


Unless you have a really old winch (like mine which predates serial# 348069), then you need to look here beacuse for some reason it's not / or I couldn't find it on the WARN website:- http://www.dojodesign.com/toyota/warn/M8274_RPL_Old.pdf


This is how it looked when I unpacked it.



From what I have gathered, the motor fitments are like this:-
1974 to ~1986 - Prestolite motor / model MRV-B-3 rated @ 2.1HP with keyed shaft
~1987 to 1998 - Bosch motor / model MRV-B-4 rated @ 2.5HP with splined shaft
1998 - present - Warn motor / Warn Part# 7536 rated @ 4.6HP
Alternative - Warn motor / Warn Part# 68608 rate @ 6HP
I've never owned an electric winch before, and never seen an 8274 in action though I did have a PTO winch on my 60 series for the best part of 10yrs. Even so this electric winch stuff is all quite new to me so I had some homework to do on the 8274. I was surprised at how much info there was available, and easy to find!
Here are a few threads I found / some good write ups on 8274 modification and overhaul:-
How old is your Warn M8274 ? - Patrol 4x4 - Nissan Patrol Forum
Rebuilding the legendary Warn M8274 electric winch step by step
Warn 8274 rebuild
My WARN 8274 rebuild part 1.....
Stronger Warn 8274
Warn 8274 experts, CONVERGE!!
I wanted to overhaul the winch regardless and after reading all this info, I also decided to make a few mods at the same time. Being a fitter / turner in a fabrication business, most of the mods below turned out to be quite cheap and easy, though the +76mm GP drum is a little expensive. And so is the synthetic rope if buying the branded material.
Mods on the wishlist for this winch build:-
1) Fit drain and fill plugs to the main housing
2) Brace the floating end support
3) Fit improved friction material in the brake assembly
4) Drill and tap the brake shaft, machine washer to fit (to prevent circlip from flying off)
5) Drill and pin the OEM free-spool lever (to prevent untimely disengagement)
6) Drill and tap the brake pawl, fit grease nipple
7) Install Allbright solenoid pack
8) Fit +76mm Gigglepin air free-spool drum
9) Fit SS Hawse fairlead with synthetic rope and safety thimble
10) Fit high-output 6HP Warn motor
Before doing anything I hooked some jumper leads to the solenoid pack and tested it as best I could (there was no winch cable or bar to mount the winch to). Even so everything seemed to be in good working order, no problems yet!
Then it was time to strip down the winch, and once I had it apart I thought it looked pretty good considering it's from 1983 and more than 30yrs old!





I'm interested to see the real condition of things once all is stripped and cleaned, and to see what prices are for the necessary spares.
Last edited:
















































