Warning fuel buzzer Hzj70

This site may earn a commission from merchant affiliate
links, including eBay, Amazon, Skimlinks, and others.

Joined
Feb 3, 2022
Threads
5
Messages
16
Location
Salto Uruguay
Hi friends
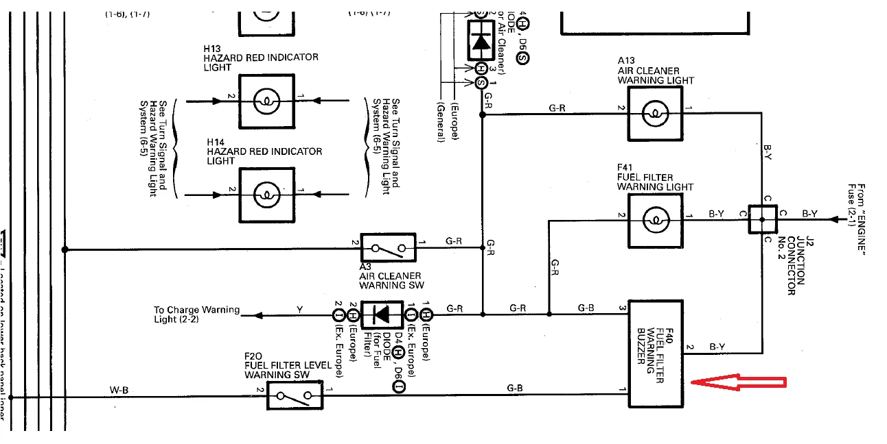
My warning light fuel sedimenter not working and the manual shows a buzzer where is conected.
Where Thatcher buzzer can help my.
Tanks G
 
Ayudaaaaa.
Tengo el manual eléctrico pero no encuentro el timbre en el vehículo ya que el testigo del sedimentador realiza el chequeo, pero no funciona cuando el sensor de agua en el filtro está en cortocircuito.
gracias guillermo

Buzzer.webp
 
Helpeeeee.
I have the electrical manual but I can't find the buzzer in the vehicle since the sedimentation light checks, but it doesn't work when the water sensor in the filter is short-circuited.
thanks william
 
Hello,

Buzzers are located in the dash panel, close to the relay block or behind the instrument cluster cover. Another place is behind the glove box. Location may change depending on the destination market.

You can also follow the cables. Per your diagram, the cable should be green and black in color from the switch to the buzzer, and black and yellow from the junction box to the buzzer.

Last but not least, it is wise to stick to English when posting.






Juan
 
Back
Top Bottom