ok, mods, i am going to try and reach out farther on this one. first it really doesn't matter what model truck this is going into, all i really need is a wiring schematic. and so far, I havent been able to figure one out.
so I am going to make a few posts in the TLC sections, and link it to here. so please dont delete them.
Wavin.
Normally i wouldn't F with this, but since the PO removed the pass side switch and compltletly disassembled the drivers switch, and used those awful tweeker connectors for some of the existing wires, grounded wires that he shouldnt have, and charged ground wires, I am left with a giant mistake.
So now in order to get my window to go up and down, I just hot wire it directly at the motor connector.
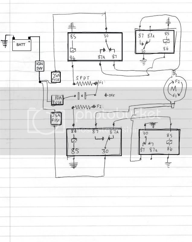
I was thinking about this, how to first draw up a wire scematic, to use a total of four relays, and two up only switches, and two down only switches.
or use a double throw double pull switch. but with that one i dont know if I can run two circuts thru it with out them closing on one another.
has anyone drawn up a scematatic for this?
It is not nessicary for me to be able to operate the passenger window from my door. I can lean over and operate it.
so I am going to make a few posts in the TLC sections, and link it to here. so please dont delete them.
Wavin.
Normally i wouldn't F with this, but since the PO removed the pass side switch and compltletly disassembled the drivers switch, and used those awful tweeker connectors for some of the existing wires, grounded wires that he shouldnt have, and charged ground wires, I am left with a giant mistake.
So now in order to get my window to go up and down, I just hot wire it directly at the motor connector.
I was thinking about this, how to first draw up a wire scematic, to use a total of four relays, and two up only switches, and two down only switches.
or use a double throw double pull switch. but with that one i dont know if I can run two circuts thru it with out them closing on one another.
has anyone drawn up a scematatic for this?
It is not nessicary for me to be able to operate the passenger window from my door. I can lean over and operate it.
Last edited:


