LC80 1997, 1Fz-Fe. Desperate with a starting Gremlin.

This site may earn a commission from merchant affiliate
links, including eBay, Amazon, Skimlinks, and others.

Extended crank after cold soak was *exactly* the symptoms mine had with a leaky injector or two. I'd sent an unknown status set from a donor engine off to Injector Masters for clean/flow. They came back with a good bill of health, however after sitting overnight i'd have a long crank or take two tries (this is on a freshly rebuilt engine, were literally every other part was replaced or confirmed to be functional)

I took the nuclear approach and just ordered 6 new injectors from Toyota and installed them which cured my problem. Fires right up as it should now.

I sent that leaky set back to Injector Masters and had Wayne take another look- he confirmed a couple would leak down after sitting on his test bench for HOURS- not a check he normally performs, so I don't fault him for not catching it. If you send your set it, specify your issue so he knows what to check. www.injectormasters.com
 
He wrote in his last post that it started up fine in the morning, but then required multiple cranks after a short drive. I think this rules out a slow leaking injector.
 
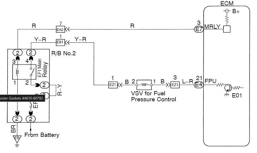
You could check your Fuel Pressure Control Circuit, which controls the Fuel Pressure Regulator via the ECM.

This is found under "Hot Engine (Difficult to Start)" in the FSM. There is a vacuum line on the VSV, so check all your vacuum lines to see if they are good.

The other potential failure shown for Difficult to Start in the FSM: "Fuel pump control circuit." This can be either hot or cold engine. In this circuit, which includes Circuit Opening Relay, Fuel Pump Relay, and Fuel Pump Resistor, but the front crankshaft position sensor is part of it. Perhaps you have one going bad?

Fuel Pressure Control Circuit



View attachment 3846910
Thank You. Yes this is one of my directions to look at. What makes it hard is that the failure is on first start. 90% of the time next turn of the key works, which makes troubleshooting frustrating. I had discounted the VSV on a hot start failure as its mostly a cold start issue. The crank Position sensor could be a possibility, But I thought it was in the distributor. Mine is brand new.


Copy on the relays, they are all being replaced. The EFI relay was very warm to hot this morning after only 5 Km cold drive. Going to set a test lamp rig on +B terminal of Data Link Connector. If it fails to close on cold start, that may be the culprit. Going to replace it today regardless. But I really want to find the smoking gun. Buckshot at everything at once wont identify the actual problem.

Thanks mate, I do appreciate your input on this.

Cheers from downunder.

D
 
Back
Top Bottom