LC80 1997, 1Fz-Fe. Desperate with a starting Gremlin.

This site may earn a commission from merchant affiliate
links, including eBay, Amazon, Skimlinks, and others.

OffroadTrainers

GOLD Star
Joined
May 2, 2024
Threads
2
Messages
11
Location
Australia
Hey all. Need some serious detective work here. At my wits end with a fail to start, first key turn. Been chasing this for 2 months now.

Symptom. 1st key turn cranks but no fire. Key remains at "ON". wait 5 seconds, turn key, engine fires. Only happens of first morning start. Ambient temp 15C.

So far.

New OEM Distributor.
Replaced Fuel Pump (Bosch)
Twin batteries in parallel. 12.8v on cranking
Open Circuit, EFI and fuel pump relays bench test OK.
Power at injectors, igniter and coil.

I have full 1300 page Toyota manual with wiring diagrams etc. so yes, I have spent some time on this.

As mentioned,. Only happens on first start of the day. never repeats, motor sweet as from then on.

Any help or insights would be very much appreciated. All auto sparkies in town are not interested


What am I missing?


Much Thanks in advance

Denis
 
I am thinking fuel...

Have you checked the fuel pressure regulator?

Is the gas tank under vacuum at first start?
No vacuum in tank at start.

Haven't checked that. Good call. It's in a bitch of a spot though. Don't have fuel pressure test gear. Might just replace it.
 

I used this thread to help me identify my no start issues.
 
Internal leak on an injector .. Check your fuel pressure on the rail after it has sat over night
 

I used this thread to help me identify my no start issues.
Thanks I had seen this one. Got me to where I am.
 
Circuit opening relay is going bad. Everything is mentioned above is possible, but this is the most likely, IME.
 
I am thinking fuel...

Have you checked the fuel pressure regulator?

Is the gas tank under vacuum at first start?
I am thinking fuel...

Have you checked the fuel pressure regulator?

Is the gas tank under vacuum at first start?
Hey, Q: is the Fuel Pressure regulator supposed to hold its 40psi? When I unscrewed it there was no pressure. Problem persists. Going down the fuel pressure at cold start rabbit hole.
 
Popped Fuel Pressure Regulator. No pressure after overnight, but rail was full to the brim.
That is exactly what you get when you have an injector internally leaking . No rabbit hole take them out send them out have the cleaned and flowed put them back in . I use injector rx in Tx costs about 160 bucks and takes a week
 
Hey, Q: is the Fuel Pressure regulator supposed to hold its 40psi? When I unscrewed it there was no pressure. Problem persists. Going down the fuel pressure at cold start rabbit hole.

I would think it would start fine as long as the entire fuel line is filled with fuel. Pressure should build quickly. If you keep cranking at the first start, does it start? If so, how long do you need to crank the engine? Or, turn key to on, wait 10 seconds, and now does it start?

If you are now able to start the engine, cranking longer (or waiting to crank), then I do think it is a fuel issue.

On my LS swap swapped FJZ80, I can turn the key on, and hear the fuel pump activate, and then I start the engine.

I think @raisinhell2 idea of a leaky injector is a great one. It would cause the same issue.
 
I would think it would start fine as long as the entire fuel line is filled with fuel. Pressure should build quickly. If you keep cranking at the first start, does it start? If so, how long do you need to crank the engine? Or, turn key to on, wait 10 seconds, and now does it start?

If you are now able to start the engine, cranking longer (or waiting to crank), then I do think it is a fuel issue.

On my LS swap swapped FJZ80, I can turn the key on, and hear the fuel pump activate, and then I start the engine.

I think @raisinhell2 idea of a leaky injector is a great one. It would cause the same issue.

99.9% of starts are quick and strong. Cold start this morning 100% (parked for 12 hours). Quick turn of the key through the drivers window. Yesterday, after a 20 minute drive I went to fuel up. Took 4 cranks to get it to fire. 3 minutes in between crank 3 and 4. Thats what occurs randomly. not related to fuelling up.

@raisinhell2 idea of a leaky injector is valid, but the randomness of the fault seems to point away from a leak. Logic is sound, but I am not 100% there yet. Hence my question as to whether the FPR is supposed to hold the pressure in the fuel rail overnight. Could it be backflowing to the tank? is there a one way valve somewhere I am missing?

So forgetting the injectors for a moment. That leaves me with????

The Fuel Pump Relay. Not switching to high current on start.
Open circuit relay randomly failing to close.
EFI relay randomly failing to close.
Fuel Pressure Regulator allowing backflow of pressure from fuel rail (Random?)
Vacuum Control Valve (or vacuum leak) causing interference with pressure regulator.

It's the randomness that points away from the injectors. Is that sound logic?
 
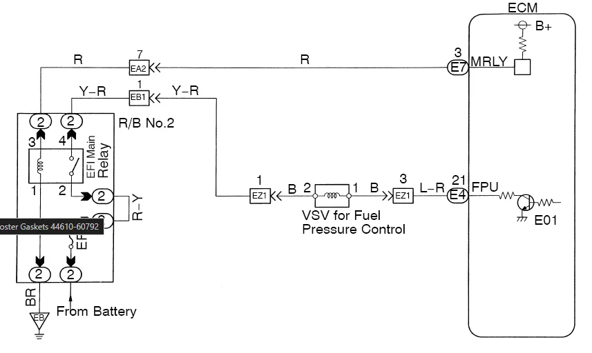
You could check your Fuel Pressure Control Circuit, which controls the Fuel Pressure Regulator via the ECM.

This is found under "Hot Engine (Difficult to Start)" in the FSM. There is a vacuum line on the VSV, so check all your vacuum lines to see if they are good.

The other potential failure shown for Difficult to Start in the FSM: "Fuel pump control circuit." This can be either hot or cold engine. In this circuit, which includes Circuit Opening Relay, Fuel Pump Relay, and Fuel Pump Resistor, but the front crankshaft position sensor is part of it. Perhaps you have one going bad?

Fuel Pressure Control Circuit
The ECM turns on a VSV (Vacuum Switching Valve) to draw the
air into the diaphragm chamber of the pressure regulator if it detects
that the temperature of the engine coolant is too high during
engine starting.
The air drawn into the chamber increases the fuel pressure to
prevent fuel vapor lock at high engine temperature in order to
help the engine start when it is warm.
Fuel pressure control ends approx. 120 sec. after the engine is
started.


1740489861373.webp
 
...still have my money on the Circuit Opening Relay
 
Back
Top Bottom