Holley Sniper 2GC small Bore Kit

This site may earn a commission from merchant affiliate
links, including eBay, Amazon, Skimlinks, and others.

Joined
Aug 16, 2013
Threads
59
Messages
460
Location
Santa Rosa CA
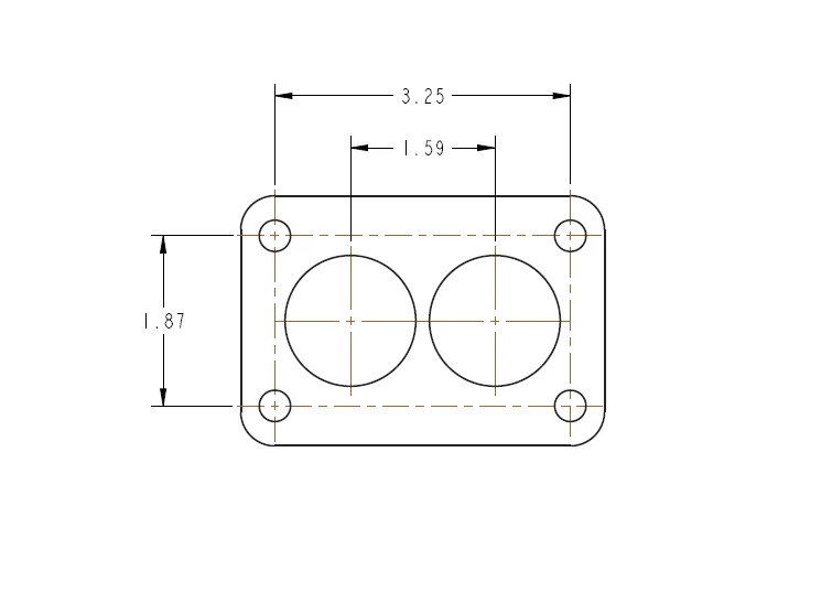
Why doesn't anyone use the Holley 2GC small bore kit? It is about half the cost. I am looking at the base plate and it seems very similar . I need to compare the exact measurements to be sure. But here are the measurements from Holley.


162195789_489773875716154_3521740989759285588_n.webp
 
I did find this mud article. But I have a 2F from an 83 FJ60.

 
I'm currently in the process of doing a 2 barrel sniper install....only a year into now...going to probably start working on it again in the next few weeks as she warms up (on my fj40)
 
Back
Top Bottom