Could a kill switch kill my fuel pump relay?

This site may earn a commission from merchant affiliate
links, including eBay, Amazon, Skimlinks, and others.

Joined
Apr 9, 2013
Threads
236
Messages
2,127
Hi All,
I installed a kill switch 10 years ago, which interrupts the 12V+ to my fuel pump relay. When I get in the truck, I crank the engine a couple times to circulate the oil. Then, I flip the kill switch to provide power to the fuel pump relay. It starts up fine every time.
This past weekend, I was out on the trail and the truck wouldn't start. I bypassed the fuel pump relay by connecting a wire from the #3 terminal in the plug that goes into the fuel pump relay, and heard fuel pumping as normal. It looked to me like there was excessive dialectic grease in the connector, so I wiped and blew it out. Then the truck started fine.
About 6 or 7 years ago, a similar thing happened and I had to replace the fuel pump relay to get the truck working again. I'm that instance, the fuel pump relay bench tested fine per the FSM. I concluded it was failing intermittently because after I replaced it the problem never recurred.
So, could my kill switch be killing my fuel pump relay? The truck only has 35K miles on it since I replaced that part, and it seems highly unusual that it would fail again so soon.
The truck has started normally six times in a row now since I got it started on the trail over the weekend.
Thoughts?
 
Maybe your switch is underrated for the current the pump draws?
That's a thought. Thank you. The switch has a decal on it which says it's rated for 20A. It's a Toyota switch. I have to think the fuel pump pulls less than that, but I'll look. Thank you for that suggestion.
 
Looks like it runs off the EFI fuse, which is only 15A, so that's not it.
Depends on which wire you interrupted for the kill switch.

If you interrupted the low amperage side of the relay, then no. If you did the high amperage side, yes because that means the start cycle is still activating the relay and the contacts may be arcing more because of the additional resistance in the circuit from the switch.

Typical relays have a low voltage low amperage side the switch operated from and that hold in the high amp side of the circuit so it doesn't have the high amp arcing.
That's the entire purpose of a relay.
 
Depends on which wire you interrupted for the kill switch.

If you interrupted the low amperage side of the relay, then no. If you did the high amperage side, yes because that means the start cycle is still activating the relay and the contacts may be arcing more because of the additional resistance in the circuit from the switch.

Typical relays have a low voltage low amperage side the switch operated from and that hold in the high amp side of the circuit so it doesn't have the high amp arcing.
That's the entire purpose of a relay.
Thank you, I appreciate that reply. I have the EWD, but I'm wiring challenged. Can you tell me what wire I should and should not be interrupting? I don't have the diagram in front of me or I would put an image of it here. If you don't have it, I'll look for it later. Thanks!
 
Thank you, I appreciate that reply. I have the EWD, but I'm wiring challenged. Can you tell me what wire I should and should not be interrupting? I don't have the diagram in front of me or I would put an image of it here. If you don't have it, I'll look for it later. Thanks!
Ill look later when I'm on a computer
 
Hey there, anything else you can suggest or offer to help me on this one? Thanks so much.
 
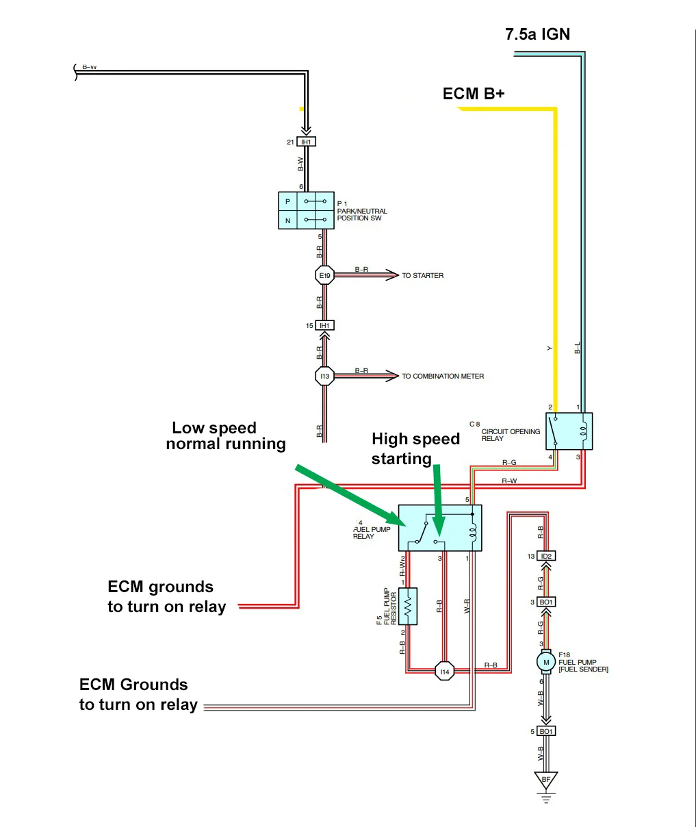
Here is a cut down diagram of your circuit. I added arrows with descriptions about what each contact does.

The Toyota fuel pumps and relays are very robust but nothing lasts forever. Your kill switch itself wont cause the relay to fail, only prevent it from working. If your fuel pump was pulling too much current, that can burn the relay contacts. If you still have the old relay, you could pull the cover off and inspect the contacts. It will be obvious if that's what happened.

You mentioned bench testing the original relay. I've never been a fan of bench testing. Almost everything I do is volt drop under a load. Bench testing can lead to a false positive. Yours showed bad so it worked. Also I found most aftermarket relays are inferior to the factory ones.

The fact that you replaced the relay tells me that was the problem or the result of the fuel pump drawing too much power. That was an issue with most of the American car fuel pumps in the 90's but I didn't see it in the Japanese. Never say cant happen.

You see in the diagram, there is a high speed and low speed circuit in your relay. The high speed gets the truck started and the low speed runs it. If the low speed part burns out (relay contact, resistor or wiring) the vehicle will start, run a few seconds and die. If the high speed burns out, it wont start. If anything else is wrong replacing the relay wouldn't get it to start.

fuel pump.jpg
 
Last edited:
You see in the diagram, there is a high speed and low speed circuit in your relay. The high speed gets the truck started and the low speed runs it. If the low speed part burns out (relay contact, resistor or wiring) the vehicle will start, run a few seconds and die. If the high speed burns out, it wont start. If anything else is wrong replacing the relay wouldn't get it to start.
Just want to add that the ECM selects high speed at startup and under higher engine loads like brisk acceleration.
 
Here is a cut down diagram of your circuit. I added arrows with descriptions about what each contact does.

The Toyota fuel pumps and relays are very robust but nothing lasts forever. Your kill switch itself wont cause the relay to fail, only prevent it from working. If your fuel pump was pulling too much current, that can burn the relay contacts. If you still have the old relay, you could pull the cover off and inspect the contacts. It will be obvious if that's what happened.

You mentioned bench testing the original relay. I've never been a fan of bench testing. Almost everything I do is volt drop under a load. Bench testing can lead to a false positive. Yours showed bad so it worked. Also I found most aftermarket relays are inferior to the factory ones.

The fact that you replaced the relay tells me that was the problem or the result of the fuel pump drawing too much power. That was an issue with most of the American car fuel pumps in the 90's but I didn't see it in the Japanese. Never say cant happen.

You see in the diagram, there is a high speed and low speed circuit in your relay. The high speed gets the truck started and the low speed runs it. If the low speed part burns out (relay contact, resistor or wiring) the vehicle will start, run a few seconds and die. If the high speed burns out, it wont start. If anything else is wrong replacing the relay wouldn't get it to start.

View attachment 3822705
Thanks so much for taking the time to do that.
I like to crank my engine a few times with the kill switch in the off position, to get the oil cranking and avoid rattly starts.
Do you think I should cut the power at a particular point/wire for that purpose?
You know a lot more about this than I do, so just wondering if you think that the way I'm using the kill switch could cause the problem I'm experiencing and whether I can continue to use the switch if I change how I have it wired.
Thanks so much.
 
If i was to do it, I would interrupt the circuit opening relay. That way your dealing with lower power (amperage) and the switch wont be as critical. If you interrupt any of the main circuits (fuel pump relay), you need to make sure your switch is good enough to handle the current. You mentioned a 20 amp rated switch, that should be more than enough no matter where you interrupt. To answer your question directly, your switch cannot burn out your relay.

Remember, there's three ways to ruin a switch/relay. Normal contact wear over time, resistance due to moisture or some contaminant and too much current flow. The last one could be due to too low of a current rating of the switch/relay or, what its controlling is now pulling more through it. In this case it would be fuel pump. OH....I left out cheap crap relay..

Its been a while since I've tested fuel pump current, so I cant give you a good number. If you eat another relay, I would make that my next test.
 
If i was to do it, I would interrupt the circuit opening relay. That way your dealing with lower power (amperage) and the switch wont be as critical. If you interrupt any of the main circuits (fuel pump relay), you need to make sure your switch is good enough to handle the current. You mentioned a 20 amp rated switch, that should be more than enough no matter where you interrupt. To answer your question directly, your switch cannot burn out your relay.

Remember, there's three ways to ruin a switch/relay. Normal contact wear over time, resistance due to moisture or some contaminant and too much current flow. The last one could be due to too low of a current rating of the switch/relay or, what its controlling is now pulling more through it. In this case it would be fuel pump. OH....I left out cheap crap relay..

Its been a while since I've tested fuel pump current, so I cant give you a good number. If you eat another relay, I would make that my next test.
Thanks so much. I appreciate your time and your advice.
 
I will add that another cause of premature death is caused by relay chatter. Chatter is the rapid cycling due to an intermittent connection on the relay coil circuit. So if your kill switch wiring added any flakey connections, then yes, it could spell an untimely demise for your relay.
 
I will add that another cause of premature death is caused by relay chatter

Sorry....need to deflect from the OPs question a sec.
The one thing you never want to do is pulse width a relay. The "chatter" will kill one fast.
Thank you jeep for pulse width(ing) an engine fan relay on two years of grand Cherokee (mid 90's?)
To add insult to injury, it was mounted under the passenger headlight. They expected you to remove the entire front bumper/headlight assy to replace it. The life span was only several months....Good Job Jeep.
 
Back
Top Bottom