Christmas Tree on Dash after scanning for Codes while engine running

This site may earn a commission from merchant affiliate
links, including eBay, Amazon, Skimlinks, and others.

Joined
Sep 29, 2021
Threads
7
Messages
74
Location
Colorado
Long time no see Gx Family,

After completing my lift on my '06 Gx470 (about 3 months ago) everything was golden.. Till a few days ago when I finally decided to get ol lexus registered.

Before I went to the emissions station here in Denver I decided to run a OBD scan so I knew I was in good shape. To my mistake, I decided to run the DTC scan while the engine was running (not sure if this caused my issues).

During the scan my dash lit up with TMPS, BRAKE, ABS, VSC TRAC, VSC OFF, Slip indicator and downhill decent lights and the shifter wont go out of park unless the bypass is pressed.
But no Check engine which I found odd.
Also noticed that my power windows, memory seats are INOP and the speedometer only reads when I press the brake. All issues popped up at the same time.

So far I have found that my scanner is having communication issues with the VSC ECU along with no power at the STA fuse on the driver kick panel. No fuses appear to be blown anywhere.
With this collection of infomation I have found a ABS VSC module might be the culprit. Yet, I am not sure how that would effect my power windows and memory seats..




-If anyone has any other insight into a issue similar to mine please let me know. Any guidance is greatly appricated!
I will be sure to keep this post updated once I remedy the issues.

1576F4A8-CB8B-49BF-860B-43FB04A75836.webp


A33A2DD9-EBBB-4757-A304-47310ED23528.webp
 
I went through this same issue when i cut a fog pigtail without disconnecting the battery by mistake . First thing I did was to check all my fuses but they all seemed to be good . Then I went down the research rabbit hole and only ran into dead ends . When i was at a complete loss of what to do next i rechecked my fuses and it was indeed a fuse in the kick panel . Probably doesn't solve your issue but that's how it worked out for me . Best of luck .
 
I went through this same issue when i cut a fog pigtail without disconnecting the battery by mistake . First thing I did was to check all my fuses but they all seemed to be good . Then I went down the research rabbit hole and only ran into dead ends . When i was at a complete loss of what to do next i rechecked my fuses and it was indeed a fuse in the kick panel . Probably doesn't solve your issue but that's how it worked out for me . Best of luck .
@IBWOZ

Did you have all of the same symptoms? Lights on dash and Parking lever stuck?

I ordered a set of Mini fuses. Going to replace them all, regardless if they look blown or not.
 
@IBWOZ

Did you have all of the same symptoms? Lights on dash and Parking lever stuck?

I ordered a set of Mini fuses. Going to replace them all, regardless if they look blown or not.
I don’t recall parking lever stuck but I rarely set mine anyhow . I know that my shift lever was until I released it but yes I experienced all the same symptoms you are describing ,

When I finally found the culprit fuse it was visually noticeable . It was it was probably the third time I had pulled that fuse . Not sure how I didn’t see it previously?
 
I just went through a similar issue where I blew the 140a fuse. It’s the giant fuse in engine bay and it is bolted in so you can’t easily change it. I sincerely hope you don’t have same fuse blown…
 
I don’t recall parking lever stuck but I rarely set mine anyhow . I know that my shift lever was until I released it but yes I experienced all the same symptoms you are describing ,

When I finally found the culprit fuse it was visually noticeable . It was it was probably the third time I had pulled that fuse . Not sure how I didn’t see it previously?
I meant shift lever, not parking lever.

@Sixto Lezcano - I will have to give that one a look.
 
FYI my symptoms were the car would start but not shift out of park. Headlights worked. Signals and wipers did not work. I could not read codes because OBD port wasn’t working.
 
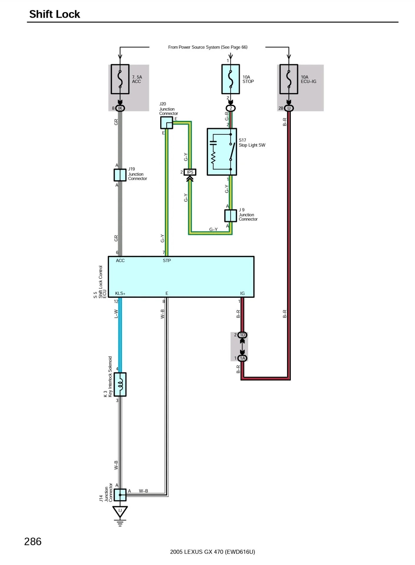
If the brake light fuse it blown it would not allow you to shift out of park since the solenoid is powered from that circuit.

Look at this drawing and ABS is powered from a lot of different circuit.
Screenshot_20220622-200753.webp
Screenshot_20220622-200753.webp
 
If the brake light fuse it blown it would not allow you to shift out of park since the solenoid is powered from that circuit.

Look at this drawing and ABS is powered from a lot of different circuit.
View attachment 3040842View attachment 3040842

Thank you for the information and the wiring diagrams.


My brake lights and all other exterior lights function as they should though. Im assuming if that fuse was blown the brake lights wouldnt illuminate. Correct?
 
My brake lights and all other exterior lights function as they should though. Im assuming if that fuse was blown the brake lights wouldnt illuminate. Correct?
Correct.

Here is the shift lock wiring diagram. The other two fuse would impact that too.
Screenshot_20220623-085626.webp
 
@IBWOZ @Sixto Lezcano

You were both right, a simple fuse was the culprit. Once I checked everything with a test light instead of just checking by visual like a dummy I was able to find the fuse. Really thought it was something much bigger, didn't think a simple 10a fuse could be the cause of 6 different issues.

Embarrassing say the least, attention to detail was my fault in this diagnostic. Forgot my basic troubleshooting steps! Start with the little things first.. I'm in IT, I knew better.
Highlighted below is the fuse that was blown, sorta tucked away under the dash. Not the easiest one to get to in the drivers kick panel fuse box.


Thanks everyone for the guidance and help! I hope this post finds it way to people with similar issues.

Lexus_Fuse_Blown.webp
 
So was it a coincidence that you ran a diagnostic test and blew out a fuse?
 
Back
Top Bottom