Trailer Wiring Harness

This site may earn a commission from merchant affiliate
links, including eBay, Amazon, Skimlinks, and others.

Joined
Jan 22, 2007
Threads
66
Messages
3,225
Location
Alva, Fl.
New to this trailer forum, need help with setting up wiring harness for '77 cruiser. This rig is is approaching doneness- I need to wire up the rear before closing in the the tub. Need an idea on what to hook up for the future trailer connection. No brakes or anything, just a connection for a short trailer--turn signals, brake lites, parking lites. Most stores have only 4 wire hookups - not enough wires for the individual left and right sigs, brake lites, and parking lights--that's 7 wires(incldg grnd) . Anyone have a thought as to who makes a harness for this? I know it's probably very simple, but I can't figure the standard 4 wire harness working for a system that needs 7 wires.
Gary
 
I doubt you need 7 wires, the four should work, the brake and the turn signals are normally the same.

I would wire for brakes if you plan on off roading the trailer, they become important at the worst time.

Also you can google trailer wiring and get all the current set ups step by step.
 
7 will be nice if he decided to have electric brakes, backup lights, and a spare battery.

So,
Left brake/turn
Right brake/turn
Electric brakes
Running lights
Reverse lights
12 V
Ground


images


If you wire it the standard fashion others can use your trailer and you can tow other peoples trailers.
Be aware, a lot of the plugs have colors listed on the plugs themselves. They are not always correct. In fact, they are wrong quite often..
 
If I'm not mistaken sounds like you need a taillight converter..

something like this..Upgraded Circuit Protected Taillight Converter with 4 Pole End Tow Ready Custom Fit Vehicle Wiring,Wiring 119175


New to this trailer forum, need help with setting up wiring harness for '77 cruiser. This rig is is approaching doneness- I need to wire up the rear before closing in the the tub. Need an idea on what to hook up for the future trailer connection. No brakes or anything, just a connection for a short trailer--turn signals, brake lites, parking lites. Most stores have only 4 wire hookups - not enough wires for the individual left and right sigs, brake lites, and parking lights--that's 7 wires(incldg grnd) . Anyone have a thought as to who makes a harness for this? I know it's probably very simple, but I can't figure the standard 4 wire harness working for a system that needs 7 wires.
Gary
 
I've had more trouble than not with those tail light converters. Maybe I've just not bought the right one, but I thought that I'd tried everything offered for sale. I finally gave up on them entirely. I bought a waterproof electrical box from Allied Electric, "sugar cube" (Bosch) relay sockets, relays, and a 30A breaker from Waytek, and a waterproof electrical strain relief from Lowe's. Now the trailer lights run on their own circuit rather than on the tow rig's lighting circuit(s) via the relays. A little "relay logic" and the lights work great!
 
I've had more trouble than not with those tail light converters. Maybe I've just not bought the right one, but I thought that I'd tried everything offered for sale. I finally gave up on them entirely. I bought a waterproof electrical box from Allied Electric, "sugar cube" (Bosch) relay sockets, relays, and a 30A breaker from Waytek, and a waterproof electrical strain relief from Lowe's. Now the trailer lights run on their own circuit rather than on the tow rig's lighting circuit(s) via the relays. A little "relay logic" and the lights work great!

Agree completly. I've gone through 8 or 9 of them in the last 10 years. Course, I do not have the energy to create my own..
 
How do you control the turn/brake signals, and brakes?
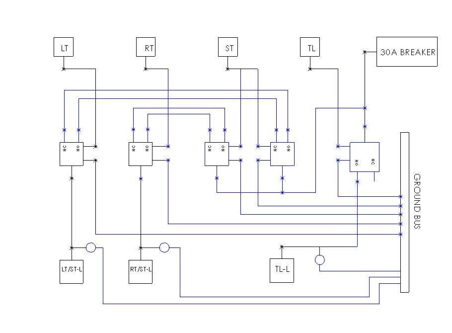
If it's me that you're asking, there are 5 relays used. One is triggered by the tail lights of the tow rig. Two are in the RT/Stop circuit and two are in the LT/Stop circuit. Brake lights energize one relay in each circuit and turn signals energize a relay in the appropriate circuit. Does mean running a large gauge power wire from the circuit breaker next to the battery back to the relay enclosure at/near the rear bumper, but I run one to near the rear bumper anyway.

The only downside to doing it this way, if it can be considered to be a down side, is that the trailer blinkers will be out of phase with the tow rig either when you're on the brakes or when you're not on the brakes depending on how you wire the relays.

At one time I drew up the wiring diagram, if there is interest I can see if I can find it.
 
as soon as I saw the post from yzftaco, I bought one(converter). It's installed now. Too late for the relay conversion now, but I'm already buying the parts for when it fails.
Thanks to skersfan, Mace(diagram) and Ntsqd for the input(if you can find the diagram WITHOUT any trouble, I could use it).
Thanks for everyone's input, post some pics of the install tomorrow
Gary
 
Last edited:
Back
Top Bottom