Starts , no brake lights and wont go into drive

This site may earn a commission from merchant affiliate
links, including eBay, Amazon, Skimlinks, and others.

Joined
May 7, 2007
Threads
19
Messages
460
Location
slut
Was trying to wire up an arb rear bumper, didnt do anything on the truck but plug in the bumper (previously wired for a 100). Went to doble check lights, now no running or brake lights and starts but wont go into drive unless i manually override the shifter. Any ideas?
 
Was trying to wire up an arb rear bumper, didnt do anything on the truck but plug in the bumper (previously wired for a 100). Went to doble check lights, now no running or brake lights and starts but wont go into drive unless i manually override the shifter. Any ideas?
Fuses all looked good
 
Was trying to wire up an arb rear bumper, didnt do anything on the truck but plug in the bumper (previously wired for a 100). Went to doble check lights, now no running or brake lights and starts but wont go into drive unless i manually override the shifter. Any ideas?
Brake sensor signal shorted. remove whatever wires you installed on the bumper and try again
 
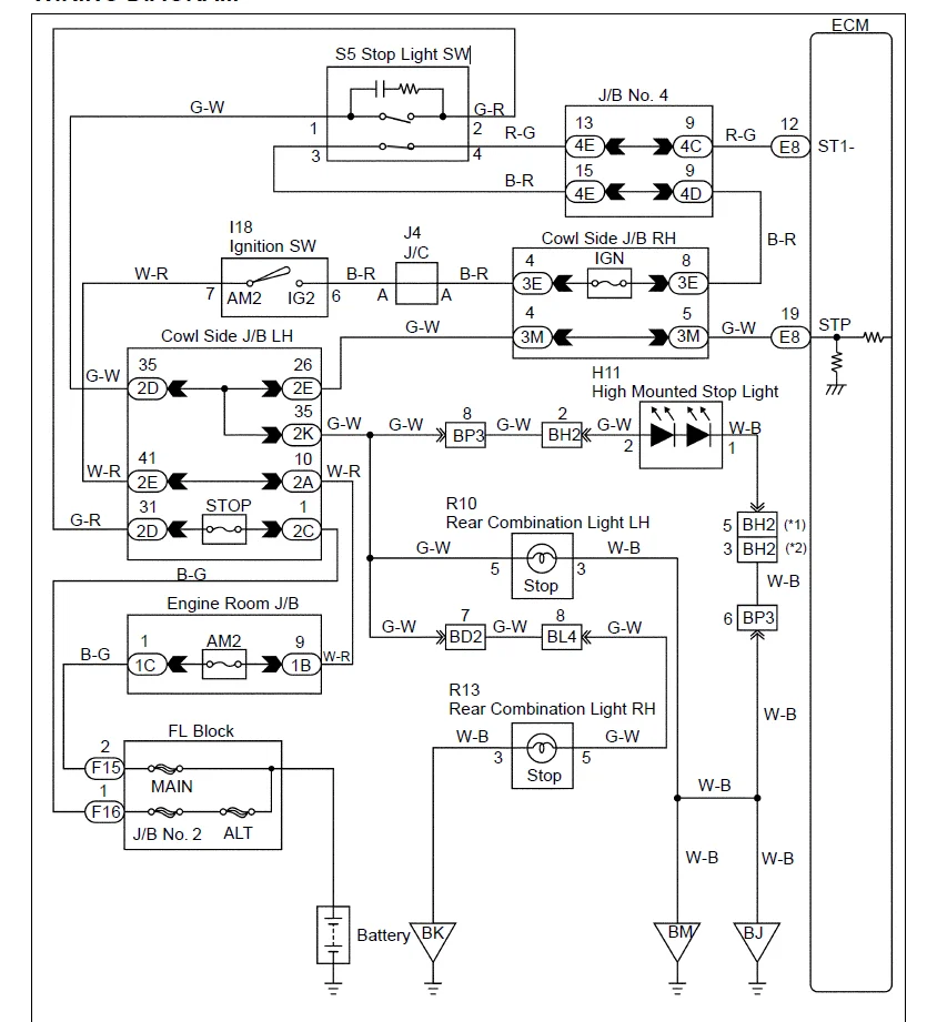
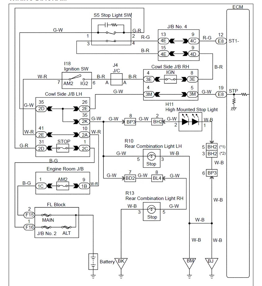
Most likely your STP signal is shorted to ground if you didn't touch the stop light switch behind brake padel. you should have P0504 code. If you dont have any error code then your stop light switch is broken (highly unlikely).

1709767367308.webp
 
Most likely your STP signal is shorted to ground if you didn't touch the stop light switch behind brake padel. you should have P0504 code. If you dont have any error code then your stop light switch is
press brake padel for a few times to see if you can trigger the code
got it. Turns out all fuses tested were bad, couldnt tell by looking at them. Thank you for the help!
Most likely your STP signal is shorted to ground if you didn't touch the stop light switch behind brake padel. you should have P0504 code. If you dont have any error code then your stop light switch is broken (highly unlikely).

View attachment 3575673

Most likely your STP signal is shorted to ground if you didn't touch the stop light switch behind brake padel. you should have P0504 code. If you dont have any error code then your stop light switch is broken (highly
 
Back
Top Bottom