No start.... sometimes?

This site may earn a commission from merchant affiliate
links, including eBay, Amazon, Skimlinks, and others.

Joined
Sep 12, 2009
Threads
13
Messages
76
Location
Racine, WI
Ok so i have an 87 4runner with the 22re 4cyl etc. It has sat for a lil while becuz its not my dd, but it always started jus fine no matter the temp previous to now. Ill come home from work in the morning and go to start it, all it does is crank and crank and crank but it just wont catch and start. So then ill leave it and when i get up at like 4-5pm ill go try again and it starts on the very first turn of the motor. Every day it seems to do this. Wont start one time... then later it starts more than perfect. What could this be?
 
If its like the '89 pickups then it had a cold start injected I believe. Maybe that's clogged? Or the battery may be worn out and the cold crank just isn't high enough possibly.
 
Check your cold start injector time switch as well. Search google and you'll get the specs. It's been so long since I did it, I would not speculate with what I think they are.

Also make sure your ignition system is in check: Dizzy, spark plugs, wires, etc. Just make sure your getting good spark.

And just for good measure, check for codes even though there might not be a check engine light on. The compter, as primitative as it is, will store some codes.
 
If the cold start injector is clogged or faulty I believe the truck will eventually start anyway. At least, that was the situation with my FJ62 when I first purchased it 11 yrs ago.
With the 22RE, I recently had the same issue: Usually will start just fine but once in awhile it won't at all. Let it sit, come back and it will start. A local mechanic told me he'd seen the same thing several times with these hilux 4cyl trucks and it usually turned out to be the circuit opening relay. Corrosion in these is a problem here due to our damp weather. So, I replaced mine with a used unit a couple months ago and haven't had a re-occurrence of the problem since then.
 
Last edited:
Strange most people think hard starting is due to a cold start injector, now.....its winter so a cold start injector could be culprit, you see the cold start injector Only fires when the coolant temperature is 40 deg or colder.

Now most times the problem is fuel pressure bleeding off of the fuel rail so it takes a few cranks to get pressure built up to squirt from the fuel injectors. The fuel pressure regulator could be an issue but more likely the check valve on the supply end could be failing allowing fuel to drain back via the supply line. I know some have rigged a switch that turns on the fuel pump to establish prim before turning the key to start. On my 86 Runner if i don't depress the clutch but turn the key to start i can hear the fuel pump running, this is what i do when the engine doesn't fire, a few seconds of that and no problems starting, i can actually hear the fuel filling the fuel rail making its way back to the tank.

Good luck!
 
It does most similarily what 86GASHOG just said. One time just cranks and cranks maybe a small sputter but no matter how long i crank it it doesnt go. Leave it be a few hours(or maybe less im jus not able to get back to it sooner than a few hours) and it starts right up. I.e. Earlier about 12-1pm wouldnt stat, tried again at a little after 2pm and it started right up. Shut it off gave it a few seconds tried again, after a few times turning over started up. Did that a few times and it gets starting after a few turns.
 
This is a hard issue to troubleshoot as mentioned a number of things could be causing this issue, you may want to start with the circuit opening relay, it serves the same as a fuel pump relay in most other FI vehicles. My money is lack of correct fuel pressure.
 
Ill look into it. A lil more info for you guys. Originally truck wouldnt do nothing at the turn of the key, we believed it was the starter relay. At the time i needed a quick fix so i bypassed it with a push botton start. With the push botton bamm started everytime and started well no problem. Of course this was summer, now that its winter it doesnt start half the time, mostly mornings or real cold temp. Figured it was because the cold start injector wasnt turning on because i bypassed the starting system, so i got another used starter relay and its back to doing nothing. Is there a way i can check to make sure the relay is working? Or say it is working what else could it be? I dont even hear a click when i turn the key so its somethign between ignition and starter.
 
If i unplug the wire from ignition to starter and hook up wire from a push botton switch it turns the starter. So starter, cables to battery, and battery are fine.
 
I'm willing to bet that its not the cold start injector or cold start switch. There is another sensor right next to the time switch on the front of the intake. Its called the engine temperature switch. Its 1 of 2 sensors on the front of the intake. Its the 1 on the passanger side I believe (don't take my word on that) and its under 30 bucks at napa, and most other auto parts stores. Take a look at that, I'm not sure how to test it, but ill bet u that's ur issue. It helps the time switch tell the cold start injector how hard it needs to work.
 
I had a similar issue in my 86' Runner, turned out to be low/no current to the solenoid. First you need to find out if the starter relay is closing, if not then suspect a faulty starter relay and or worn ignition switch, If the starter relay is always closing when the key is held on the start position then the issue is probably old/faulty wiring.

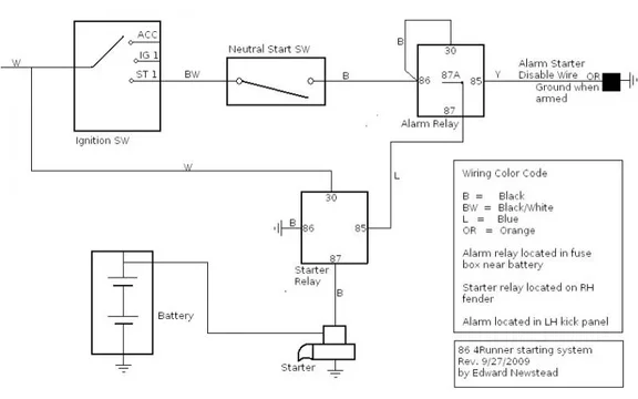
I fixed my intermittent start issue by supplying fused 12 volt power directly to the relay, his will involve finding the power wire on the relay, cutting that wire and splicing in a good source of 12 volts. Also I found what wire on the relay sends power to the starter relay, I cut that wire and ran a new one directly to the starter solenoid. If you search long enough you will come across a diagram illustrating how this mod is accomplished. My truck left me stranded a few times until I decided to take action, since I made this mod I have had NO starting issues at all. Recently I've gone out in temps tires below freezing and have had NO starting issues at all, fires right up!

Cold Start Injector.....

Too many people like to blame the cold start injector on failure to start, while it will NOT cause failure to crank, it MAY ONLY cause failure to start if the coolant temp is BELOW 40 degrees. The cold start injector is Not like an accelerator pump or choke on a carburetor, it's ONLY for VERY cold conditions. Let's not forget that as soon as the ECU senses RPM the injectors will start to fire, that fuel spray is more then enough to start any engine in good mechanical condition.

Good luck!
Corey
 
image-3110965661.webp



image-3278798720.webp



Perhaps this will help as this is what I was explaining to do.

image-3110965661.webp


image-3278798720.webp
 
Well this isnt my dd so maybe sometime i can try to tackle some of this old s***ty wiring. Its startin to warm up a bit now so im sure itll start on its own now, conveniently lol. Just wondering though... could i cut the wire goign to the cold start injector for power and wire it into the wire that goes from the push button i installed to the starter? It would fire everytime i go to start it sure but it would only see power when the button is pushed i believe right? Would that be a viable fix until i can really get into the wiring or would that damage something?
 
Okay I'm confused...

I though you were having issues with the engine NOT turning over when the key was placed in the Start position, if is is so warm weather will not help.

If your engine always turns over but does not want to start you need to ask a few questions....
1- is the engine coolant below 40deg F, if not then the cold start injector is not even being told to fire, if yes then perhaps it's time to replace the injector and or the cold start timing switch

2- Is there fuel pressure in the fuel rail prior to starting engine?
There is a check valve in the fuel system, as that check valve wears fuel pressure is no longer held in the fuel rail, unlike newer EFI engine the 22RE does not do a fuel system prime when the ignition key is placed to run, the engine will have issue starting until the correct fuel pressure is realized in the fuel rail. Some folks have installed a switch that can turn the fuel pump on manually which in turn will prim the fuel system.
 
1BADAWD said:
Well this isnt my dd so maybe sometime i can try to tackle some of this old s***ty wiring. Its startin to warm up a bit now so im sure itll start on its own now, conveniently lol. Just wondering though... could i cut the wire goign to the cold start injector for power and wire it into the wire that goes from the push button i installed to the starter? It would fire everytime i go to start it sure but it would only see power when the button is pushed i believe right? Would that be a viable fix until i can really get into the wiring or would that damage something?

you can't just throw voltage to an injector, you may burn it out. Fuel injectors are solenoids, a coil of wire, when voltage is applied to the coil a magnetic field is created which pulls a pin up and out if the injector orifice, this action allows fuel to spray, apply too much voltage for too long and you burn up the coil.
 
It does not start or do anything for that fact with turning the key. I bypassed the ignition system with a push button to the start and it starts then but only when its warm enough because with the system bypassed the cold start injector does not fire with the button.
 
OK, I thought my problem was solved by a different CO relay, but it was just coincidental that it started better for awhile. The real problem, as it turned out, was that the ground off the fuel injector harness was not attached. It's amazing that it started at all, really. Now, with that ground properly bolted on, it starts just perfectly every time. So, check your grounds. There are four grounds off the engine, I believe.
 
Back
Top Bottom