VSC ECU thinks Vehicle Speed is Zero

This site may earn a commission from merchant affiliate
links, including eBay, Amazon, Skimlinks, and others.

Joined
Jun 9, 2024
Threads
6
Messages
27
Location
Ogden UT, USA
It snowed (is wet out) today, which means its time for the ABS, VSC TRAC, VSC OFF, and BRAKE lights to come on - also today we got a surprise guest when VGRS also popped up:
1734133759327.webp


In the past when these popped up in the rain, I re-built my brake a liftgate wiring harness after finding broken/exposed wiring, and replaced the battery. I thought maybe that would solve my issues but here I am again. These only show up when its wet outside, and I haven't gotten any 'weirdness' from the VSC or ABS systems indicating some mechanical failure.

I got my mini-vci in the mail recently and decided to hook up techstream to see what was going on (huge shoutout to getco for the incredibly easy install). The DTC's didn't tell me anything new, just active C0210, C0215 and C1223 which have popped up before:
1734133420298.webp


Next obvious step is to record wheel speed sensors while driving to check if that really was the issue, which led to this:
1734133593868.webp


Well that's odd ain't it, all the wheel speed sensors are dead-on with one another but the overall Vehicle Speed is stuck at zero. The speedometer on the trucks gauge cluster works fine, so I'm not sure why there's a disconnect. This may be a red herring, but at least its a starting point for a next step.

I think its finally time I spent the $200 on the shop manual - though if anyone here knows how (or better yet has a wiring diagram) on how the VSC ECU receives the Vehicle Speed that would help me along a lot. Also any ideas on where to look next are appreciated.
 
oh wow yeah it does, thanks
Glad I helped! When I found those I went ahead and downloaded everything that could be helpful to mine. Now it lives on my computer and helps without me having to search too far. Good luck, this is about all I can contribute.
 
"Wet out" speak loudly.

If parked outside and happens before driving. 90% chance it's water entering cabin dash/footwell area.

If only after driving on wet roads and no water in cabin. Points to water passing undercarriage wire block housing seals.
 
sound like theres water getting into a connector or you have a wire thats chaffed through thats shorting when it gets wet. dont worry about diaging the c1223 code thatll come on whenever theres any abs code. start with the rear abs senors and work your way up the harness.
 
I missed posting about a very important detail up above - the parking brake light is also stuck-on when this happens. That's a nominally-open circuit, so its pretty clear that I've got an inadvertent ground if that light is latched on.

"Wet out" speak loudly.

If parked outside and happens before driving. 90% chance it's water entering cabin dash/footwell area.

If only after driving on wet roads and no water in cabin. Points to water passing undercarriage wire block housing seals.
Its hard to say with snow, it popped up a minute or so into my drive but I'm not sure if that was snow melting a getting into the footwell or if I'm kicking up water into a harness somewhere. I saw on another thread the obvious idea of going to a car-wash and spraying different sections down until the error pops up. I'll be trying that next.

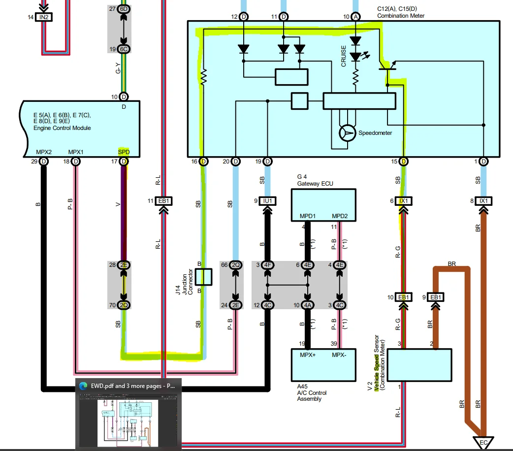
I'll try and detail my thought process and troubleshooting here in case anyone else gets the same issues in the future. After looking at wiring diagrams trying to trace the vehicle speed (combination meter) to the VSC ECU, I noticed no direct line from the speed meter to the VSC ECU. Vehicle speed only is fed from the meter to the Speedometer, and then amplified via transistor over to the ECM ECU (this confused me for so long since I always thought of transistors as on/off switches and not an amplifier - please tell me if I'm interpreting this wrong!):
1734188431003.webp


I only checked techstream on the VSC ECU, but didn't check to see if the ECM ECU had good vehicle speed. I'm assuming the ECM ECU had good speed since there is a DTC specifically for 'lack of vehicle speed' in the ECM (would be P0500 Speed Sensor A). I'll double check this today, but if my hunch is right that means that there must be bad comm between the ECM ECU and the VSC ECU.

The ECM ECU and VSC ECU talk over some type of Serial interface (RS-232 maybe?) with a Positive and Negative pair (not shielded which is odd for serial comms):
1734188796568.webp


Right now - I am most suspicious of water getting in through the windshield/A-pillar. It sounds like if water drops in through there, it lands directly on the ECM ECU. The Park Brake is also routed over to the ECM ECU, and I have this suspected comms issue between the ECM and VSC ECU.

Next steps to prove this are:
1. Check that ECM ECU has good vehicle speed while these errors are present
2. One errors clear (after the truck has had time to dry) - take it to the car wash and soak the windshield while the truck is running. If that's inconclusive, I'll probably start spraying-down corner by corner until a code pops up.
 
My first step would be: Stop all water entry.

Any issue, with windshield. i.e. molding, rivets or just appears a poor install. I remove side molding. Fill rivet holes with bytul. Then run leak test.

061.webp

060.webp



Leak detection (1).webp


Leak detection (3).webp


I've seen some very hard issues to diagnose, when underbody wire housing block seals leaking. By disconnecting each wire housing block(s), and looking inside. They should look nice and clean. If not, clean with electric contact cleaner (plastic safe), blow out and pack with dielectric grease to help seal out moisture. Or replace wire housing block.

This was AHC issue from water entry into wire housings block.
IMG_7320.webp


I've also see exhaust leaks, block on wires & wire housing block, metleting them. Which are easier to spot.
 
Back
Top Bottom