Need help - Test Starter Relay

This site may earn a commission from merchant affiliate
links, including eBay, Amazon, Skimlinks, and others.

Joined
Apr 20, 2009
Threads
10
Messages
69
Does anyone know which terminals are #1 and #2 on the starter relay? Mine does not match the image in the manual. i have blade terminals all running the same direction. The diagram in the manual has two terminals that are in a 90 degree position to the other two.

The manual says i should have continuity between #1 & #2. If the two that are spread the most apart in the pic are #1 and#2 then they realy must be bad because there is no continuity.
IMG00501-20110402-1209.webp
 
looking at my diagnostics and ESM you have a ACC relay, Starter relay and a Ignition switch. All feed into the ECM. Are you sure you have the starter relay? I could not find anything that look like yours. I will continue to look.

Your starter realy voltage should be

Starter Relay
Tester Connection Specified Condition
Starter relay (5) - Body ground 9 to 14 V
 
Last edited:
looking at my diagnostics and ESM you have a ACC relay, Starter relay and a Ignition switch. All feed into the ECM. Are you sure you have the starter relay? I could not find anything that look like yours. I will continue to look.

Your starter realy voltage should be

Starter Relay
Tester Connection Specified Condition
Starter relay (5) - Body ground 9 to 14 V
Yes, I'm sure. I pulled all 3 relays that you mentioned. The starter relay and the ECD relay are labled.
IMG00503-20110402-1300.webp
 
Not sure if you have this.
Thanks! ok i opened it. it's pretty basic inside and everything appears ok. However, I know these do fail and I'm not sure that anything less than a catastrophic burn out failure would be apparent in a visual inspection. The manual does say that if #1 and #2 poles have no continuity then replace the relay. So, I just need to confirm which two are numbers 1 & 2.
IMG00505-20110402-1330.webp
 
From the photos and the diagram, lugs 1 and 2 are the smaller pair. The larger pair are the load lugs. There should be continuity between lugs 1 and 2 and not between the large load lugs (the pair farther apart) when the starter circuit is not operating.
 
bingo. Closest I can find. It's not the same relay you have, but it does confirm some things about the continuity and displays which prongs are what # and how to test.


Do you have this FSM?

EDIT: Where did you pull your starter relay? I will look at mine to verify it's the same.I cannot for the life of me and this FSM and EWD's find your relay. If I can see where you pulled it from I can narrow down in the EWD which connectors/relay sections its in and be able to give you a exact description.
Picture 3.webp
 
Last edited:
I think you pulled the wrong relay... or it's mislabeled. Only relay that looks similar to yours is a ABS relay. Unless my FSM and EWD is wrong...

Red is what I think you may of pulled/someone installed the wrong relay (PO or someone or if you had one replaced)

Green is what you need to pull and what the FSM is telling me.


EDIT: Looked online and part #'s are different for 1999 and 2004 (my fsm). I think I am looking at the wrong parts lol. Now I want to go check mine

8300 relay assy, starter for 1999
28300‑46010 2uzfe..uzj100 1 $75.48

28300 RELAY ASSY, STARTER for 2004
90987‑02025 2UZFE..UZJ100 1 $79.29
Picture 4.webp
 
Last edited:
From the photos and the diagram, lugs 1 and 2 are the smaller pair. The larger pair are the load lugs. There should be continuity between lugs 1 and 2 and not between the large load lugs (the pair farther apart) when the starter circuit is not operating.
Thanks Sandroad. you're right about the connections
 
bingo. Closest I can find. It's not the same relay you have, but it does confirm some things about the continuity and displays which prongs are what # and how to test.


Do you have this FSM?

EDIT: Where did you pull your starter relay? I will look at mine to verify it's the same.I cannot for the life of me and this FSM and EWD's find your relay. If I can see where you pulled it from I can narrow down in the EWD which connectors/relay sections its in and be able to give you a exact description.
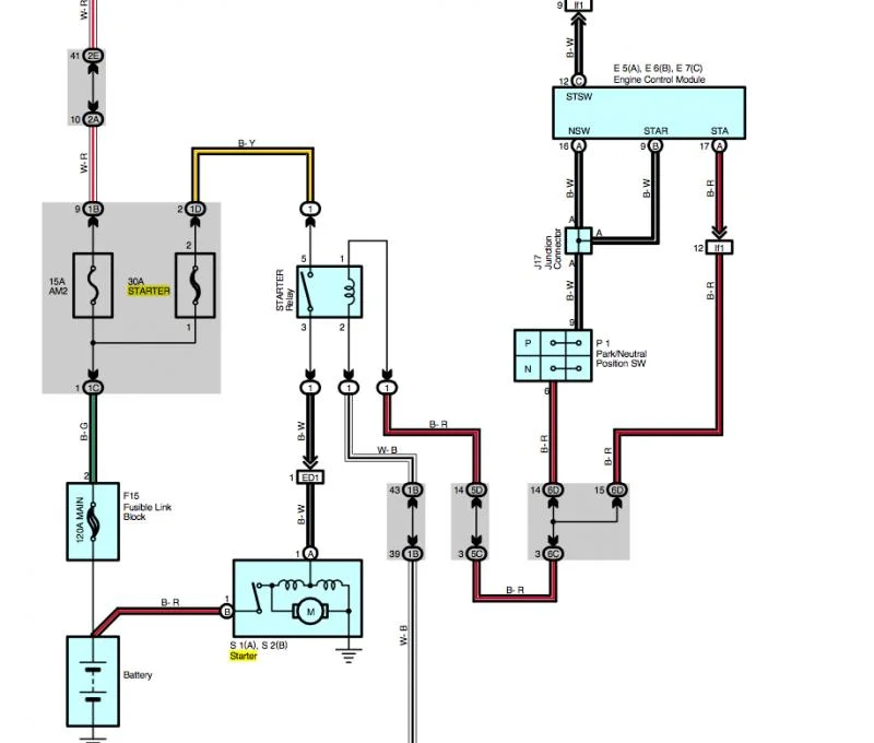
2000 they must have changed things a bit for the year 2000. Here's the correct diagram from the FSM for a 1999.
untitled.webp
 

Attachments

Last edited:
well poo, I guess I should of looked at the part #'s before spending an hour looking at this stuff :doh: . Maybe my posts will help someone with a 04+


damnit lol
Yeah sorry 2000. But I really do appreciate that you tried to help...
 
I have a 2001 so I used this diagram
untitled-jpg.507938


I am getting a reading of 0.09 between pins 3 and 4 and my multimeter is not beeping.

What exactly does this mean? I opened up the relay and don't see any corrosion
Did you ever get a resolution to this issue? I think I’ve got the same thing going on. New batt, new alt, checked grounds.
 
Back
Top Bottom