Fusible Link Keeps Blowing

This site may earn a commission from merchant affiliate
links, including eBay, Amazon, Skimlinks, and others.

Joined
Dec 28, 2014
Threads
2
Messages
5
Location
Orange County, CA
The fusible link (part number 9098208264, the gray fusible link) has blown twice in my 1997 Land Cruiser. I am looking for help to figure out what could be causing the fusible link to fry. Here is the background:

The truck was running great. However, last week when I was getting on the freeway, the truck suddenly started vibrating and lost power. Thankfully I was able to get the shoulder before it completely died. I got the truck towed back to my house and started troubleshooting (with the help of this forum and a friend). I determined the issue was the fusible link and ordered a couple. I installed the new link, and the truck started. I let it idle for a few minutes, turned it off, then turned it back on to idle for about ten minutes. I then decided to take it for a test drive. It got no further than 40 feet before dying again; I was able to put the truck in neutral and slowly rolled it back in front of my house). The new fusible link was fried (I could smell it).

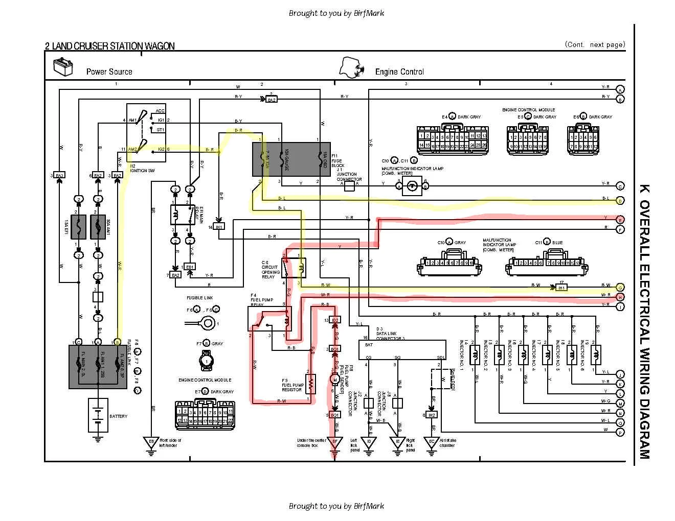
Now I am trying to figure out what is causing the fusible link to blow? I am guessing it is some electrical short in the system, but I do not know where to start. I am wondering if it is a clue that the truck is fine at idle but fails under load? I read in some forum topics about the oxygen sensors being a possible culprit, but the wiring looks fine to both sensors. I tried looking at the wiring diagram, which I think is correct; see attached. I highlighted in yellow the wires connected to the fusible link (I think it is FL AM2). Should I only be looking in those areas or could the short we somewhere else?

Any suggestions on where to look would be really helpful.

Electrical Wiring Diagram, 1996_Toyota_Land_Cruiser_EWD.webp
 
"Under load" screams intermittent short when the motor mounts flex, to me. First thing I'd look at is the wiring harness near the EGR pipe. If that's not the issue then it's just a matter of throwing a multimeter on there, set to continuity, and wiggling wires until you hear it beep.
 
Copy of what I posted a few years ago when I was blowing my AM2 link. Worth a check.

Thought I would add a bit to this thread since I just experienced the same issue. For anyone in the future researching the same thing. 95 FZJ with about 225,000 miles on it. Pulling away from a stop light and the truck just shut off. Would not restart. I towed it home and got to work. Originally thought it was a fuel delivery issue, but all systems checked out good there. Didn't think about the fusible link right away since I had replaced it about 6 months ago. Anyway, that was it. The AM2 link blown. I replaced it with my spare and as soon as I turned the ignition to the ON position, the link just smoked. Literally smoked. Figured I had a short somewhere. :mad:

Read through my EWD to see if I could figure out what was on that link, but reading electrical diagrams is sometimes like reading French to me. :hillbilly: Did some research on Mud on blowing the AM2 link and found a post about a guy having the issue because one of the fuel injector wires was shorting out. Figured it was a good place to start. I had to pull the throttle body to get to the wiring, but that was not a big deal. Sure enough, one of the fuel injector wires had rub through it's protective sleeve over the past 20 years and 225,000 miles and was shorting out on a bolt head next to the valve cover. If I remember correctly, it was the #5 cylinder. Taped it all up and zip tied it away from the bolt head, put the truck all back together, replaced the AM2 link again and crossed my fingers as I turned the ignition to ON. Never thought I would be so happy to see the Check Engine light. :D Reset everything by pulling the negative battery cable and she started right up. Maybe this info can help someone in the future seeing the same issue, as tracking down a short sucks ass.
 
There is no "grey" fusible link in the group of 3 off the positive battery terminal.
The color of the insulation specifies the rating. The 3 fusible links on an 80 Series are:
PINK - 30 amp FL AM2 - grey connector
BLACK - 80 amp FL AM1 - small ring terminal
BLUE - 100 amp FL MAIN - large ring terminal

I assume you mean FL AM2 which powers the injector harness, igniter and ignition coil, amongst other things. Most likely a short by the EGR pipe.
 
Thank you for the responses. gummycarbs and jonheld were correct, it is the main wire harness near the EGR pipe that is shorting to the pipe. The insulation on the wire harness is visibly damaged. I verified this harness is the cause by making a homemade fused wire (like lumbee1 did here), starting the truck, then pushing the wire harness with a broom stick toward the EGR pipe, and the truck immediately died (blew the fuse); note, I used a 20 amp ATC fuse (rather than a 30 amp) because I had those laying around and it worked fine for my testing.

Wire harness damage.webp


For those reading this later that do not know where to look for this cable (like me) it is located near the firewall in the center of the engine:
Wire harness location.webp



The bracket holding wire harness has broken on the driver side, which is likely why the cable harness is rubbing against the EGR pipe.
Wire harness bracket.webp


Does anyone know if this plastic bracket (circled in blue) is sold separately or is it part of the wire harness? If it is separate, what is the part number? I tried looking for it, but could not find it listed anywhere. If I cannot get the bracket, any suggestions on how to attached the harness in that area to pull it away from the EGR pipe?
 
  • Like
Reactions: MoJ
Does anyone know if this plastic bracket (circled in blue) is sold separately or is it part of the wire harness? If it is separate, what is the part number?

Looks like 82817-60110 Protector, Wiring Harness, No.1, but it's discontinued. I'm sure you could find a used one.
 
The fusible link (part number 9098208264, the gray fusible link) has blown twice in my 1997 Land Cruiser. I am looking for help to figure out what could be causing the fusible link to fry. Here is the background:

The truck was running great. However, last week when I was getting on the freeway, the truck suddenly started vibrating and lost power. Thankfully I was able to get the shoulder before it completely died. I got the truck towed back to my house and started troubleshooting (with the help of this forum and a friend). I determined the issue was the fusible link and ordered a couple. I installed the new link, and the truck started. I let it idle for a few minutes, turned it off, then turned it back on to idle for about ten minutes. I then decided to take it for a test drive. It got no further than 40 feet before dying again; I was able to put the truck in neutral and slowly rolled it back in front of my house). The new fusible link was fried (I could smell it).

Now I am trying to figure out what is causing the fusible link to blow? I am guessing it is some electrical short in the system, but I do not know where to start. I am wondering if it is a clue that the truck is fine at idle but fails under load? I read in some forum topics about the oxygen sensors being a possible culprit, but the wiring looks fine to both sensors. I tried looking at the wiring diagram, which I think is correct; see attached. I highlighted in yellow the wires connected to the fusible link (I think it is FL AM2). Should I only be looking in those areas or could the short we somewhere else?

Any suggestions on where to look would be really helpful.

View attachment 2764850
Hallo, do you perhaps know where I can get hold of a wiring diagram for a FJ62 Land Cruiser (General Countries or Australia spec). I need to re do my fusible link and having trouble with the wire setup. Mine was hacked by the previous owner and Im trying to reset the vehicle to factory standard.
 
Back
Top Bottom